Шаблон буфера кадров с мультимедийным интерфейсом высокой четкости (HDMI) создает проект Simulink ® с моделями для моделирования и создания видеоприложения с буфером кадров внешней памяти. Этот шаблон формирует основу для примера выравнивания гистограммы с использованием буфера видеокадров. Используйте этот шаблон для моделирования полного эталонного дизайна приложения обработки видео на FPGA с интерфейсом ввода-вывода HDMI и подключения к буферу кадров внешней памяти для усовершенствованных конструкций обработки изображений .

Видение HDL Toolbox™
Компьютерное зрение Toolbox™
Пакет поддержки SoC Blockset™ для устройств Xilinx ®
Видео HDMI передает видеоданные из блока HDMI Rx в FPGA. FPGA реализует преобразование цветового пространства и алгоритм обработки изображений. Затем обработанные изображения подвергаются обратному преобразованию цветового пространства и поступают в блок Tx HDMI. Алгоритм FPGA подключен к блоку канала памяти буфера внешнего кадра памяти, сконфигурированному в AXI4-Stream Video Frame Buffer режим.
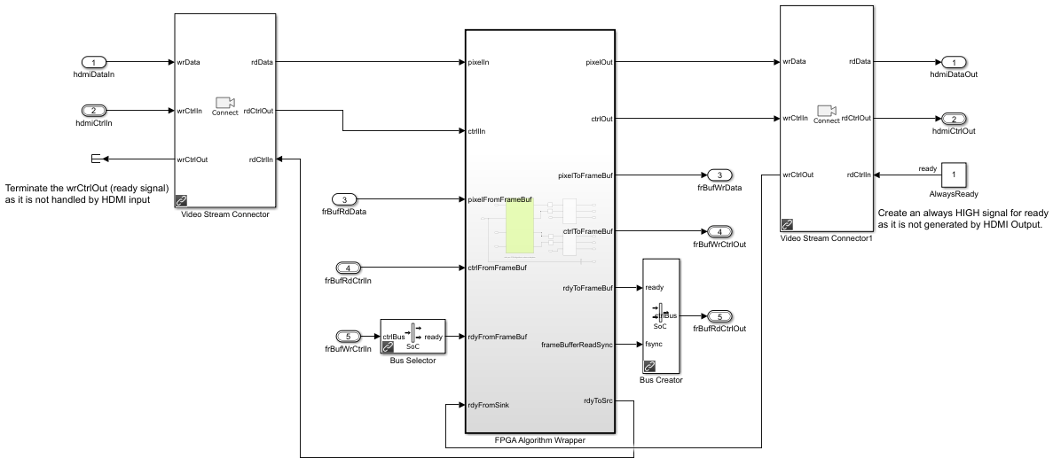
Пиксельная модель FPGA использует блоки Video Stream Connector для подключения различных подсистем и блоков ввода/вывода HDMI. Это необходимо для создания каждой подсистемы в виде отдельного IP-адреса в реализованной эталонной конструкции из модели. Поскольку модель кадра FPGA предназначена только для имитации и не используется для реализации, блоки соединителя видеопотока не моделируются.
В MATLAB ® на вкладке Ярлыки проекта (Project Shortcuts) щелкните Открыть пиксельную модель FPGA (Open FPGA pixel model). Дважды щелкните, чтобы открыть FPGA Algorithm Wrapper.
![]()
FPGA Algorithm, выделенный зеленым цветом, содержит транзитные порты и сигналы.
![]()
Изменение содержимого FPGA Algorithm в подсистему входит требуемый алгоритм обработки изображения, с полным моделированием и формированием кода окружающей системы видеопамяти. Порты pixelToFrameBuf и pixelStartFrameBuf обеспечивают доступ к каналу внешней памяти, Frame Buffer. Для разработки и исследования чистого алгоритма на вкладке Ярлыки проекта (Project Shortcuts) щелкните Открыть модель кадра FPGA (Open FPGA frame model) и повторите этот шаг.
Создание нового проекта с помощью шаблонов | Использование шаблона для создания модели SoC