Вычислите метрическую матрицу угла и найдите углы на изображениях
Инструментарий для компьютерного зрения/Анализ и усовершенствование

Блок обнаружения углов находит углы в изображении с помощью определения угла Харриса (Харриса и Стивенса), минимального собственного значения (Ши и Томази) или локального сравнения интенсивности (на основе метода ускоренного тестирования сегментов (FAST) Ростена и Драммонда). Блок находит углы на изображении на основе пикселов, имеющих наибольшие угловые метрики.
I - Входное изображениеВходное изображение, заданное как матрица значений интенсивности.
Типы данных: single | double | int8 | int16 | int32 | int64 | uint8 | uint16 | uint32 | uint64 | fixed point
Loc - Угловые расположенияУгловые расположения, возвращаемые в виде матрицы M-by-2 с координатами [x y]. M представляет число углов и меньше или равно параметру Максимальное число углов.
Чтобы включить этот порт, установите для параметра Output один из следующих параметров:
Corner location
Corner location and metric matrix
Типы данных: uint32
Count - Количество обнаруженных угловКоличество обнаруженных углов, возвращаемых в виде скаляра.
Чтобы включить этот порт, установите следующие параметры блока:
Выходные данные: Corner location | Corner location and metric matrix
Выходной сигнал переменного размера: off
Типы данных: uint32
Metric - Угловые метрические значенияУгловые значения метрик, возвращаемые в виде матрицы значений интенсивности. Возвращенная матрица имеет тот же размер, что и входное изображение.
Чтобы включить этот порт, установите для параметра Output один из следующих параметров:
Corner location and metric matrix
Metric matrix
Типы данных: single | double | int8 | int16 | int32 | int64 | uint8 | uint16 | uint32 | uint64 | fixed point
Главная вкладка
Method - Метод обнаружения угловHarris corner detection (Harris & Stephens) (по умолчанию) | Minimum eigenvalue (Shi & Tomasi) | Local intensity comparison (Rosten & Drummond)Укажите метод обнаружения углов как Harris corner detection (Harris & Stephens), Minimum eigenvalue (Shi & Tomasi), или Local intensity comparison (Rosten & Drummond).
Для получения наиболее точных результатов используйте Minimum eigenvalue (Shi & Tomasi). Для самых быстрых вычислений используйте Local intensity comparison (Rosten & Drummond). Для обеспечения баланса между точностью и скоростью вычислений используйте Harris corner detection (Harris & Stephens). Дополнительные сведения о каждом методе см. в разделе Алгоритмы.
Sensitivity factor (0<k<0.25) - Коэффициент чувствительностиЗадайте коэффициент чувствительности, k. По мере уменьшения k возрастает вероятность того, что алгоритм сможет обнаружить острые углы.
Настраиваемый: Да
Чтобы включить этот параметр, установите для параметра Method значение Harris corner detection (Harris & Stephens).
Coefficients for separable smoothing filter - Коэффициенты фильтраУкажите вектор коэффициентов фильтра сглаживания.
Чтобы включить этот параметр, задайте для параметра Method одно из следующих значений:
Harris corner detection (Harris & Stephens)
Minimum eigenvalue (Shi & Tomasi)
Intensity comparison threshold - Порог интенсивностиУкажите пороговое значение интенсивности, используемое для поиска допустимых окружающих пикселов.
Настраиваемый: Да
Чтобы включить этот параметр, установите для параметра Method значение Local intensity comparison (Rosten & Drummond).
Maximum angle to be considered a corner (in degrees) - Максимальный угол поворотаУкажите максимальный угол поворота.
Настраиваемый: Да
Чтобы включить этот параметр, установите для параметра Method значение Local intensity comparison (Rosten & Drummond).
Этот параметр настраивается только для моделирования.
Output - Блочный выходCorner location (по умолчанию) | Corner location and metric matrix | Metric matrixУкажите вывод блока как Corner location, Corner location and metric matrix, и Metric matrix.
Задайте для этого параметра значение Corner location или Corner location and metric matrix для отображения параметров Максимальное количество углов, Минимальное метрическое значение, указывающее угол, и Размер окрестности (подавление области вокруг обнаруженных углов).
Maximum number of corners - Максимальное количество угловУкажите максимальное число углов, которые должен найти блок.
Чтобы включить этот параметр, установите для параметра Output один из следующих параметров:
Corner location
Corner location and metric matrix
Minimum metric value that indicates a corner - Минимальная угловая метрикаУкажите минимальное значение угловой метрики.
Настраиваемый: Да
Чтобы включить этот параметр, установите для параметра Output один из следующих параметров:
Corner location
Corner location and metric matrix
Neighborhood size - Размер районаУкажите размер окрестности как двухэлементный вектор положительных нечетных чисел, [строка, столбец]. Блок использует этот параметр для подавления области вокруг допустимой угловой точки с наибольшим значением угловой метрики.
Чтобы включить этот параметр, установите для параметра Output один из следующих параметров:
Corner location
Corner location and metric matrix
Output variable size signal - Сигнал переменного размераon (по умолчанию) | offВыберите этот параметр для вывода сигнала переменного размера.
Чтобы включить этот параметр, установите для параметра Output один из следующих параметров:
Corner location
Corner location and metric matrix
Вкладка «Типы данных»
Дополнительные сведения о параметрах блока с фиксированной точкой см. в разделе Задание атрибутов блока с фиксированной точкой.
Для определения окончательных угловых значений блок выполняет следующие действия:
Найдите пиксель с наибольшим значением угловой метрики.
Убедитесь, что значение метрики больше или равно значению, указанному для параметра «Минимальная метрика», указывающего угловой параметр.
Подавление области вокруг углового значения на размер, определенный в параметре «Размер окрестности» (подавление области вокруг обнаруженных углов).
Блок повторяет этот процесс до тех пор, пока не найдет все углы изображения или число углов, указанное в параметре «Максимальное число углов».
Угловые значения метрик, вычисленные Minimum eigenvalue и Local intensity comparison методы всегда неотрицательны. Угловые значения метрик, вычисленные Harris corner detection метод может быть отрицательным.
Метод является более дорогостоящим в вычислительном отношении, чем алгоритм обнаружения угла Харриса, поскольку он непосредственно вычисляет собственные значения суммы квадратной матрицы разностей, М.
Сумма квадратичной разностной матрицы M определяется следующим образом:
ACCB]
Предыдущее уравнение основано на следующих значениях:
IxIy) 2⊗w
где и - градиенты входного изображения, I, в направлении x и y. Символ ⊗ обозначает операцию свертки.
Используйте параметр Coefficients for separable smoothing filter для определения вектора коэффициентов фильтра. Блок умножает этот вектор коэффициентов на его транспонирование, чтобы создать матрицу коэффициентов фильтра, w.
Блок вычисляет меньшее собственное значение суммы квадратной матрицы разностей. Это минимальное собственное значение соответствует угловой метрической матрице.
Метод определения угла Харриса позволяет избежать явного вычисления собственных значений матрицы суммы квадратичных разностей путем решения для матрицы метрики угла, R:
(A + B) 2
Определения A, B и C см. в разделе «Метод минимального собственного значения».
Переменная k соответствует коэффициенту чувствительности. Задать его значение можно с помощью параметра Коэффициент чувствительности (0 < k < 0,25). По мере уменьшения k возрастает вероятность того, что алгоритм сможет обнаружить острые углы.
Используйте параметр Coefficients for separable smoothing filter для определения вектора коэффициентов фильтра. Блок умножает этот вектор коэффициентов на его транспонирование, чтобы создать матрицу коэффициентов фильтра, w.
Способ определяет, что пиксель является возможным углом, если он имеет либо N смежных действительных ярких окружающих пикселей, либо N смежных темных окружающих пикселей.
Предположим, что p - рассматриваемый пиксель, а j - один из пикселей, окружающих Р. Местоположения других окружающих пикселей обозначены затененными областями на следующем рисунке. Закрашенные области на этом рисунке обозначают местоположения других окружающих пикселей.

и - интенсивности пикселей p и j соответственно. Пиксель j является допустимым ярким окружающим пикселем, если . Аналогично, пиксель j является действительным темным окружающим пикселем, если . В этих уравнениях T - это значение, указанное для параметра Порог сравнения интенсивности (Intensity comparison threshold).
Блок повторяет этот процесс, чтобы определить, имеет ли блок N смежных действительных окружающих пикселей. Значение N связано со значением, заданным для параметра Максимальный угол (Maximum angle), который считается угловым (в градусах), как показано в этой таблице.
Количество допустимых окружающих пикселов и углов
| Количество допустимых окружающих пикселей | Угол (градусы) |
|---|---|
| 15 | 22.5 |
| 14 | 45 |
| 13 | 67.5 |
| 12 | 90 |
| 11 | 112.5 |
| 10 | 135 |
| 9 | 157.5 |
После того как блок определяет, что пиксель является возможным углом, он вычисляет свою угловую метрику, используя следующее уравнение:
∑j:Ij≥Ip+T'Ip−Ij|−T,∑j:Ij≤Ip−T'Ip−Ij|−T)
[1] Харрис, C. и М Стивенс. «Комбинированный детектор углов и кромок». Материалы четвертой конференции Alvey Vision, 147-151. Август 1988 года.
[2] Ши, Дж. и К. Томази. «Хорошие возможности для отслеживания». Материалы Конференции IEEE по компьютерному зрению и распознаванию образов, 593-600. Июнь 1994 года.
[3] Ростен, Э. и Т. Драммонд. «Слияние точек и линий для высокопроизводительного отслеживания». Материалы Международной конференции IEEE по компьютерному зрению Том 2, 1508-1511. Октябрь 2005 года.
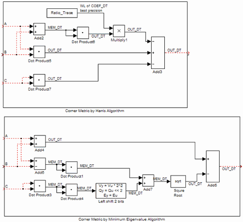
На этих диаграммах показаны типы данных, используемые в блоке обнаружения углов для сигналов с фиксированной точкой. Эти диаграммы применимы только к методам определения угла Харриса и минимального собственного значения.


В следующей таблице представлены переменные, использованные на предыдущих диаграммах.
| Имя переменной | Определение |
|---|---|
| IN_DT | Тип входных данных |
| MEM_DT | Тип данных памяти |
| OUT_DT | Тип выходных данных метрики |
| COEF_DT | Тип данных коэффициентов |
1. Если смысл перевода понятен, то лучше оставьте как есть и не придирайтесь к словам, синонимам и тому подобному. О вкусах не спорим.
2. Не дополняйте перевод комментариями “от себя”. В исправлении не должно появляться дополнительных смыслов и комментариев, отсутствующих в оригинале. Такие правки не получится интегрировать в алгоритме автоматического перевода.
3. Сохраняйте структуру оригинального текста - например, не разбивайте одно предложение на два.
4. Не имеет смысла однотипное исправление перевода какого-то термина во всех предложениях. Исправляйте только в одном месте. Когда Вашу правку одобрят, это исправление будет алгоритмически распространено и на другие части документации.
5. По иным вопросам, например если надо исправить заблокированное для перевода слово, обратитесь к редакторам через форму технической поддержки.
