Кодирование двоичных выборок с помощью сверточного алгоритма с хвостовым укусом
Беспроводная панель инструментов HDL/обнаружение и исправление ошибок
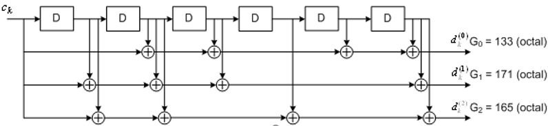
Блок сверточного кодирования LTE реализует многочлены кодирования, определенные стандартом TS 36.212 [1] LTE. Сверточный код имеет длину ограничения 7 и является хвостовым куском со скоростью кодирования 1/3 и восьмеричными многочленами G0 = 133, G1 = 171 и G2 = 165. Блок обеспечивает аппаратно оптимизированную архитектуру и интерфейс.
Этот блок использует интерфейс потоковой выборки с шиной для соответствующих управляющих сигналов. Этот интерфейс позволяет блоку работать независимо от размера кадра и легко соединяться с другими беспроводными блоками HDL Toolbox™. Блок принимает и возвращает значение, представляющее одну выборку, и шину, содержащую три управляющих сигнала. Эти сигналы указывают на достоверность каждого образца и границы кадра. Чтобы преобразовать матрицу в поток выборок и эти управляющие сигналы, используйте блок Frame To Samples или whdlFramesToSamples функция. Полное описание интерфейса см. в разделе Потоковый пример интерфейса.
Размер сообщения может изменяться динамически. Кодированные выходные биты для каждого входного бита возвращаются в виде вектора 3 на 1. [G0 G1 G2].
Блок использует M + 5 циклов для кодирования кадра из M выборок. Поэтому необходимо оставить M + 5 циклов простоя между входными кадрами. Кроме того, можно использовать функцию ctrl выходного сигнала.end чтобы определить, когда блок готов к новому вводу.
Этот сигнал показывает входное сообщение из 40 выборок с 45 циклами простоя между кадрами. Выходные данные представляют собой вектор из трех кодированных битов. Входные и выходные шины ctrl расширяются для отображения управляющих сигналов. start и end показать границы кадра, и valid квалифицирует образцы данных.

Этот блок нельзя использовать в включенной или сбрасываемой подсистеме.
[1] 3GPP TS 36.212. «Мультиплексирование и канальное кодирование». Проект партнерства 3-го поколения; техническая спецификация на сеть радиодоступа группы; Усовершенствованный универсальный наземный радиодоступа (E-UTRA). URL: https://www.3gpp.org.
lteConvolutionalDecode(Панель инструментов LTE) | lteConvolutionalEncode(Панель инструментов LTE)