В этом примере показано, как использовать блок Closed-Loop PID Autotuner для настройки векторного управления (FOC) для асинхронной машины (ASM) всего за одну симуляцию.
В этом примере векторное управление (FOC) для асинхронной машины (ASM) моделируется в Simulink ® с использованием Simscape™ компонентов Electrical™. Модель основана на примере Simscape Трехфазный асинхронный привод с управлением датчиком (Simscape Electrical).
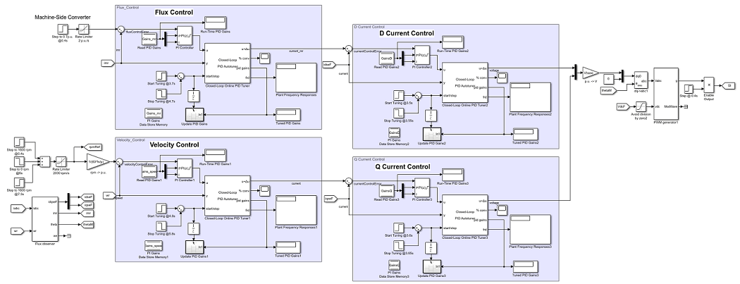
mdl = 'scdfocasmPIDTuning';
open_system(mdl)

Векторное управление управляет 3-фазными токами статора как вектором. FOC основан на проекциях, которые преобразуют 3-фазовую зависящую от времени и скорости систему в две координатно-инвариантную систему. Эти преобразования являются Преобразованием Кларка, Преобразованием Парка и их соответствующими обратными преобразованиями. Эти преобразования реализованы как блоки в подсистеме Controls.
Преимущества использования FOC для управления двигателями переменного тока включают:
Крутящий момент и поток управляются непосредственно и отдельно
Точное переходное и установившееся управление
Аналогичная эффективность по сравнению с двигателями постоянного тока
Подсистема Controls содержит всё четыре ПИ-контроллеров. Скорость внешнего контура ПИ-контроллера регулирует скорость двигателя. Поток из внешнего контура ПИ-контроллера регулирует поток статора. Два внутренних контура ПИ-контроллеров управлять токами по оси D и Q отдельно. Команда от ПИ-контроллера скорости внешнего контура непосредственно подается на ось q, чтобы управлять крутящим моментом. Команда для оси d ненулевая для ASM и является результатом ПИ-контроллера потока из внешнего контура.
Существующие ПИ-контроллеры имеют следующие усиления:
Скорость ПИ-контроллера имеет коэффициент усиления P = 65,47 и I = 3134,24.
Flux ПИ-контроллера имеет усиления P = 52,22 и I = 2790,51.
D-составляющая ПИ-контроллера имеет коэффициент усиления P = 1,08 и I = 207,58.
Q-составляющая ПИ-контроллера имеет коэффициент усиления P = 1.08 и I = 210.02.
Усиления контроллера хранятся в блоке памяти хранилища данных и предоставляются извне каждому блоку ПИД. Когда процесс настройки для контроллера завершен, новые настроенные усиления записываются в блок Data Store Memory. Это строение позволяет вам обновить усиления контроллера в реальном времени во время симуляции.
Блок Closed-Loop ПИД Autotuner позволяет настраивать по одному ПИД-регулятору за раз. Он вводит синусоидальные сигналы возмущения на входе объекта и измеряет выход объекта во время эксперимента с обратной связью. Когда эксперимент останавливается, блок вычисляет коэффициенты ПИД на основе частотных характеристик объекта, оцененных в небольшом числе точек вблизи желаемой полосы пропускания. Для этой модели FOC ASM может использоваться блок Closed-Loop ПИД Autotuner для каждого из четырёх ПИ-контроллеров.
Этот рабочий процесс применяется, когда у вас есть начальные контроллеры, которые вы хотите вернуть с помощью блока Closed-Loop PID Autotuner. Преимущества этого подхода заключаются в следующем:
Если в ходе эксперимента возникнет неожиданное нарушение порядка, это отклоняется существующим контроллером для обеспечения безопасной операции.
Существующий контроллер поддерживает объект вблизи ее номинальной рабочей точки, подавляя сигналы возмущения.
При использовании блока Closed-Loop PID Autotuner как для симуляций, так и для приложений реального времени:
Этот объект должен быть либо асимптотически стабильным (все полюсы строго стабильны), либо интегрированным. Блок autotuner не работает с нестабильным объектом.
Цикл обратной связи с существующим контроллером должен быть стабильным.
Чтобы более точно оценить частотные характеристики объекта в реальном времени, минимизируйте вхождение любых нарушений порядка в модели FOC ASM во время эксперимента. Блок autotuner ожидает, что выход объекта управления будет ответом только на введенные сигналы возмущения.
Поскольку цикл обратной связи закрыт во время эксперимента, существующий контроллер также подавляет введенные сигналы возмущения. Преимущество использования эксперимента с обратной связью состоит в том, что контроллер удерживает объект рядом с номинальной рабочей точкой и поддерживает безопасную операцию. Недостатком является то, что это снижает точность оценки частотной характеристики, если ваша целевая полоса пропускания находится далеко от текущей полосы пропускания.
Вставьте блок Closed-Loop ПИД Autotuner между блоком ПИД и объектом для всего четырёх ПИ-контроллеров, как показано на модели FOC ASM. The start/stop сигнал запускается и останавливает эксперимент с обратной связью. Когда ни один эксперимент не выполняется, блок Closed-Loop PID Autotuner ведет себя как блок усиления единства, куда
сигнал непосредственно переходит.
Просмотрите исходную структуру управления для конвертера со стороны машины с четырёх ПИ-контроллеров.
Чтобы изменить структуру управления, включите блок Closed-Loop ПИД Autotuner в каждый из ПИ-контроллеров. Просмотрите измененную структуру управления для конвертера со стороны машины.
После соединения блока Closed-Loop PID Autotuner с моделью объекта управления и блоком ПИД, настройте настройку и экспериментируйте.
На вкладке Tuning есть две основные настройки настройки:
Целевая полоса пропускания - определяет, насколько быстро вы хотите, чтобы контроллер ответил. В этом примере выберите 5000 рад/с для регулирования тока во внутреннем контуре и 200 рад/с для управления внешним контуром.
Целевой запас по фазе - определяет, насколько устойчивым вы хотите, чтобы контроллер был. В этом примере выберите 70 степени для регулирования тока внутри контура и 90 степени для управления внешним контуром.
На вкладке Эксперимент существуют три основные настройки эксперимента:
Тип объекта - определяет, является ли объект асимптотически стабильным или интегрирующимся. В этом примере модель FOC ASM стабильна.
Знак объекта - определяет, имеет ли объект положительный или отрицательный знак. Знак объекта управления положительный, если положительное изменение входного параметра объекта входа в номинальной рабочей точке приводит к положительному изменению выхода объекта управления, когда объект достигает нового устойчивого состояния. В противном случае знак объекта отрицателен. Если объект является стабильным, знак объекта эквивалентен признаку усиления постоянного тока. Если объект интегрируется, знак завода положителен (или отрицателен), если выход объекта продолжает увеличиваться (или уменьшаться). В этом примере модель FOC ASM имеет положительный знак объекта.
Амплитуды синуса - задает амплитуды вводимых синусоид. В этом примере выберите 0.25 для контроллеров и 0.01 внутреннего контура для контроллеров с внешним контуром, чтобы убедиться, что объект правильно возбужден в пределах предела насыщения. Если амплитуда возбуждения слишком велика или слишком мала, это приведет к неточным результатам оценки частотной характеристики.
Поскольку блок Closed-Loop ПИД Autotuner настраивает только по одному ПИ-контроллеру за раз, четыре контроллера должны быть настроены отдельно в модели FOC ASM. Сначала настройте контроллеры внутреннего контура, а затем настройте контроллеры внешнего контура.
Токовый контроллер оси d настраивается между 3,5 и 3,55 с.
Токовый контроллер q-составляющей настраивается между 3,6 и 3,65 с.
Контроллер потока настраивается между 3,7 и 4,7 с.
Контроллер скорости настраивается между 4,8 и 5,8 с.
После настройки каждого ПИ-контроллера коэффициент усиления контроллера обновляется через блок Данных Store Памяти.
В этом примере модель FOC ASM построена в Simulink. Все четыре контроллера настроены в одной симуляции. В сложение отклики скорости сравниваются до и после настройки контроллеров. Тестируемые сценарии включают процесс ускорения и изменение крутящей нагрузки (величина 1 p.u.).
Симуляция модели FOC ASM обычно занимает на вашем компьютере несколько минут из-за небольшого шага расчета контроллера силовой электроники двигателя.
sim(mdl) logsout_autotuned = logsout; save('AutotunedSpeed','logsout_autotuned');
Следующий рисунок показывает общий результат симуляции.
Серая область на предыдущем рисунке показывает ток и скорость откликов во время настройки, от 3,5 до 5,8 секунд. Изменения тока и скорости мотора очень малы. Скорость двигателя достигает номинальной 1600 об/мин перед началом процесса автотунирования.
Четыре ПИ-контроллеров настроены с новыми усилениями.
Скорость, ПИ-контроллер имеет коэффициент усиления P = 158,8 и I = 2110.
ПИ-контроллер потока имеет усиления P = 129,3 и I = 1732.
D-составляющая ПИ-контроллера имеет коэффициент усиления P = 1.611 и I = 627.6.
Q-составляющая ПИ-контроллера имеет усиления P = 2.029 и I = 829,9.
Те же самые опорные скорости ротора и крутящие нагрузки прикладываются до и после процесса автотунирования. Постройте график ошибок скорости ротора относительно номинальной 1600 об/мин до и после настройки контроллеров с помощью блока Closed-Loop PID Autotuner. Кривые ошибки скорости выравниваются по времени, чтобы сравнить характеристики контроллера один за другим.
scdfocasmPIDTuningPlotSpeed


После настройки контроллеров скоростная характеристика асинхронного двигателя имеет более быстрый переходный процесс и меньшую установившуюся ошибку во время ускорения и при изменении крутящей нагрузки.
bdclose(mdl)