exponenta event banner

setlinio

Сохраните линейные аналитические точки в модель Simulink, блок Linear Analysis Plots или блок Model Verification

Синтаксис

setlinio(mdl,io)
setlinio(blockpath,io)
oldio = setlinio(___)

Описание

пример

setlinio(mdl,io) написали аналитические точки, заданные в io к модели mdl Simulink®.

пример

setlinio(blockpath,io) устанавливает заданные аналитические точки на заданный блок Linear Analysis Plots или блок Model Verification.

пример

oldio = setlinio(___) возвращает текущий набор аналитических точек в модели или блоке и заменяет их на io с помощью любого из предыдущих синтаксисов.

Примеры

свернуть все

Открытая модель Simulink.

model = 'magball';
open_system(model)

Создайте вектор аналитических точек для линеаризации модели объекта управления:

  • Введите возмущение при выводе блока Controller

  • Разомкнутый цикл выводится при выводе блока Magnetic Ball Plant

io(1) = linio('magball/Controller',1,'input');
io(2) = linio('magball/Magnetic Ball Plant',1,'openoutput');

Запишите, что анализ указывает на модель magball.

setlinio(model,io);

Аналитические точки в io добавляются к модели как аннотации. Можно затем сохранить модель, чтобы сохранить аналитические точки с моделью.

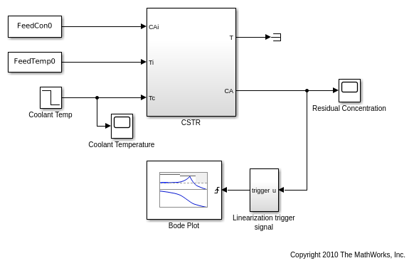
Открытая модель Simulink.

open_system('scdcstr')

Создайте аналитические точки для нахождения передаточной функции между температурой хладагента и остаточной концентрацией.

  • Введите возмущение при выводе блока Coolant Temp

  • Выведите измерение в CA вывод блока CSTR

io(1) = linio('scdcstr/Coolant Temp',1,'input');
io(2) = linio('scdcstr/CSTR',2,'output');

Установите аналитические точки в блоке Bode Plot.

setlinio('scdcstr/Bode Plot',io);

Просмотрите аналитические точки в диалоговом окне Bode Plot Block Parameters.

open_system('scdcstr/Bode Plot')

Во время симуляции программное обеспечение линеаризует модель с помощью заданного анализа и строит значение и фазовые отклики для получившейся линейной системы.

Открытая модель Simulink.

mdl = 'scdpwm';
open_system(mdl)

Эта модель сконфигурирована с аналитическими точками для нахождения объединенной передаточной функции блоков объекта и PWM.

Создайте аналитические точки для нахождения передаточной функции только модели объекта управления.

io(1) = linio('scdpwm/Voltage to PWM',1,'input');
io(2) = linio('scdpwm/Plant Model',1,'output');

Сохраните аналитические точки к модели и сохраните предыдущую аналитическую настройку точки.

oldio = setlinio(mdl,io)
2x1 vector of Linearization IOs: 
--------------------------
1. Linearization input perturbation located at the following signal:
- Block: scdpwm/Step
- Port: 1
2. Linearization output measurement located at the following signal:
- Block: scdpwm/Plant Model
- Port: 1

Входные параметры

свернуть все

Имя модели Simulink, заданное как вектор символов или строка. Модель должна быть в текущей рабочей папке или на пути MATLAB®.

Если модель не является открытой или загруженной в память, setlinio загружает модель в память.

Аналитический набор точки, заданный как объект I/O линеаризации или вектор объектов ввода-вывода линеаризации.

Каждый объект I/O линеаризации имеет следующие свойства:

СвойствоОписание
Active

Отметьте указание, использовать ли аналитическую точку для линеаризации, заданной как одно из следующего:

  • 'on' — Используйте аналитическую точку для линеаризации. Это значение является опцией по умолчанию.

  • 'off' Не используйте аналитическую точку для линеаризации. Используйте эту опцию, если у вас есть существующий набор аналитических точек, и вы хотите линеаризовать модель с подмножеством этих точек.

Block

Полный блок path блока, с которым сопоставлена аналитическая точка, задал как вектор символов.

PortNumber

Выходной порт, с которым сопоставлена аналитическая точка, задал как целое число.

Type

Аналитический тип точки, заданный как одно из следующего:

  • входной параметр Введите возмущение

  • вывод Выведите измерение

  • 'loopbreak' — Пропуск цикла

  • 'openinput' — Разомкнутый цикл вводится

  • 'openoutput' — Разомкнутый цикл выводится

  • 'looptransfer' — Передача цикла

  • 'sensitivity' — Чувствительность

  • 'compsensitivity' — Дополнительная чувствительность

Для получения дополнительной информации об аналитических типах точки смотрите, Задают Фрагмент Модели, чтобы Линеаризовать.

BusElement

Соедините шиной имя элемента, с которым аналитическая точка сопоставлена, задана как вектор символов или '', если аналитическая точка не является элементом шины.

Description

Заданное пользователями описание аналитической точки, которую можно установить для удобства, заданного как вектор символов.

Линейный блок Analysis Plots или блок Model Verification, заданный как вектор символов или строка, которая содержит ее полный блок path. Модель, которая содержит блок, должна быть в текущей рабочей папке или на пути MATLAB.

Для получения дополнительной информации о:

Выходные аргументы

свернуть все

Старый аналитический набор точки, возвращенный как объект I/O линеаризации или вектор объектов ввода-вывода линеаризации.

Альтернативная функциональность

Модель Simulink

Можно также задать аналитические точки непосредственно в модели Simulink. Для получения дополнительной информации смотрите, Задают Фрагмент Модели, чтобы Линеаризовать в Модели Simulink.

Представлено до R2006a