Этот пример показывает, как использовать блок Closed-Loop PID Autotuner, чтобы настроить Ориентированное на поле управление (FOC) для асинхронной машины (ASM) во всего одной симуляции.
В этом примере ориентированное на поле управление (FOC) для асинхронной машины (ASM) моделируется в Simulink® с помощью компонентов Simscape™ Electrical™. Модель основана на примере Simscape Трехфазный Асинхронный Диск с Управлением Датчиком (Simscape Electrical).
mdl = 'scdfocasmPIDTuning';
open_system(mdl)

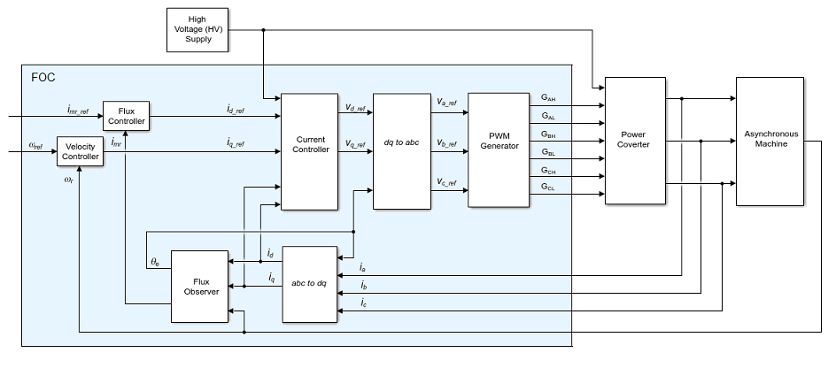
Ориентированное на поле управление управляет 3-фазовыми токами статора как вектором. FOC основан на проекциях, которые преобразовывают 3-фазовую зависящую от времени и зависимую скоростью систему в две координатных независимых от времени системы. Эти преобразования являются Преобразованием Кларка, Преобразованием Парка, и их соответствующая инверсия преобразовывает. Эти преобразования реализованы как блоки в подсистеме Средств управления.
Преимущества использования FOC, чтобы управлять электродвигателями переменного тока включают:
Закрутите и теките управляемые непосредственно и отдельно
Точное переходное и установившееся управление
Подобная производительность по сравнению с двигателями постоянного тока
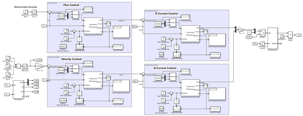
Подсистема Средств управления содержит все четыре контроллера PI. Контроллер PI скорости внешнего цикла регулирует скорость двигателя. Контроллер PI потока внешнего цикла регулирует поток статора. Два контроллера PI внутреннего цикла управляют d-осью и токами q-оси отдельно. Команда от диспетчера PI скорости внешнего цикла непосредственно питается к q-оси, чтобы управлять крутящим моментом. Команда для d-оси является ненулевой для ASM и является результатом контроллера PI потока внешнего цикла.
У существующих контроллеров PI есть следующие усиления:
У контроллера PI скорости есть усиления P = 65.47 и я = 3134.24.
У контроллера PI потока есть усиления P = 52.22 и я = 2790.51.
У контроллера PI D-оси есть усиления P = 1.08 и я = 207.58.
У контроллера PI Q-оси есть усиления P = 1.08 и я = 210.02.
Усиления контроллера хранятся в Блоке памяти Хранилища данных и предоставленный внешне каждому блоку PID. Когда настраивающий процесс для контроллера завершен, новые настроенные усиления записаны в Блок памяти Хранилища данных. Эта настройка позволяет вам обновлять свои усиления контроллера в режиме реального времени во время симуляции.
Блок Closed-Loop PID Autotuner позволяет вам настраивать один ПИД-регулятор за один раз. Это вводит синусоидальные сигналы возмущения во входе объекта и измеряет объект вывод во время эксперимента с обратной связью. Когда эксперимент останавливается, блок вычисляет коэффициенты ПИД на основе частотных характеристик объекта, оцененных в маленьком числе точек около желаемой пропускной способности. Для этой модели FOC ASM блок Closed-Loop PID Autotuner может использоваться для каждого из четырех контроллеров PI.
Этот рабочий процесс применяется, когда у вас есть начальные контроллеры, что вы хотите повторно настроить использование блока Closed-Loop PID Autotuner. Преимущества этого подхода:
Если существует неожиданное воздействие во время эксперимента, оно отклоняется существующим контроллером, чтобы гарантировать безопасную работу.
Существующий контроллер поддерживает объект в рабочем состоянии около его номинальной рабочей точки путем подавления сигналов возмущения.
При использовании блока Closed-Loop PID Autotuner и для симуляций и для приложений реального времени:
Объект должен быть любой асимптотически стабильным (все полюса строго стабильны), или интеграция. Блок автотюнера не работает с нестабильным объектом.
Обратная связь с существующим контроллером должна быть стабильной.
Чтобы оценить частотные характеристики объекта более точно в режиме реального времени, минимизируйте вхождение любого воздействия в модели FOC ASM во время эксперимента. Блок автотюнера ожидает объект, о котором вывод, чтобы быть ответом на введенное возмущение сигнализирует только.
Поскольку обратная связь закрывается во время эксперимента, существующий контроллер подавляет введенные сигналы возмущения также. Преимущество использования эксперимента с обратной связью состоит в том, что контроллер поддерживает объект в рабочем состоянии около номинальной рабочей точки и поддерживает безопасную работу. Недостаток - то, что это уменьшает точность оценки частотной характеристики, если ваша целевая пропускная способность далеко от текущей пропускной способности.
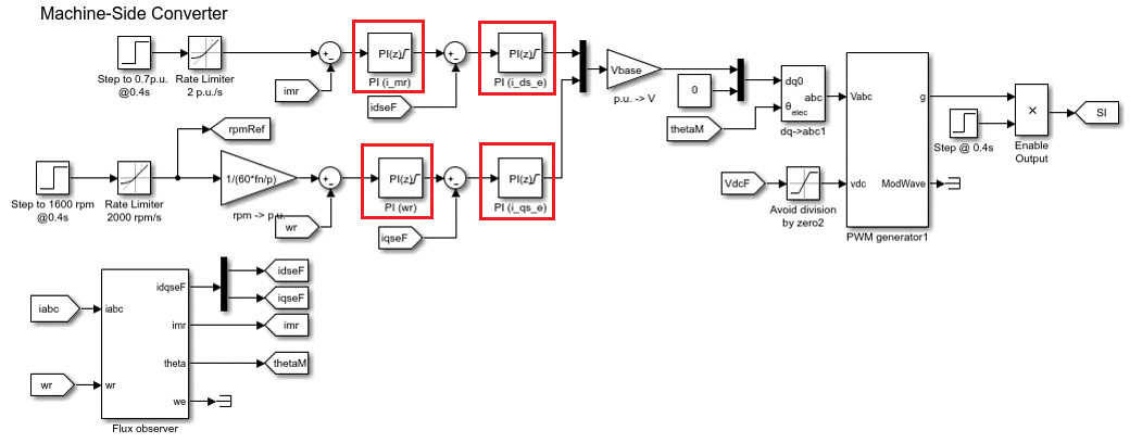
Вставьте блок Closed-Loop PID Autotuner между блоком PID и объектом для всех четырех контроллеров PI, как показано в модели FOC ASM. Сигнал start/stop запускает и останавливает эксперимент с обратной связью. Когда никакой эксперимент не запускается, блок Closed-Loop PID Autotuner ведет себя как блок усиления единицы, куда
сигнал непосредственно передает
.
Просмотрите исходную управляющую структуру для конвертера машины стороны с четырьмя контроллерами PI.
Чтобы изменить управляющую структуру, включите Блок Автотюнера ПИДа С обратной связью каждому из контроллеров PI. Просмотрите измененную управляющую структуру для конвертера машины стороны.
После соединения блока Closed-Loop PID Autotuner с моделью объекта управления и блока PID, сконфигурируйте настройки настройки и эксперимента.
На вкладке Tuning существует две основных настраивающих настройки:
Целевая пропускная способность - Определяет, как быстро вы хотите, чтобы контроллер ответил. В этом примере выберите рад/секунда 5000 для внутреннего цикла текущее управление и рад/секунда 200 для управления внешнего цикла.
Целевое поле фазы - Определяет, как устойчивый вы хотите, чтобы контроллер был. В этом примере выберите степени 70 для внутреннего цикла текущее управление и степени 90 для управления внешнего цикла.
На вкладке Experiment существует три основных настройки эксперимента:
Тип объекта - Задает, стабилен ли объект асимптотически или объединяется. В этом примере модель FOC ASM стабильна.
Знак объекта - Задает, имеет ли объект положительный или знак минус. Знак объекта положителен, если положительное изменение во входе объекта в номинальной рабочей точке приводит к положительному изменению на объекте вывод, когда объект достигает нового устойчивого состояния. В противном случае знак объекта отрицателен. Если объект стабилен, знак объекта эквивалентен знаку своего усиления dc. Если объект объединяется, знак объекта положителен (или отрицателен), если объект вывод продолжает увеличиваться (или уменьшаться). В этом примере модель FOC ASM имеет положительный знак объекта.
Амплитуды синуса - Задают амплитуды введенных синусоид. В этом примере выберите 0.25 для контроллеров внутреннего цикла и 0.01 для контроллеров внешнего цикла, чтобы гарантировать, что объект правильно взволнован в пределе насыщения. Если амплитуда возбуждения будет или слишком большой или слишком маленькой, она приведет к неточным результатам оценки частотной характеристики.
Поскольку блок Closed-Loop PID Autotuner только настраивает один контроллер PI за один раз, эти четыре контроллера должны быть настроены отдельно в модели FOC ASM. Настройте контроллеры внутреннего цикла сначала, и затем настройте контроллеры внешнего цикла.
D-ось текущий контроллер настраивается между 3,5 и 3,55 секундами.
Q-ось текущий контроллер настраивается между 3,6 и 3,65 секундами.
Контроллер потока настраивается между 3,7 и 4,7 секундами.
Контроллер скорости настраивается между 4,8 и 5,8 секундами.
После настройки каждого контроллера PI усиления контроллера обновляются через Блок памяти Хранилища данных.
В этом примере модель FOC ASM создана в Simulink. Все четыре контроллера настраиваются в одной симуляции. Кроме того, ответы скорости сравнены до и после настройки контроллеров. Сценарии под тестом включают ускоряющий процесс и закручивают изменения загрузки (значение 1 p.u.).
Симуляция модели FOC ASM обычно занимает несколько минут на вашем компьютере из-за времени небольшой выборки контроллера силовой электроники двигателя.
sim(mdl) logsout_autotuned = logsout; save('AutotunedSpeed','logsout_autotuned');
Следующие данные показывают полный результат симуляции.
Серая область в предыдущей фигуре показывает текущие ответы и ответы скорости во время настройки, от 3,5 до 5,8 секунд. Изменения в токе и в частоте вращения двигателя являются очень небольшими. Частота вращения двигателя достигает номинального об/мин 1600, прежде чем процесс автоматической настройки начнется.
Четыре контроллера PI настраиваются с новыми усилениями.
У контроллера PI скорости есть усиления P = 158.8 и я = 2110.
У контроллера PI потока есть усиления P = 129.3 и я = 1732.
У контроллера PI d-оси есть усиления P = 1.611 и я = 627.6.
У контроллера PI q-оси есть усиления P = 2.029 и я = 829.9.
Те же ссылки скорости ротора и загрузки крутящего момента применяются до и после процесса автоматической настройки. Скоростные погрешности ротора графика относительно номинального об/мин 1600 до и после контроллеров настраиваются с помощью блока Closed-Loop PID Autotuner. Кривые скоростной погрешности выравниваются вовремя, чтобы сравнить производительность контроллера бок о бок.
scdfocasmPIDTuningPlotSpeed


После настройки контроллеров ответ скорости асинхронного двигателя имеет более быстрый переходный ответ и меньшую установившуюся ошибку во время ускорения и когда загрузка крутящего момента изменяется.
bdclose(mdl)
Автотюнер ПИДа с обратной связью