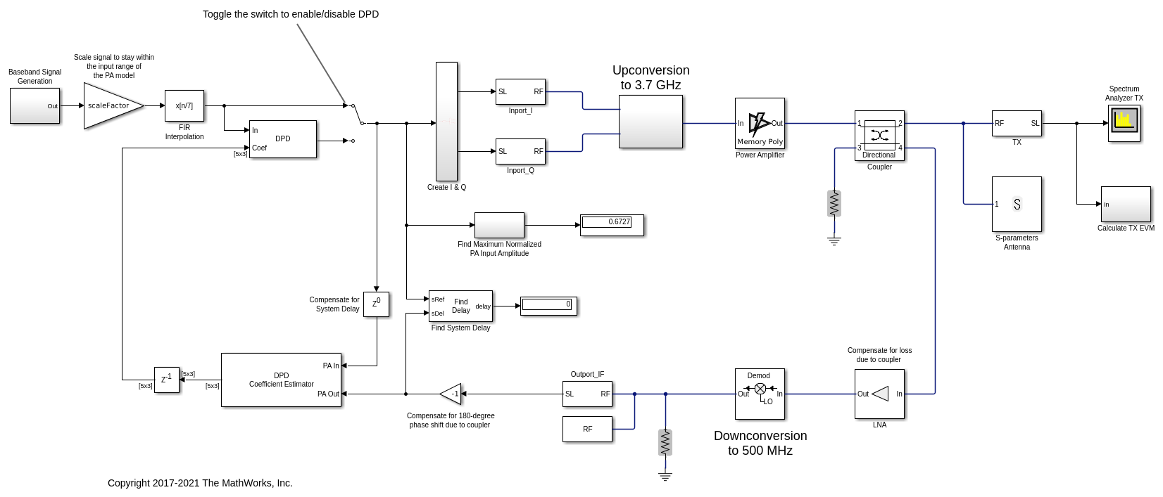
Примените нарушения RF и коррекции. Проекты фронтенда RF модели, содержащие усилители, микшеры и цифровое предварительное искажение (DPD).
| Wireless Waveform Generator | Создайте, повредите, визуализируйте и экспортируйте модулируемые формы волны |
fspl | Потери при распространении в свободном пространстве |
iqimbal | Примените разбаланс I/Q к входному сигналу |
iqcoef2imbal | Преобразуйте коэффициент компенсатора в амплитуду и разбаланс фазы |
iqimbal2coef | Преобразуйте разбаланс I/Q в коэффициент компенсатора |
plotPhaseNoiseFilter | Постройте отклик блока фильтрации фазовых шумов |
comm.MemorylessNonlinearity | Примените нелинейность без памяти, чтобы объединить сгенерированный модулированный сигнал |
comm.PhaseFrequencyOffset | Примените фазу и смещения частоты к входному сигналу |
comm.PhaseNoise | Примените шум фазы к сгенерированному модулированному сигналу |
comm.ThermalNoise | Добавьте тепловой шум к сигналу |
comm.AGC | Адаптивно настройте усиление для постоянного уровня сигнала выход |
comm.CoarseFrequencyCompensator | Компенсируйте смещение частоты для PAM, PSK или QAM |
dsp.DCBlocker | Блокируйте компонент DC (смещение) от входного сигнала |
comm.DPD | Цифровое предыскажение |
comm.DPDCoefficientEstimator | Оцените полиномиальные памятью коэффициенты для цифрового предварительного искажения |
comm.IQImbalanceCompensator | Компенсируйте разбаланс I/Q |
| Amplifier (Idealized Baseband) | Объедините основополосную модель усилителя с шумом и нелинейностью |
| I/Q Imbalance | Примените неустойчивость I/Q, чтобы объединить сигнал |
| Memoryless Nonlinearity | Примените нелинейность без памяти, чтобы объединить сгенерированный модулированный сигнал |
| Phase/Frequency Offset | Примените фазу и смещения частоты, чтобы объединить сгенерированный модулированный сигнал |
| Phase Noise | Примените шум фазы приемника, чтобы объединить сгенерированный модулированный сигнал |
| Free Space Path Loss | Примените потери при распространении в свободном пространстве, чтобы объединить сигнал |
| Receiver Thermal Noise | Примените тепловой шум приемника, чтобы объединить сигнал |
| Complex Phase Difference | Разность фаз между двумя комплексными сигналами |
| Complex Phase Shift | Примените комплексный сдвиг фазы, чтобы объединить сигнал |
| AGC | Адаптивно настройте усиление для постоянного уровня выходного сигнала |
| Coarse Frequency Compensator | Компенсируйте смещение несущей частоты для PAM, PSK или QAM |
| DC Blocker | Блокируйте постоянную составляющую |
| DPD | Цифровое предыскажение |
| DPD Coefficient Estimator | Оцените полиномиальные памятью коэффициенты для цифрового предварительного искажения |
| I/Q Compensator Coefficient to Imbalance | Преобразуйте коэффициент компенсатора в амплитуду и разбаланс фазы |
| I/Q Imbalance Compensator | Компенсируйте неустойчивость между квадратурными компонентами и синфазным |
| I/Q Imbalance to Compensator Coefficient | Преобразует амплитуду и разбаланс фазы в коэффициент компенсатора I/Q |
| Complex Phase Difference | Разность фаз между двумя комплексными сигналами |
| Complex Phase Shift | Примените комплексный сдвиг фазы, чтобы объединить сигнал |
Примените различные нарушения RF к сигналу QAM.
1. Если смысл перевода понятен, то лучше оставьте как есть и не придирайтесь к словам, синонимам и тому подобному. О вкусах не спорим.
2. Не дополняйте перевод комментариями “от себя”. В исправлении не должно появляться дополнительных смыслов и комментариев, отсутствующих в оригинале. Такие правки не получится интегрировать в алгоритме автоматического перевода.
3. Сохраняйте структуру оригинального текста - например, не разбивайте одно предложение на два.
4. Не имеет смысла однотипное исправление перевода какого-то термина во всех предложениях. Исправляйте только в одном месте. Когда Вашу правку одобрят, это исправление будет алгоритмически распространено и на другие части документации.
5. По иным вопросам, например если надо исправить заблокированное для перевода слово, обратитесь к редакторам через форму технической поддержки.










