Создание реализаций фильтра с использованием блоков цифрового фильтра или блоков суммирования, усиления и задержки
Реализация фильтрации/фильтрации
dsparch4
Примечание
Этот блок используется для реализации цифровых фильтров с фиксированной или плавающей запятой с использованием блоков суммирования, усиления и задержки или блоков цифровых фильтров из библиотеки Toolbox™ системы DSP. Можно либо спроектировать фильтр с помощью параметров блока, либо импортировать коэффициенты фильтра, созданного в другом месте.
Следующие блоки также реализуют цифровые фильтры, но служат несколько другим целям:
Дискретный фильтр FIR (Simulink) и фильтр Biquad - используется для реализации фильтров с плавающей или фиксированной запятой, которые вы уже разработали
Проектирование цифровых фильтров - используется для проектирования, анализа и последующей реализации фильтров с плавающей запятой.
Мастер реализации фильтра - это инструмент для автоматической реализации цифрового фильтра. Необходимо указать фильтр, его структуру и типы данных для входов, выходов и вычислений. Фильтр может поддерживать типы данных с двойной точностью, с одной точностью или с фиксированной точкой.
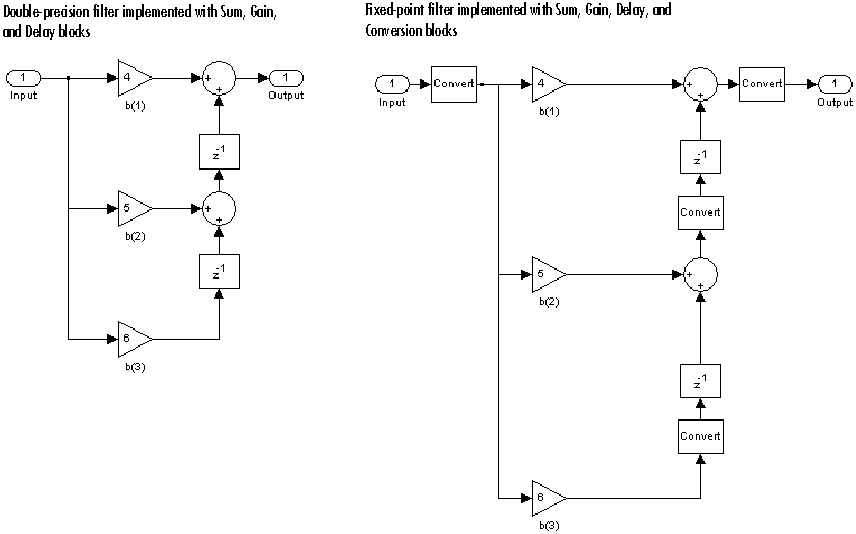
Мастер реализации фильтров может реализовать цифровой фильтр одним из двух способов. Он может использовать цифровые блоки фильтров из библиотеки системных инструментов DSP или может создать блок подсистемы, реализующий указанный фильтр с помощью блоков Sum (Simulink), Gain (Simulink) и Delay. Если мастер реализации фильтра создает блок, дважды щелкните его, чтобы открыть диалоговое окно. Если создается подсистема, дважды щелкните блок подсистемы, чтобы увидеть реализацию фильтра, как показано на рисунке ниже.

Дополнительные сведения о реализации фильтра см. в разделе Указание реализации фильтра.
Параметры мастера реализации фильтра являются частью более крупного приложения, дизайнера фильтров (filterDesigner). Конструктор фильтров можно использовать для проектирования и анализа фильтра, а затем использовать параметры мастера реализации фильтров для реализации фильтра в моделях.
Чтобы задать фильтр с двойной точностью, можно либо спроектировать фильтр с помощью панели «Фильтр проекта», либо импортировать фильтр с помощью панели «Импорт фильтра». На панели «Импорт фильтра» можно указать коэффициенты непосредственно или переменные рабочей области, в которых хранятся коэффициенты.
С помощью панели «Задать параметры квантования» можно также задать фильтр с фиксированной точкой или фильтр с одной точностью.
Примечание
Для запуска модели, содержащей реализации фильтров с фиксированной точкой, требуется продукт Fixed-Point Designer™, но можно редактировать модели, содержащие такие реализации фильтров, без него. Для получения дополнительной информации см. документацию Fixed-Point Designer.
Для получения информации об использовании панелей для определения фильтра см. следующие разделы:
Дополнительные сведения о панели «Фильтр проекта» см. в разделе filterDesigner.
Дополнительные сведения о панели «Импорт фильтра» см. в разделе Импорт конструкции фильтра.
Дополнительные сведения о панели «Задать параметры квантования» см. в разделе Доступ к функциям квантования конструктора фильтров.
Чтобы открыть панель, нажмите соответствующую кнопку в левом нижнем углу конструктора фильтров.
Мастер реализации фильтра поддерживает следующие структуры:
Прямая форма I
Прямая форма I, разделы второго порядка
Прямая форма, транспонированная I
Прямая форма I транспонированные, секции второго порядка
Прямая форма II
Прямая форма II, разделы второго порядка
Прямая форма II транспонирована
Прямая форма II транспонированные, секции второго порядка
Прямая форма FIR
Прямая форма FIR транспонирована
Прямая форма симметричной FIR
Антисимметричная КИХ прямой формы
Решётка вседорожная
Решетка AR
Решетчатое перемирие
Решетка MA для максимальной фазы
Решетка MA для минимальной фазы
Каскад
Параллель
Можно определить, как мастер реализации фильтра моделирует указанный фильтр. На панели «Реализация модели» установите флажок «Построить модель с использованием базовых элементов». При установке этого флажка и нажатии кнопки Реализовать модель мастер реализации фильтра создает блок подсистемы, реализующий фильтр с помощью блоков Сумма (Simulink), Усиление (Simulink) и Задержка. При снятии этого флажка мастер реализации фильтра использует цифровой блок фильтра для реализации фильтра. Флажок Построить модель с использованием базовых элементов (Build model using basic elements) доступен только в том случае, если фильтр может быть реализован с помощью блока цифрового фильтра, доступного в библиотеке инструментов системы DSP.
Мастер реализации фильтра может создать подсистему, представляющую либо фильтр с двойной точностью, либо фильтр с фиксированной точкой. Для моделирования фильтра с фиксированной точкой необходимо установить продукт Fixed-Point Designer. По-прежнему можно редактировать блоки, используемые для реализации фильтра, без установки продукта Fixed-Point Designer.
Реализации фильтров с двойной точностью и фиксированными точками

Можно ввести realizemdl( в командной строке MATLAB ® для создания архитектурной модели фильтра System object™ ,sysobj)в блоке подсистемы Simulink ®, использующем отдельные блоки суммирования, усиления и задержки, в соответствии с заданными пользователем спецификациями. Дополнительные сведения см. в разделеsysobjrealizemdl.
Примечание
Следующие параметры мастера реализации фильтра находятся на панели Реализовать модель (Implement Model) в приложении дизайнера фильтров. Чтобы открыть различные панели конструктора фильтров, нажмите различные кнопки в левом нижнем углу. Дополнительные сведения о соответствующих панелях см. в разделе Определение фильтров и типов данных.
Введите имя нового блока фильтра.
Укажите место создания нового блока фильтра. Это может быть в новой модели или в текущей (последней выбранной) модели.
Укажите имя целевой подсистемы, в которой мастер реализации фильтра должен создать новый блок фильтра.
При выборе этого параметра блок перезаписывает любой блок фильтра в текущей модели с именем, указанным в параметре «Имя блока». Этот параметр активируется, если для параметра Destination установлено значение Current.
Установите этот флажок для реализации фильтра с помощью блоков «Сумма», «Коэффициент усиления» и «Задержка». Снимите этот флажок, чтобы реализовать фильтр с использованием цифровых блоков фильтров из библиотеки системных инструментов DSP. Этот параметр доступен только в том случае, если фильтр можно смоделировать с помощью доступного блока цифрового фильтра.
Установите этот флажок, чтобы удалить пути с нулевым коэффициентом усиления из структуры фильтра. Пример см. в разделе Оптимизация структуры фильтра.
Установите этот флажок, чтобы заменить коэффициенты усиления, равные 1, проводом (короткое замыкание). Пример см. в разделе Оптимизация структуры фильтра.
Установите этот флажок для замены коэффициентов усиления, равных -1, проводом (короткое замыкание) и измените соответствующие суммы на вычитания. Пример см. в разделе Оптимизация структуры фильтра.
Установите этот флажок, чтобы заменить все цепочки задержки, состоящие из n единичных задержек, одной задержкой на n. Пример см. в разделе Оптимизация структуры фильтра.
Установите этот флажок, чтобы удалить все умножения масштабных значений на 1 из структуры фильтра.
Укажите, как генерируемый блок фильтра или блок подсистемы обрабатывает входные данные. В зависимости от типа проектируемого фильтра может быть доступна одна или обе из следующих опций:
Columns as channels (frame based) - При выборе этой опции блок обрабатывает каждый столбец ввода как отдельный канал.
Elements as channels (sample based) - При выборе этой опции блок обрабатывает каждый элемент ввода как отдельный канал.
Дополнительные сведения об обработке образцов и кадров см. в разделе Концепции образцов и кадров.
Для многоскоростных фильтров укажите, как блок должен обрабатывать входные данные. Можно задать для этого параметра одну из следующих опций:
Enforce single-rate processing - При выборе этой опции блок сохраняет входную частоту дискретизации.
Allow multirate processing - При выборе этой опции блок корректирует скорость на выходе в соответствии с увеличенным или уменьшенным количеством выборок.
Щелкните, чтобы создать блок фильтра в соответствии с заданными параметрами. Если установлен флажок Построить модель с использованием базовых элементов (Build model using basic elements), фильтр реализуется как блок подсистемы, состоящий из блоков Сумма (Sum), Коэффициент усиления (Gain) и Задержка (Delay). Чтобы увидеть реализацию фильтра, дважды щелкните блок подсистемы в модели.
Примечание
Дополнительные сведения о соответствующих параметрах на других панелях конструктора фильтров см. в разделе Определение фильтров и типов данных.
Плавающая точка с двойной точностью
Плавающая точка с одинарной точностью - поддерживается только при установке Fixed-Point Designer.
Фиксированная точка (подписанная и неподписанная) - поддерживается только при установке Fixed-Point Designer и Fixed-Point Designer.
[1] Оппенгейм, А. В. и Р. В. Шефер. Дискретно-временная обработка сигналов. Энглвуд Клиффс, Нью-Джерси: Прентис Холл, 1989.
[2] Проакис, Дж. и Д. Манолакис. Цифровая обработка сигналов. 3-й ред. Энглвуд Клиффс, Нью-Джерси: Прентис-Холл, 1996.