В этом учебном пособии показано, как моделировать трубопровод термической жидкости с приводом от насоса. Трубопроводная система содержит насос, трубу и два резервуара термической жидкости. Насос вырабатывает энергию, и труба передает жидкость между резервуарами. Резервуары действуют как граничные условия давления и температуры для трубопроводной системы. Следует отметить, что термин «термическая» относится к свойствам твердой системы, тогда как термин «термическая жидкость» относится к свойствам жидкостной системы.
Схема тепложидкостного трубопровода

Условия в резервуаре фиксируют при комнатной температуре 293,15 К и атмосферном давлении 0,101325 МПа. Температура наружной поверхности трубы фиксируется при температуре 275 К. Объем текучей среды трубы первоначально находится при комнатной температуре, но благодаря комбинированным эффектам нагрева, обусловленным трением и проводящим охлаждением, постепенно смещается к новому установившемуся значению. Тепловое сопротивление трубы является комбинацией этих конвективных и проводящих сопротивлений.
Тепловые сопротивления труб

Блок A Pipe (TL) моделирует конвективное тепловое сопротивление на внутренней поверхности трубы и нагрев из-за трения в термической жидкости. Проводящий блок теплопередачи моделирует проводящее тепловое сопротивление между внутренней и внешней поверхностями трубы.
В командной строке MATLAB ® введитеssc_new. MATLAB открывает шаблон модели Simscape™. Этот шаблон является отправной точкой для модели Simscape Fluids™ и включает блок конфигурации решателя, блок преобразователя Simulink-PS, блок преобразователя PS-Simulink и блок области, позволяющий просматривать результаты моделирования. В этом примере блок Simulink-PS Converter не требуется.
При добавлении новых блоков модель часто сохраняется.
На вкладке «Моделирование» выберите «Обозреватель библиотек». Во всплывающем окне выберите «Simscape» > «Foundation Library» > «Thermal Liquid» > «Utilities library» и перетащите блок «Thermal Liquid Settings» (TL) на холст модели. Этот блок определяет физические свойства термической жидкости, включая ее вязкость, теплопроводность и объемный модуль.
Подключите блоки настройки решателя и настройки тепловой жидкости (TL), как показано на рисунке. Блок «Конфигурация решателя» предоставляет настройки решателя Simscape для модели. Для каждой физической сети требуется блок конфигурации решателя.

Откройте обозреватель библиотек. Выберите «Simscape» > «Foundation Library» > «Thermal Liquid» > «Elements library», перетащите два блока резервуара (TL) на холст модели. Блоки резервуаров устанавливают граничные условия давления и температуры для модели трубопровода.
Вставьте эти блоки из библиотеки Simscape > Fluids > Thermal Liquid.
| Блок | Библиотека | Цель |
|---|---|---|
| Труба (TL) | Трубы и фитинги | Трубопровод для тепловой жидкости между резервуарами |
| Насос с фиксированным рабочим объемом (TL) | Насосы и двигатели | Источник электроэнергии |
Подключите блоки и проверьте свои подключения на рисунке ниже. Следует отметить, что блоки могут поворачиваться.
Порт A блока Pipe (TL) соединяется с портом B блока Pump (TL).
Порт B блока труб (TL) соединяется с одним блоком резервуаров (TL). Это служит тепловым поглотителем жидкости.
Порт A блока насоса фиксированного вытеснения (TL) соединяется со вторым блоком резервуара (TL), блоком конфигурации решателя и блоком настроек тепловой жидкости (TL). Блок резервуара служит источником термической жидкости.

Цвета компонентов указывают на физические домены, которые они представляют: желтый для тепловой жидкости, красный для тепловой и зеленый для механической вращательной. Блоки насосов и трубопроводов являются многодоменными блоками, которые можно использовать для сопряжения различных физических доменов.
В блоке «Труба» (TL) задайте для параметра «Длина трубы» значение 1000 М. Эта длина приводит к наблюдаемым потерям давления из-за рассеяния и теплопередачи за счет трения на стенках трубы.
Откройте обозреватель библиотек и вставьте эти блоки из библиотеки Simscape > Foundation Library.
| Блок | Библиотека | Цель |
|---|---|---|
| Теплоперенос проводящий | Тепловые > Тепловые элементы | Моделирование теплопроводных потерь через стенку трубы в окружающую среду |
| Температурный эталон | Тепловые > Тепловые элементы | Обеспечивает эталон температуры для входа физического сигнала |
| Источник регулируемой температуры | Thermal > Thermal Sources (терм | Действует как идеальный источник энергии и поддерживает температуру независимо от расхода тепла |
| Константа PS | Физические сигналы > Источники | Определяет температуру окружающей среды |
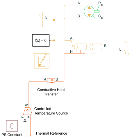
Подключите блоки и проверьте свои подключения на рисунке ниже. Следует отметить, что блоки могут поворачиваться.
Подключите порт B токопроводящего блока теплопередачи к порту H блока труб (TL).
Подключите порт B блока источника регулируемой температуры к порту A блока теплопередачи.
Подключите блок PS Constant к порту S блока источника регулируемой температуры.
Подключите блок «Температурный эталон» к порту А блока «Источник регулируемой температуры».

В окне параметров блока PS Constant установите для параметра Constant значение 275 K. Это температура окружающей среды.
В блоке «Теплопередача» установите для параметра «Площадь» значение pi*0.1128*1000 м 2. Это площадь поверхности трубы по гидравлическому диаметру, 0.1128 м и длина, 1000 м. Значение теплопроводности по умолчанию для меди, 401 W/(mK) .
Откройте обозреватель библиотек и вставьте эти блоки из библиотеки SimscapeFoundation.
| Блок | Библиотека | Цель |
|---|---|---|
| Идеальный источник крутящего момента | Механическое оборудование > Источники механического оборудования | Устанавливает коэффициент крутящего момента насоса как физический сигнал |
| Опорная точка механического вращения | Mechanical > Вращательные элементы | Служит в качестве эталона для идеального источника крутящего момента и поддерживает физический сигнал на заданном уровне |
| Константа PS | Дважды щелкните пробел в браузере, введите PS Constant и нажмите Enter | Определяет крутящий момент насоса |
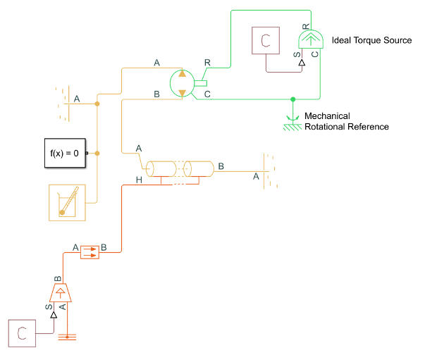
Подключите блоки и проверьте соединения на рисунке. Следует отметить, что блоки могут поворачиваться.
Подключите порт R блока насоса с фиксированным рабочим числом (TL), который представляет вращающийся вал насоса, к порту R блока источника идеального крутящего момента.
Соедините порт C блока источника идеального крутящего момента, который представляет корпус насоса, с портом C блока насоса с фиксированным рабочим объемом (TL) и блока опорного механического вращения.
Подключите порт S блока источника идеального крутящего момента к блоку PS Constant.

В окне PS Constant Block Parameters установите для параметра Constant значение 50 N*m.
Откройте обозреватель библиотек и добавьте эти блоки в модель.
| Блок | Библиотека | Цель |
|---|---|---|
| Датчик массового расхода и расхода энергии (TL) | Simscape > Foundation Library > Thermal Liquid > Сенсоры | Измеряет сквозные переменные области Thermal Liquid и возвращает физический сигнал |
| Преобразователь PS-Simulink | Simscape > Утилиты | Преобразование физического сигнала в сигнал Simulink ® |
| Объем | Simulink > Раковины | Графики сигналов Simulink |
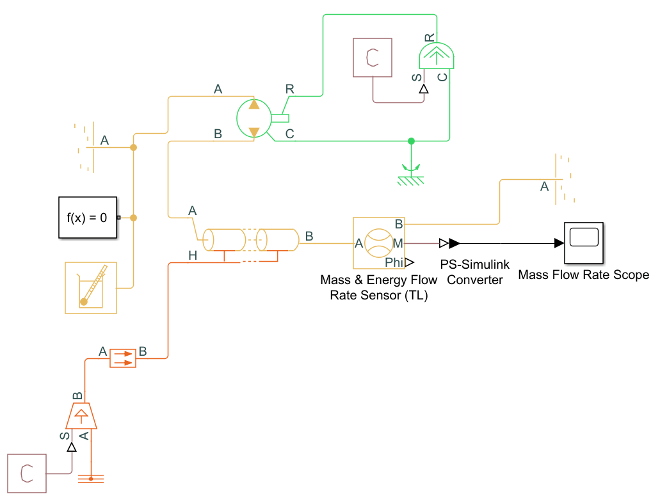
Подключите блоки и проверьте соединения на рисунке. Следует отметить, что блоки могут поворачиваться.
Блок труб (TL) подключен к резервуару из раздела 1.5.4, который обеспечивает граничные условия давления и температуры для системы. Теперь будет добавлен способ измерения расхода труб. Отсоедините порт B блока труб (TL) от блока резервуаров и подключите его к порту A блока датчика массового расхода и расхода энергии (TL).
Подключите порт B блока датчика массового расхода и расхода энергии к блоку резервуара.
Подключите порт M блока датчика массового расхода и расхода энергии (TL) к блоку PS-Simulink Converter.
Подключите блок PS-Simulink Converter к блоку Scope. Щелкните на блоке «Scope» (Объем) и присвойте ему имя «Mass Flow Rate Scope» (Объем массового расхода).

Откройте обозреватель библиотек и добавьте эти блоки в модель. Также будут использоваться блоки PS-Simulink Converter и Scope, которые были включены при открытии новой модели.
| Блок | Библиотека | Цель |
|---|---|---|
| Датчик давления и температуры (TL) | Simscape > Foundation Library > Thermal Liquid > Сенсоры | Измеряет переменные Across области Thermal Liquid и возвращает физический сигнал |
| Абсолютная ссылка (TL) | Simscape > Библиотека фундаментов > Термическая жидкость > Элементы | Предоставляет контрольную точку, где давление и температура равны нулю |
Подключите блоки и проверьте соединения на рисунке. Следует отметить, что блоки могут поворачиваться.
Создайте ответвление от порта B блока датчика массового и энергетического расхода (TL) и подключите его к порту A блока датчика давления и температуры (TL).
Подключите порт B блока датчика давления и температуры (TL) к блоку абсолютного эталона.
Подключите порт T блока датчика давления и температуры (TL) к блоку PS-Simulink Converter.
Если преобразователь PS-Simulink еще не подключен к оставшемуся блоку Scope, подключите эти два блока. Щелкните этот блок области и присвойте ему имя «Temperature Scope».

Шаблон модели Simscape определяет подходящие параметры решателя для этой модели. Можно запустить моделирование, открыв вкладку Моделирование (Simulation) и выбрав команду Выполнить (Run) > Выполнить (Run). После компиляции модели откройте область «Массовый расход». На графике должно быть показано быстрое изменение расхода по мере перехода термической жидкости из состояния покоя в новую стационарную скорость.

Можно экспериментировать с другими настройками блока и входными сигналами. Попробуйте установить для параметра Инерция жидкости блока труб (TL) значение On, затем запустите модель. На рисунке показано комбинированное влияние динамической сжимаемости жидкости и инерции жидкости на график массового расхода.
