Двухсторонний подпружиненный поступательный фиксатор
Simscape/Привод/Тормоза и стопоры/Поступательные

Блок поступательного фиксатора представляет собой двухсторонний подпружиненный поступательный фиксатор с шариком и конической выемкой.
Ползун фиксатора скользит горизонтально по корпусу фиксатора. Эти две части создают горизонтальную силу сдвига между ними. Внутренняя часть ползуна представляет собой коническую выемку. Корпус фиксатора содержит вертикальную пружину. Стопорный шарик расположен между пружиной и конической выемкой. С помощью блока можно моделировать шаровые и наклонные фиксаторы вырубки с геометрическими характеристиками и характеристиками пружины, пиковой силой и шириной вырубки, а также выполнять поиск в таблице. Модель также включает в себя вязкое демпфирование и кинетическое трение между ползуном и корпусом. Трение можно установить равным нулю.
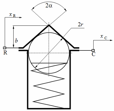
Геометрия фиксатора шариковой выемки показана на следующем рисунке. Когда конический ползун скользит горизонтально по корпусу, относительное смещение x = xR-xC вызывает развитие силы F горизонтального сдвига.

| b | Глубина выемки |
| r | Радиус шара |
| α | Угол половины надреза |
В зависимости от выбора параметризации модель силы сдвига определяется геометрическими параметрами и параметрами пружины, пиковой силой и шириной выреза или поиском в таблице, определяющим относительное смещение по отношению к силе.
Параметризация геометрии и пружины использует четыре области для определения силы сдвига. На следующем рисунке показаны эти области.

Поскольку шар сферический, а вырез симметричен, горизонтальная функция зависимости силы от смещения симметрична относительно начала координат. (См. раздел Пиковая сила и ширина выреза.)
| Регион | Положение шарика и угол контакта | Сила сдвига |
|---|---|---|
| 1 | Шарик снаружи конической выемки. Угол контакта вертикальный. | Только вязкое демпфирование и кинетическое трение. Никакого весеннего вклада. |
| 2 | Мяч входит в выемку, соприкасаясь с углом выемки. Угол контакта поворачивается от вертикали. | Пружина, вязкое демпфирование и кинетическое трение. Пики при переходе от области 2 к области 3. |
| 3 | Шар скользит по грани выемки. Угол контакта постоянный. | Сила уменьшается по мере растяжения пружины, но не достигает нуля (сила предварительной нагрузки пружины). |
| 4 | Мяч перемещается от одной грани к другой. Угол контакта переключает направление. | Сила переключает направление. Ширина области реверсирования сдвига определяет степень сглаживания этого переключателя. |
Если выбрать параметризацию пиковой силы и ширины вырубки, блок гарантирует, что кривая относительного смещения силы обеспечивает непрерывную производную силы и силы над областью фиксатора. Пиковые силы находятся на полпути между центром фиксатора и кромкой фиксатора, как показано на следующем рисунке.

С помощью параметризации поиска в таблице можно создать произвольную функцию, связывающую силу сдвига с относительным смещением. При создании такой функции следует учитывать следующие рекомендации.
Если требуется убедиться, что фиксатор сохраняет энергию, общий интеграл кривой относительного смещения силы (площадь под кривой) должен быть равен нулю.
Чтобы стабилизировать моделирование фиксатора, избегайте разрывов в функции относительного смещения силы. Наиболее важным требованием является наличие области реверсирования сдвига ненулевой ширины, аналогичной области 4 в геометрической параметризации.
Модель не учитывает инерцию. При необходимости добавьте массовые термины к портам R и C.
При использовании ширины пиковой силы - вырубки или параметризации поиска в таблице кинетическое трение не зависит от нормальной силы фиксатора.
R и C являются поступательно сохраняющими портами, связанными с ползунком и корпусом соответственно.
Выберите способ задания характеристик фиксатора. Значение по умолчанию: By peak force and notch width.
By peak force and notch width - Задаются характеристики фиксатора по пиковой силе сдвига и ширине выреза.
By table lookup - Определите характеристики фиксатора путем одномерного поиска в таблице на основе относительного смещения между ползуном и корпусом. Если выбран этот параметр, панель будет заменена опцией по умолчанию.
By geometry - Определите характеристики фиксатора по геометрии и динамике шариковой выемки. Если выбран этот параметр, панель будет заменена опцией по умолчанию.
Относительное смещение ползунка и регистра при запуске моделирования. Значение по умолчанию: 0.
В раскрывающемся списке выберите единицы измерения. Значение по умолчанию - миллиметры (mm).
Укажите коэффициент вязкого трения для контакта шар-вырез. Должно быть больше или равно 0. Значение по умолчанию: 0.1.
В раскрывающемся списке выберите единицы измерения. По умолчанию - ньютоны/( метров/секунд) (N/(m/s)).
Задайте коэффициент кинетического трения для контакта шар-вырез. Должно быть больше или равно 0. Значение по умолчанию: 0.01.
Кинетическое трение - это отношение, умноженное на пиковую силу сдвига.
Укажите относительную скорость, необходимую для максимального кинетического трения в фиксаторе. Должно быть больше 0. Значение по умолчанию: 0.05.
В раскрывающемся списке выберите единицы измерения. Значение по умолчанию - метр/секунда (m/s).