Полупроводниковый полевой транзистор на основе оксида металла P-канала, использующий либо уравнение Шихмана-Ходжа, либо модель на основе поверхностного потенциала
Simscape/Электрические/Полупроводники и преобразователи

Блок P-Channel MOSFET предоставляет два основных варианта моделирования:
На основе порогового напряжения - использует уравнение Шихмана-Ходжеса для представления устройства. Этот подход моделирования, основанный на пороговом напряжении, имеет преимущества простой параметризации и простых выражений тока-напряжения. Однако этим моделям трудно точно фиксировать переходы через пороговое напряжение и не хватает некоторых важных эффектов, таких как насыщенность скоростью. Дополнительные сведения см. в разделе Модель на основе пороговых значений.
Этот вариант обеспечивает четыре способа параметризации N-канального MOSFET:
Путем указания параметров из таблицы данных.
Путем непосредственного задания параметров уравнений.
По аппроксимации таблицы поиска 2-D к кривой I-V (ток-напряжение). Дополнительные сведения см. в разделе Представление по таблице подстановки 2-D.
С помощью 3-D таблицы поиска аппроксимация кривой I-V (ток-напряжение), которая включает данные о температуре. Дополнительные сведения см. в разделе Представление по таблице подстановки 3-D.
На основе поверхностного потенциала - использует уравнение поверхностного потенциала для представления устройства. Этот подход моделирования обеспечивает более высокий уровень точности модели, чем простые модели квадратного закона (основанные на пороговом напряжении). Компромисс заключается в том, что существует больше параметров, которые требуют экстракции. Дополнительные сведения см. в разделе Модель на основе поверхностного потенциала.
Вместе с вариантами тепловых портов (см. Тепловые порты) блок предоставляет четыре варианта выбора. Чтобы выбрать нужный вариант, щелкните правой кнопкой мыши блок в модели. В контекстном меню выберите «Simscape» > «Block choices», а затем один из следующих параметров.
Threshold-based - базовая модель, представляющая устройство с помощью уравнения Шихмана - Ходжеса (на основе порогового напряжения) и не моделирующая тепловые эффекты. Это значение по умолчанию.
Thermal-based with thermal - модель на основе порогового напряжения и с открытым тепловым портом.
Поверхностный потенциал - модель на основе поверхностного потенциала. Эта модель не моделирует тепловые эффекты.
Поверхностный потенциал с тепловым - тепловой вариант модели на основе поверхностного потенциала.
Пороговый вариант блока использует уравнения Шихмана и Ходжеса [1] для полевого транзистора с изолированным затвором для представления МОП-транзистора P-канала.
Ток стока-истока, ИДК, зависит от области работы:
В области отключения (-VGS < -Vth) ток истока стока составляет:
0
В линейной области (0 < -VDS < -VGS + Vth) ток стока-истока равен:
(1 + λ 'VDS |)
В насыщенной области (0 < -VGS + Vth < -VDS) ток истока стока составляет:
+ λ 'VDS |)
В предыдущих уравнениях:
K - коэффициент усиления транзистора.
VDS - отрицательное напряжение стока-истока.
VGS - напряжение затвора-источника.
Vth - пороговое напряжение. Для параметризации четырех выводов Vth получается с использованием следующих уравнений:
| Диапазон VBS | Уравнение Vth |
|---|---|
| 2ϕB + VBS) | |
| γVBS2ϕB | |
| 4objectB | (2ϕB) |
λ - модуляция канала.
Блок моделирует емкости перехода либо по фиксированным значениям емкости, либо по табличным значениям в зависимости от напряжения стока-истока. В любом случае можно либо непосредственно задать значения емкости затворов-истоков и затворов-стоков, либо разрешить блоку выводить их из значений емкости входного и обратного переноса. Поэтому опции параметризации для модели заряда на вкладке Емкость (Capacitance):
Specify fixed input, reverse transfer and output capacitance - Предоставьте фиксированные значения параметров из таблицы данных и разрешите блоку преобразовать входные значения емкости и значения емкости обратного переноса в значения емкости перехода, как описано ниже. Это метод по умолчанию.
Specify fixed gate-source, gate-drain and drain-source capacitance - Укажите фиксированные значения параметров емкости перехода напрямую.
Specify tabulated input, reverse transfer and output capacitance - Предоставить табличные значения емкостей и напряжения источника стока на основе графиков таблицы данных. Блок преобразует входные и обратные значения емкости переноса в значения емкости перехода, как описано ниже.
Specify tabulated gate-source, gate-drain and drain-source capacitance - Предоставить табличные значения емкостей перехода и напряжения стока-истока.
Используйте одну из опций емкости в таблице (Specify tabulated input, reverse transfer and output capacitance или Specify tabulated gate-source, gate-drain and drain-source capacitance), когда лист данных предоставляет график емкостей перехода как функцию напряжения стока-истока. Использование табличных значений емкости дает более точные динамические характеристики и позволяет избежать необходимости итеративной настройки параметров в соответствии с динамикой.
Если вы используете Specify fixed gate-source, gate-drain and drain-source capacitance или Specify tabulated gate-source, gate-drain and drain-source capacitance на вкладке Емкость (Capacitance) можно указать значения емкостей соединения литник-сток, соединения затвор-исток и соединения сток-исток (фиксированные или табличные). В противном случае блок извлекает их из значений входной емкости, Ciss, емкости обратного переноса, Crss и выходной емкости, параметров Coss. Эти два метода параметризации связаны следующим образом:
CGD = Crss
CGS = Ciss - Crss
CDS = Coss - Crss
Для параметризации четырех выводов входная емкость, Ciss, емкость обратного переноса, Crss и выходная емкость Coss получаются с использованием следующих уравнений:
CGD = Crss
CGS + CGB = Ciss - Crss
CDB = Coss - Crss
Упрощенная модель емкости Мейера используется для описания емкости затвора-источника, CGS, емкости затвора-объема, CGB и емкости затвора-стока, CGD. Эти рисунки показывают, как емкости затворного блока и затворного источника меняются мгновенно, в то время как

Емкость затворного блока и затворного источника изменяется мгновенно.

Две опции фиксированной емкости (Specify fixed input, reverse transfer and output capacitance или Specify fixed gate-source, gate-drain and drain-source capacitance) позволяют моделировать емкость перехода затвора как фиксированную емкость CGS затвора-источника и фиксированную или нелинейную емкость CGD затвора-стока. При выборе Gate-drain charge function is nonlinear опция для параметра линейности Заряд-напряжение затвора-стока, то соотношение Заряд затвора-стока определяется кусочно-линейной функцией, показанной на следующем рисунке.

Инструкции по отображению временного отклика на значения емкости устройства см. на справочной странице блока IGBT N-канала. Однако это отображение является только приблизительным, поскольку напряжение Миллера обычно изменяется больше от порогового напряжения, чем в случае БТИЗ.
Примечание
Поскольку эта реализация блока включает в себя модель заряда, необходимо смоделировать импеданс цепи, приводящей в действие затвор, чтобы получить репрезентативную динамику включения и выключения. Поэтому, если вы упрощаете схему привода затвора, представляя ее как управляемый источник напряжения, вы должны включить подходящий последовательный резистор между источником напряжения и затвором.
Для представления таблицы подстановки варианта детализированного блока необходимо предоставить табличные значения токов истока-стока как функции напряжения истока-затвора и напряжения истока-затвора. Основное преимущество использования этой опции - скорость моделирования. Он также позволяет параметризовать устройство на основе измеренных данных или данных, полученных из другой среды моделирования.
На этом рисунке показана реализация опции таблицы поиска 2-D при установке параметризации Isd-Vsd равным Provide negative and positive Vsd data:

На этом рисунке показана реализация опции таблицы поиска 2-D при установке параметризации Isd-Vsd равным Provide positive Vsd data only:

Для четырех клеммных МОП-транзисторов поверхностный потенциал и коэффициенты тела вычисляются на основе ближайшего порогового напряжения, как показано на следующем рисунке:

Для зависящего от температуры представления таблицы поиска варианта детализированного блока в таблице представлены значения токов истока-стока в зависимости от напряжения истока-затвора, напряжения истока-затвора и температуры.
Вариант блока на основе поверхностного потенциала обеспечивает более высокий уровень точности модели, чем простая модель на основе квадратного закона (на основе порогового напряжения). Вариант блока на основе поверхностного потенциала включает следующие эффекты:
Полностью нелинейная емкостная модель (включая нелинейную емкость Миллера)
Сохранение заряда внутри модели, чтобы можно было использовать модель для моделирования, чувствительного к заряду
Насыщенность скоростью и модуляция длины канала
Внутренний корпусной диод
Обратное восстановление в модели боди-диода
Температурное масштабирование физических параметров
Для теплового варианта - динамический самонагрев (то есть можно смоделировать влияние самонагрева на электрические характеристики прибора)
Эта модель является минимальной версией модели PSP мирового стандарта (см. https://briefs.techconnect.org/papers/introduction-to-psp-mosfet-model/), включая только определенные эффекты от модели PSP для обеспечения баланса между верностью и сложностью модели. Подробнее о физическом фоне явлений, включенных в эту модель, см. [2].
Уравнение поверхностного потенциала получается аналогично способу, описанному на справочной странице блока MOSFET N-канала, при этом все напряжения, заряды и токи умножаются на -1.
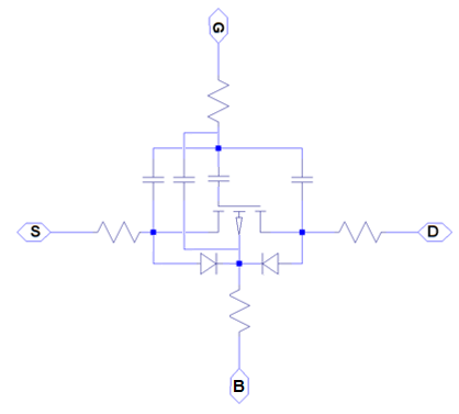
Общая модель состоит из собственного МОП-транзистора, определяемого композицией поверхностного потенциала, телесного диода, последовательных сопротивлений и емкостей с фиксированным перекрытием, как показано на схеме.


Блок моделирует основной диод либо как идеальный экспоненциальный диод, либо как табличный диод.
Блок моделирует основной диод либо как идеальный экспоненциальный диод, либо как табличный диод.
При установке диода тела модели в значение Exponential, пропускная способность соединения и диффузия:
−1]
VBDVbi
где:
Идио - ток через диод.
Является током обратного насыщения.
VBD - напряжение стока корпуса.
n - фактор идеальности.
β T - тепловое напряжение.
Cj - переходная емкость диода.
Cj0 - емкость перехода с нулевым смещением.
Vbi - встроенное напряжение.
Cdiff - диффузионная ёмкость диода.
start- время прохождения.
Емкости определяются посредством явного вычисления зарядов, которые затем дифференцируются для получения емкостных выражений выше. Блок вычисляет токи емкостного диода как производные времени соответствующих зарядов, аналогично вычислению в МОП-модели на основе поверхностного потенциала.
Чтобы смоделировать диод в таблице, задайте для параметра Модельный диод тела значение Tabulated I-V curve. На этом рисунке показана реализация опции диода в таблице:

При выборе этой параметризации необходимо предоставить данные только для смещения вперед.
Блок реализует диод с помощью опции плавной интерполяции. Если диод превышает предоставленный табличный диапазон данных, блок использует метод линейной экстраполяции в последней точке данных напряжения-тока.
Примечание
Диод в таблице не моделирует обратный пробой.
Поведение по умолчанию заключается в том, что зависимость от температуры не моделируется, а устройство моделируется при температуре, для которой предоставляются параметры блока. Для моделирования зависимости от температуры во время моделирования выберите Model temperature dependence для параметра Параметризация (Parameterization) на вкладке Температурная зависимость (Temperature Dependence).
Модель на основе пороговых значений
Для варианта на основе порога можно включить моделирование зависимости статического поведения транзистора от температуры во время моделирования. Температурная зависимость емкостей перехода не моделируется, что является гораздо меньшим эффектом.
При включении температурной зависимости транзистор, определяющий уравнения, остается прежним. Коэффициент усиления K и пороговое напряжение Vth становятся функцией температуры в соответствии со следующими уравнениями:
BEX
Vths = Vth1 + α (Ts - Tm1)
где:
Tm1 - температура, при которой задаются параметры транзистора, определяемые значением параметра Measurement temperature.
Ts - температура моделирования.
KTm1 - коэффициент усиления транзистора при температуре измерения.
КТ - коэффициент усиления транзистора при температуре моделирования. Это значение коэффициента усиления транзистора, используемое в уравнениях МОП-транзистора при моделировании температурной зависимости.
Vth1 - пороговое напряжение при температуре измерения.
Vths - пороговое напряжение при температуре моделирования. Это пороговое значение напряжения, используемое в уравнениях МОП-транзистора при моделировании температурной зависимости.
BEX - показатель температуры мобильности. Типичное значение BEX - -1,5.
α - пороговый температурный коэффициент напряжения затвора, dVth/dT.
Для параметризации четырех терминалов Vth получается с использованием следующих уравнений:
| Диапазон VBS | Уравнение Vth |
|---|---|
| VBSd2ϕBdT | |
| 32d2ϕBdT | |
| 4objectB | γ22ϕBd2ϕBdT |
Где:
NBni) - поверхностный потенциал 0) q + 3kTq)].
Eg (0) - экстраполированный диапазон нулевой степени, который равен 1.16
eV для кремния.
VBS - напряжение источника питания.
Для большинства MOSFETS можно использовать значение по умолчанию -1.5 для BEX. Некоторые таблицы данных цитируют значение для α, но, как правило, они обеспечивают температурную зависимость источника стока от сопротивления, RDS (on). В зависимости от метода параметризации блока существует два способа задания α:
При параметризации блока из таблицы данных необходимо указать RDS (вкл.) при второй температуре измерения. Затем блок вычисляет значение для α на основе этих данных.
Если параметризация выполняется путем задания параметров уравнений, необходимо указать значение для α напрямую.
Если имеется больше данных, содержащих ток стока как функцию напряжения затвора-источника для более чем одной температуры, можно также использовать программное обеспечение Simulink ® Design Optimization™ для настройки значений α и BEX.
Модель на основе поверхностного потенциала
Модель на основе поверхностного потенциала включает влияние температуры на емкостные характеристики, а также моделирование зависимости статического поведения транзистора от температуры во время моделирования.
Параметр Температура измерения (Measurement temperature) на вкладке Главная (Main) указывает Tm1 температуры, при которой были извлечены другие параметры устройства. На вкладке Температурная зависимость (Temperature Dependence) представлены значения температуры моделирования, Ts и коэффициенты температурного масштабирования для других параметров устройства. Дополнительные сведения см. в разделе Температурная зависимость (вариант на основе поверхностного потенциала).
Блок имеет дополнительный тепловой порт, скрытый по умолчанию. Чтобы открыть тепловой порт, щелкните правой кнопкой мыши блок в модели и выберите соответствующий вариант блока.
Для модели на основе порогового напряжения и с открытым тепловым портом выберите Simscape > Block choices > Threshold-based with thermal.
Для теплового варианта модели, основанного на потенциале поверхности, выберите «Simscape» > «Block choices» > «Surface-potential-based with thermal».
Это действие отображает тепловой порт H на значке блока и отображает параметры теплового порта.
Используйте тепловой порт для моделирования влияния генерируемого тепла и температуры устройства. Дополнительные сведения об использовании тепловых портов и о параметрах тепловых портов см. в разделе Моделирование тепловых эффектов в полупроводниках.
При моделировании температурной зависимости для варианта блока на основе порога необходимо учитывать следующее:
Блок не учитывает зависящие от температуры воздействия на емкости перехода.
При задании RDS (вкл.) при второй температуре измерения он должен быть указан для той же рабочей точки (то есть для того же самого тока стока и напряжения затвора-источника), что и для другого значения RDS (вкл.). Противоречивые значения для RDS (вкл) при более высокой температуре приведут к нефизическим значениям для α и непредставительным результатам моделирования. Обычно RDS (вкл) увеличивается примерно в 1,5 раза при увеличении температуры на сто градусов.
Возможно, потребуется настроить значения BEX и порогового напряжения Vth для репликации отношений IDS-VGS (если они доступны) для данного устройства. Увеличение Vth перемещает графики IDS-VGS вправо. Значение BEX влияет на то, пересекаются ли кривые IDS-VGS для различных температур или нет, для рассматриваемых диапазонов VDS и VGS. Следовательно, неподходящее значение может привести к изменению порядка различных температурных кривых. Цитирование значений RDS (on) для более высоких токов, предпочтительно близких к току, при котором он будет работать в вашей цепи, снизит чувствительность к точному значению BEX .
[1] Шихман, Х. и Д. А. Ходжес. «Моделирование и моделирование полевых транзисторных коммутационных цепей с изолированным затвором». IEEE J. Твердотельные цепи. SC-3, 1968.
[2] Ван Лэнджевелд, R., А. Дж. Шолтен и D. B.M. Клаассен. "Физический фон модели 11 MOS. Уровень 1101 ". Туземный. Лаборатория. Неклассифицированный доклад 2003/00239. Апрель 2003 года.
[3] О, S-Y., Д. Э. Уорд и Р. В. Даттон. «Переходный анализ МОП-транзисторов». IEEE J. Твердотельные цепи. SC-15, стр. 636-643, 1980.