Однофазный синхронный двигатель постоянного магнита
Simscape/Электрический/Электромеханический/Постоянный магнит

PMSM (однофазный) представляет однофазный синхронный двигатель постоянного магнита (PMSM), тип двигателя постоянного тока, который полезен для приложений автоматизации.
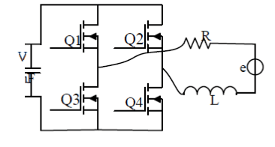
На рисунке показана топология однофазного привода PMSM.

На рисунке показана конструкция двигателя с одной полюсной парой на роторе. Однофазные PMSM не являются самозапускающимися, если воздушный зазор не асимметричен.

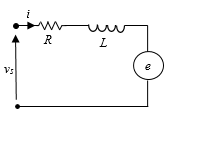
На рисунке показана эквивалентная схема для блока PMSM (однофазный).

Уравнения напряжения двигателя:
Ldidt + e
и
+ start),
где:
vs - напряжение питания.
i - мгновенный ток двигателя.
R - сопротивление обмоток.
L - самоиндуктивность обмоток.
e - обратная электродвижущая сила (BEMF).
ɷs - угловая частота напряжения питания.
λ - угол напряжения питания.
Обратная электромоторная сила (BEMF)
),
где:
ɷe - электрическая угловая скорость ротора.
starte - электрический угол ротора.
ke - константа BEMF.
Из-за больших низкопроницаемых зазоров между статором и ротором насыщением можно пренебречь. Следовательно, уравнения электрического крутящего момента являются
starte)
и
kep,
где:
Te - электрический крутящий момент.
λ м - связь постоянного магнитного потока.
p - число пар полюсов.
Механическое уравнение
Bmü r,
где:
Jm - инерция ротора.
TL - нагрузка крутящего момента.
Bm - коэффициент трения.
ɷr - механическая угловая скорость ротора.
Параметры «Переменные» используются для задания приоритетов и начальных целевых значений для переменных блока перед моделированием. Дополнительные сведения см. в разделе Установка приоритета и начальной цели для переменных блока.
Воздушный зазор машины свободен от воздействия солености.
Ток статора оказывает незначительное влияние на распределение потока при нормальных рабочих условиях.
Гистерезис, эффекты насыщения и вихревые токи игнорируются.
[1] Эртугрул, Н. и К. Даудл. «Динамический анализ синхронного двигателя с однофазным линейным запуском с постоянным магнитом». Материалы Международной конференции по электронике, приводам и энергетическим системам для промышленного роста. Том 1, 1996, стр. 603-609.