Электрохимический двухслойный конденсатор
Simscape/Электрическая/Пассивная

Блок суперконденсатора представляет собой электрохимический двухслойный конденсатор (ELDC), который обычно называют суперконденсатором или ультраконденсатором. Значения емкости для суперконденсаторов на порядки больше, чем значения для обычных конденсаторов. Суперконденсаторы могут обеспечивать всплески энергии, потому что они могут быстро заряжаться и разряжаться.
Можно моделировать любое количество ячеек суперконденсатора, соединенных последовательно или параллельно, с помощью одного блока суперконденсатора. Для этого установите соответствующий параметр, то есть Число ячеек серии или Число параллельных ячеек, в значение, большее, чем 1. Внутри блок моделирует только уравнения для одной ячейки суперконденсатора, но вычисляет:
Выходное напряжение в соответствии с количеством последовательно соединенных ячеек
Ток в соответствии с количеством параллельно соединенных ячеек
Вычисление выходного сигнала многоячеечного суперконденсатора на основе выходного сигнала для одной ячейки более эффективно, чем моделирование уравнений для каждой ячейки по отдельности.
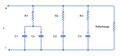
На рисунке показана эквивалентная схема для одной ячейки в блоке суперконденсатора. Схема представляет собой сеть резисторов и конденсаторов, которая обычно используется для моделирования поведения суперконденсатора.

Конденсаторы C1, C2 и C3 имеют фиксированные емкости. Емкость конденсатора Cv зависит от напряжения на нем. Резисторы R1, R2 и R3 имеют фиксированные сопротивления. Напряжение на каждом отдельном фиксированном конденсаторе в блоке суперконденсатора рассчитывается как
inRn,
где:
v - напряжение на блоке.
Nseries - количество последовательных ячеек.
n - номер ветви. n = [1, 2, 3].
в - ток через n-ю ветвь.
Rn - сопротивление в n-ой ветви.
Vcn - напряжение на конденсаторе в n-ой ветви.
Уравнение тока через первую ветвь суперконденсатора зависит от напряжения на конденсаторах в ветви. Если конденсаторы испытывают положительное напряжение, то есть
тогда
еще
где:
Vc1 - напряжение на конденсаторах в первой ветви.
C1 - емкость фиксированного конденсатора в первой ветви.
Kv - коэффициент усиления емкости, зависящий от напряжения.
i1 - ток, проходящий через первую ветвь.
Для остальных ветвей ток определяется как
CndVcndt,
где:
n - номер ветви. n = [2, 3].
Cn - емкость n-ой ветви.
Общий ток через блок суперконденсатора равен
vRdischarge),
где:
Nparallel - число параллельных ячеек.
Rdischarge - сопротивление саморазряда суперконденсатора.
i - ток через суперконденсатор.
[1] Зубиета, Л. и Р. Бонерт. «Характеристика двухслойных конденсаторов для электроники питания». IEEE Transactions on Industry Applications, том 36, № 1, 2000, стр. 199-205.
[2] Уэдделл, А. С., Г. В. Мерретт, Т. Дж. Казмиерски и Б. М. Аль-Хашими. «Точное моделирование суперконденсатора для узлов беспроводных сенсоров сбора энергии». Транзакции IEEE по схемам и системам-II: краткие отчеты, том 58, № 12, 2011, стр. 911-915.