Электромагнитный преобразователь с потерями омического и магнитного потоков
Simscape/Электрическая/Пассивная

Блок обмотки представляет собой электромагнитный преобразователь с сопротивлением обмотки и сопротивлением утечке. Этот блок можно использовать в качестве базового компонента для построения пользовательских трансформаторов. Идеальный электромагнитный преобразователь см. в разделе Электромагнитный преобразователь.
При подаче положительного тока через электрические порты блока через магнитные выводы индуцируется положительная магнитомоторная сила (MMF).
Ni
Где:
ℱ - ММФ на магнитных клеммах блока
N - число витков обмотки
i - ток, проходящий через обмотку;
При подаче положительного изменяющегося во времени потока на магнитные выводы блока на электрические выводы блока наводится отрицательное напряжение.
Где:
λ - поток через магнитные выводы блока
i - ток через электрические клеммы блока,
ℛl - нежелательность утечки
Rw - сопротивление обмотки
ℱ - магнитодвигательная сила на магнитных клеммах блока
v - падение напряжения на электрических клеммах блока;
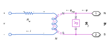
На этом рисунке показана эквивалентная схема для блока.

На диаграмме, фмп соответствует потоку основного пути, а λ - суммарному потоку. Начальное условие для суммарного потока можно задать на вкладке блока Переменные (Variables).
Мгновенные изменения параметров обмотки нефизичны. Следовательно, когда блок обмотки входит в неисправное состояние, напряжения короткого замыкания и разомкнутого замыкания переходят к своим неисправным значениям в течение периода времени, основанного на следующей формуле:
CurrentValue = FaultedValue – (FaultedValue – UnfaultedValue) · sech(∆t/start)
где:
∆t начала состояния неисправности наступило время.
start- определяемая пользователем постоянная времени, связанная с переходом на отказ.
Для отказов короткого замыкания проводимость тракта короткого замыкания также изменяется в соответствии с sech(∆t/start) функция от малого значения (представляющая путь разомкнутой цепи) до большого значения.
Блок может инициировать начало перехода отказа:
В определенное время
После того, как напряжение превысит максимально допустимое значение, несколько раз
При превышении тока максимально допустимого значения более чем на определенный интервал времени
Эти триггерные механизмы можно включать или отключать отдельно или использовать вместе, если при моделировании требуется несколько триггерных механизмов. Если активизировано несколько механизмов, приоритет имеет первый механизм, инициирующий переход к отказу. Другими словами, компонент выходит из строя не более одного раза при моделировании.
Можно также выбрать, выдавать ли утверждение при возникновении сбоя, используя параметр Reporting when a fault. Утверждение может иметь форму предупреждения или ошибки. По умолчанию блок не выдает утверждение.
Для неисправных обмоток часто требуется использовать локальный решатель с фиксированным шагом, а не решатель с переменным шагом. В частности, при моделировании переходов в неисправное состояние, включающее короткие замыкания, MathWorks рекомендует использовать локальный решатель с фиксированным шагом. Дополнительные сведения см. в разделе Выбор оптимального решателя для физического моделирования.
Раздел «Переменные» интерфейса блока используется для установки приоритетов и начальных целевых значений для переменных блока перед моделированием. Дополнительные сведения см. в разделе Установка приоритета и начальной цели для переменных блока.
Трехобмоточный трансформатор (трехфазный) | Двухобмоточный трансформатор (трехфазный) | Трансформатор Зигзаг-Дельта-Уай