Линейный, неидеальный зигзаг-дельта-wye трансформатор с трехгубым сердечником с возможностью насыщения
Simscape / Электрический / Пассивный / Трансформаторы

Блок Zigzag-Delta-Wye Transformer моделирует линейный неидеальный трансформатор с сердечником из трех конечностей, который имеет первичные зигзагообразные обмотки и вторичные обмотки дельта, wye или delta и wye. Можно задать фазовое смещение между зигзагообразными и wye-обмотками с помощью параметра Wye secondary phase shift и параметризовать импеданс блока с использованием значений на единицу. Блок включает эффекты утечки линейной обмотки и намагниченности линейного сердечника.
Опции конфигурации для типов дельта-обмоток:
Дельта 1 часов - конфигурация сетки с запаздывающим 30-градусным фазовым сдвигом относительно напряжения подключенной конфигурации wye
Дельта 11 часов - конфигурация сетки с передним 30-градусным фазовым сдвигом относительно напряжения подключенной конфигурации wye
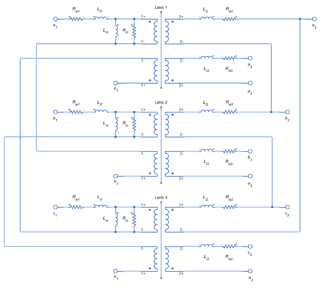
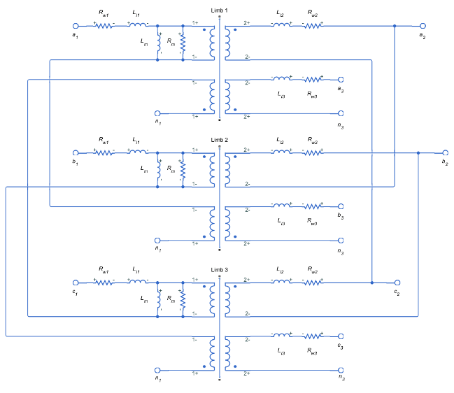
Эти эквивалентные принципиальные схемы показывают трансформатор зигзагообразного Уая дельты в дельте час и конфигурациях 11 часов дельты, соответственно.


На этих диаграммах:
Rw1 - сопротивление первичной обмотки.
Ll1 является первичным реактивным сопротивлением утечки.
Rw2 - сопротивление дельта-вторичной обмотки.
Ll2 - дельта-вторичный реактивный ток утечки.
Rw3 - сопротивление вторичной обмотки.
Ll3 - вторичное сопротивление утечке.
Rm - сопротивление намагничиванию шунта.
Lm - шунтирующее намагничивающее реактивное сопротивление.
Параметры «Переменные» используются для задания приоритетов и начальных целевых значений для переменных блока перед моделированием. Дополнительные сведения см. в разделе Установка приоритета и начальной цели для переменных блока.
Для включения переменной Wye secondary currents установите значение Secondary connection в значение Wye или Wye and Delta.
Для включения переменной Delta secondary currents установите значение Secondary connection в значение Delta или Wye and Delta.
Заземляющий трансформатор | Идеальный трансформатор | Нелинейный трансформатор | Трансформатор, изменяющий отводы | Трехобмоточный трансформатор (трехфазный) | Двухобмоточный трансформатор (трехфазный)