exponenta event banner

Управление системными данными

Импорт измеренных данных, генерация моделируемых данных, организация данных для использования в командной строке и в приложении

Анализ данных является сердцем мониторинга условия и прогнозирующего обслуживания. Разработка алгоритмов прогнозирующего обслуживания требует организации и анализа больших объемов данных с одновременным отслеживанием систем и условий, которые данные представляют.

Predictive Maintenance Toolbox™ предоставляет инструменты для управления данными датчиков, хранящимися локально и удаленно, а также для генерации моделируемых данных путем запуска Simulink® модель. Основным модулем для организации и управления многогранными наборами данных в Predictive Maintenance Toolbox является ансамбль. ensemble является сбором наборов данных, созданным путем измерения или симуляции системы при меняющихся условиях. Управляйте ансамблем с помощью объектов ансамбля datastore. Для получения дополнительной информации о том, как работают ансамбли и как их использовать, смотрите Data Ensembles для мониторинга условия и прогнозирующего обслуживания.

Приложение Diagnostic Feature Designer включает интерактивные инструменты для обработки данных и извлечения функций. Приложение принимает наборы данных в различных формах, консолидирует данные в приложении и управляет этими данными внутри во время сеанса. Для получения дополнительной информации о приложении см. «Исследование данных Ensemble и сравнение функций с использованием Diagnostic Feature Designer».

Объекты

fileEnsembleDatastoreУправление данными ансамбля в пользовательском формате файла
simulationEnsembleDatastoreУправление данными ансамбля, сгенерированными generateSimulationEnsemble или путем логгирования данных моделирования в Simulink
workspaceEnsembleУправление данными ансамбля, хранящимися в рабочем пространстве MATLAB, с помощью кода, сгенерированного Diagnostic Feature Designer

Функции

generateSimulationEnsembleСгенерируйте данные ансамбля путем запуска модели Simulink
readЧтение данных о представителе из ансамбля datastore
writeToLastMemberReadЗапись данных в представитель ансамбля datastore
hasdataОпределите, доступны ли данные для чтения
resetСбросьте datastore в начальное состояние
subsetСоздайте новый ансамбль datastore из подмножества существующего ансамбля datastore
numpartitionsКоличество разделов datastore
partitionРаздел datastore
progress Определите, сколько данных было считано
tallСоздайте длинный массив

Темы

Основы ансамбля Datastore

Ансамбли данных для мониторинга условий и прогнозирующего обслуживания

При проекте алгоритма с помощью Predictive Maintenance Toolbox используются данные, организованные в ансамблях. Можно сгенерировать данные ансамбля из модели Simulink или создать ансамбли из существующих данных, хранящихся на диске.

Сгенерируйте и используйте смоделированный ансамбль данных

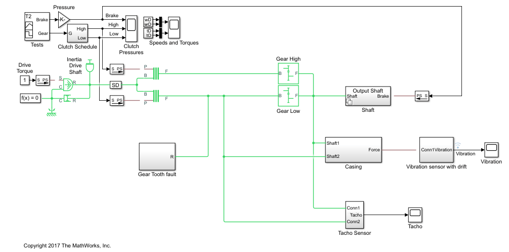
Если у вас есть Simulink модели вашей системы в условиях отказа, можно сгенерировать ансамбль моделируемых данных для разработки алгоритмов прогнозирования-обслуживания.

File Ensemble Datastore с измеренными данными

Используйте file ensemble datastore для управления и взаимодействия с большими наборами данных, собранными при операции вашей системы в различных условиях.

Хранилище ансамблей файлов с использованием данных в текстовых файлах

Создайте и используйте fileEnsembleDatastore объект для управления ансамблем данных, хранящихся в формате простого текста.

Управление данными в Diagnostic Feature Designer

Исследуйте данные ансамбля и сравните функции используя Diagnostic Feature Designer

Следуйте этому рабочему процессу для интерактивного исследования и обработки данных ансамбля, разработки и рейтинга функций из этих данных, экспорта данных и выбранных функций и генерации кода MATLAB.

Организуйте системные данные для Diagnostic Feature Designer

Организуйте измерения и информацию для нескольких систем в наборы данных, которые можно импортировать в приложение.

Импорт и визуализация данных ансамбля в Diagnostic Feature Designer

Импортируйте таблицу представителей ансамбля из MATLAB® рабочая область, задайте типы переменных и просмотрите данные с помощью интерактивных графических изображений опций.

Подготовьте матричные данные для Diagnostic Feature Designer

Преобразуйте матрицы с одним членом в ансамблевую таблицу для импорта в приложение.

Рекомендуемые примеры