Вычислить параметры RLC воздушной линии электропередачи по характеристикам ее проводника и геометрии башни
LDATA = power_lineparam('new')
LDATA = power_lineparam(LDATA)
LDATA = power_lineparam('MYLINEDATA')
power_lineparam(LDATA,'BLK')
power_lineparam('MYLINEDATA','BLK')
LDATA = power_lineparam('new') возвращает структурную переменную с параметрами геометрии линии по умолчанию. Вы можете использовать LDATA в качестве переменной шаблона для конфигурирования новой геометрии линии и вычисления параметров линии RLC.
LDATA - структура с полями в этой таблице.
| Область | Описание |
|---|---|
comments | Укажите комментарии пользователя, связанные с параметрами строки. |
units | Единицы измерения параметров линии. Установить в значение metric для указания диаметра проводника, GMR и диаметра пучка в сантиметрах и положения проводника в метрах. Установить в значение English для указания диаметра проводника, GMR и диаметра пучка в дюймах и положения проводника в футах. Значение по умолчанию: metric. |
frequency | Частота в герцах для оценки параметров линии RLC. Значение по умолчанию: 60. |
groundResistivity | Удельное сопротивление земли, в Ом-метрах. Установить в значение 0 для определения идеально проводящего грунта. |
Geometry | Структура, определяющая геометрию линии и типы проводников. |
Conductors | Структура, определяющая характеристики проводника для каждого типа. |
Geometry - структура с полями в этой таблице.
| Область | Описание |
|---|---|
NPhaseBundle | Количество фазных проводников (одиночных проводников или пучков подпроводников). Значение по умолчанию: 3. |
NGroundBundle | Количество проводов заземления (одиночных проводников или пучков подпроводников). Значение по умолчанию: 2. |
PhaseNumber | 1около-NPhaseBundle + NGroundBundle вектор. Эта настройка представляет номер фазы, к которой принадлежат проводники. Несколько проводников могут иметь один и тот же номер фазы. Номер фазы заземления: 0. Значение по умолчанию: [1 2 3 0 0]. |
X | 1около-NPhaseBundle + NGroundBundle вектор. Эта настройка представляет горизонтальное положение проводников в метрах или футах. Расположение нулевой опорной позиции является произвольным. Для симметричной линии обычно выбирается X = 0 в центре линии. Значение по умолчанию: [-12 0 12 -8 8]. |
Ytower | 1около-NPhaseBundle + NGroundBundle вектор. Эта настройка представляет вертикальное положение проводников (в башне) относительно земли, в метрах или футах. Значение по умолчанию: [20 20 20 33 33]. |
Ymin | 1около-NPhaseBundle + NGroundBundle вектор. Эта настройка представляет вертикальное положение проводников относительно земли на среднем пролете, в метрах или футах. Значение по умолчанию: [20 20 20 33 33]. |
ConductorType | 1около-NPhaseBundle + NGroundBundle вектор. Этот параметр представляет тип проводника. Числа соответствуют элементам вектора, определенным в Conductors структура. Значение по умолчанию: [1 1 1 2 2]. |
Conductors - структура с полями в этой таблице. Длина Conductors структура соответствует количеству типов проводников в параметрах линии:
| Область | Описание |
|---|---|
Diameter | Наружный диаметр проводника, в см. Значение по умолчанию: [3.5500 1.2700]. |
ThickRatio | Отношение T/D полого проводника. Т - толщина проводящего материала, а D - наружный диаметр. Этот параметр может варьироваться между 0 и 0.5. A T/D значение 0.5 обозначает сплошной проводник. Для проводников, армированных алюминиевым кабелем (ACSR), можно игнорировать стальной сердечник и рассматривать полый алюминиевый проводник (типичные соотношения T/D находятся между 0.3 и 0.4). Значение по умолчанию: [0.3700 0.5000]. |
GMR | Средний геометрический радиус. |
Xa | Реактивное сопротивление Xa, в Ом/км. Значение по умолчанию: 0. |
Res | Сопротивление проводника постоянного тока, в Ом/км. Значение по умолчанию: [0.0430 3.1060]. |
Mur | Относительная проницаемость проводника. Значение по умолчанию: [1 1]. |
NConductors | Количество проводников на пучок. Значение по умолчанию: [4 1]. |
BundleDiameter | Диаметр пучка в см или дюймах. Значение по умолчанию: [65 0]. |
AngleConductor1 | Угол в градусах, определяющий положение первого проводника в пучке относительно горизонтальной линии, параллельной земле. Этот угол определяет ориентацию пучка. Значение по умолчанию: [45 0]. |
skinEffect | Установите значение yes, чтобы включить влияние частоты на сопротивление переменного тока проводника и индуктивность (эффект кожи). Если установлено значение no, сопротивление поддерживается постоянным при значении, заданном Res и индуктивность поддерживается постоянной при значении, вычисленном в DC, с использованием Diameter поле и ThickRatio поле. |
LDATA = power_lineparam(LDATA) вычисляет параметры линии RLC для параметров геометрической линии в LDATA структура. Возвращенная структура содержит как геометрические данные, так и вычисленные параметры линии RLC.
LDATA структура дополняется полями параметров строки RLC в этой таблице:
| Область | Описание |
|---|---|
R | Матрица сопротивления N-на-N линии, в Ом/км. |
L | Матрица индуктивности N-на-N линии, в Henries/km. |
C | Емкостная матрица N-на-N линии, в фарадах/км. |
R10 | Для трехфазной линии эта настройка представляет сопротивления положительной последовательности и нулевой последовательности в Ом/км. Для шестифазной линии (двух соединенных трехфазных цепей) эта настройка представляет сопротивления положительной последовательности и нулевой последовательности схемы 1, взаимное сопротивление нулевой последовательности между схемой 1 и схемой 2 и сопротивления положительной последовательности и нулевой последовательности схемы 2. |
L10 | Для трехфазной линии индуктивности положительной последовательности и нулевой последовательности в Henries/km. Для шестифазной линии (двух соединенных трехфазных цепей) эта настройка представляет индуктивности положительной последовательности и нулевой последовательности цепи 1, взаимную индуктивность нулевой последовательности между цепью 1 и цепью 2 и индуктивность положительной последовательности и нулевой последовательности цепи 2. |
C10 | Для трехфазной линии эта настройка представляет емкости положительной последовательности и нулевой последовательности в фарадах/км. Для шестифазной линии (двух соединенных трехфазных цепей) эта настройка представляет емкости положительной последовательности и нулевой последовательности схемы 1, емкости взаимной нулевой последовательности между схемой 1 и схемой 2 и емкости положительной последовательности и нулевой последовательности схемы 2. |
LDATA = power_lineparam('MYLINEDATA') вычисляет параметры линии RLC для параметров геометрической линии в указанном файле. 'MYLINEDATA' - имя MAT-файла. MAT-файл должен содержать структурную переменную того же формата, что и LDATA переменная.
power_lineparam(LDATA,'BLK'), и power_lineparam('MYLINEDATA','BLK') загрузить параметры линии RLC в указанный блок линии секции PI, кабель секции PI, линия распределенных параметров или трехфазный блок линии секции PI. 'BLK' является именем пути блока.
power_lineparam функция вычисляет матрицы сопротивления, индуктивности и емкости произвольного расположения проводников воздушной линии передачи. Для трехфазной линии также вычисляются значения RLC симметричной составляющей.
На следующем рисунке показано типичное расположение проводников для трехфазной двухконтурной линии. Эта конфигурация линии иллюстрирует различные параметры линии, указанные в LDATA структура.
Конфигурация трехфазной двухконтурной линии

Для набора N проводников, power_lineparam вычисляет три матрицы N-на-N: матрицы последовательного сопротивления и индуктивности [R] и [L] и шунтирующую емкостную матрицу [C]. Эти матрицы требуются блоком линии распределенных параметров для моделирования N-фазных асимметричных линий и блоком линии однофазного PI-сечения. power_lineparam также вычисляет параметры RLC симметричного компонента, требуемые блоком «Линия трехфазной секции PI». Для двух соединенных проводников, i и k, собственные и взаимные условия матриц R, L и C вычисляются с использованием концепции проводников изображения [1].

Термины собственного и взаимного сопротивления:
ΔRiiΛ/км
ΔRikΛ/км
Члены собственной и взаимной индуктивности:
Члены собственных и взаимных потенциальных коэффициентов:
1F/км
где:
мк0 - проницаемость свободного пространства = 4ā.10 − 4 Н/км
ɛ0 - диэлектрическая проницаемость свободного пространства = 8,8542,10 − 9 F/км
ri - радиус проводника i в метрах
dik - расстояние между проводниками i и k, в метрах
Дик - расстояние между проводником i и изображением k, в метрах
hi - средняя высота проводника i над землей, в метрах
Rint, Lint - внутреннее сопротивление и индуктивность проводника
ΔRii, ΔRik - поправочные термины Карсона R, обусловленные удельным сопротивлением земли
ΔLii, ΔLik - поправочные термины Карсона L, обусловленные удельным сопротивлением земли
Самоиндуктивность проводника вычисляется из магнитного потока, циркулирующего внутри и снаружи проводника, и вырабатывается током, протекающим в самом проводнике. Часть потока, циркулирующая внутри проводящего материала, вносит вклад во внутреннюю индуктивность Линт, которая зависит от геометрии проводника. Предполагая полый или сплошной проводник, внутренняя индуктивность вычисляется из отношения Т/Д, где D - диаметр проводника, а T - толщина проводящего материала. См. рисунок Конфигурация трехфазной двухконтурной линии. Самоиндуктивность проводника вычисляют с помощью модифицированных функций Бесселя из диаметра проводника, отношения T/D, удельного сопротивления и относительной проницаемости проводящего материала и заданной частоты [1].
Самоиндуктивность проводника также можно вычислить по параметрам, которые обычно встречаются в таблицах, предоставленных производителями проводников: геометрический средний радиус (GMR) или «Реактивное сопротивление при расстоянии в один фут».
GMR - это радиус эквивалентного полого проводника нулевой толщины, не производящего внутреннего потока, дающего такую же самоиндуктивность. Затем самоиндуктивность проводника получают из GMR, используя следующее уравнение:
Для твердого проводника (T/D = 0,5) значение GMR равно
| r = радиус проводника |
| мкр = относительная проницаемость проводящего материала |
GMR, полученный из этого уравнения, предполагает равномерную плотность тока в проводнике. Это предположение строго справедливо в DC. В АС GMR немного выше. Например, для твердого алюминиевого проводника диаметром 3 см (Rdc = 0,040 Ом/км) GMR увеличивается с 1,1682 см в постоянном токе до 1,1784 см при 60 Гц. Производители обычно выдают GMR с номинальной частотой системы (50 Гц или 60 Гц).
Реактивное сопротивление Xa при расстоянии 1 фут (или расстоянии 1 метр, если используются метрические единицы) является реактивным сопротивлением положительной последовательности трехфазной линии, имеющей расстояние 1 фут (или один метр) между тремя фазами и бесконечными высотами проводников. Реактивное сопротивление на расстоянии 1 фут (или расстоянии 1 метр) на частоте f связано с GMR следующим уравнением:
| GMR = средний геометрический радиус в футах или метрах |
| λ = 2.d.f в рад/с |
| f = частота в герцах |
Матрица сопротивления проводника на определенной частоте зависит от сопротивления постоянного тока проводника, скорректированного на эффект кожи и удельное сопротивление земли. И матрица сопротивления, и матрица индуктивности зависят от удельного сопротивления земли и частоты. Корректирующие термины для терминов R и L, разработанные J.R. Carson в 1926 году [2], реализованы в power_lineparam.
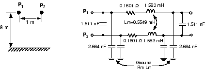
Первый пример использует простую линию, состоящую из двух проводников, разнесенных на 1 метр при средней высоте 8 метров над совершенным грунтом (удельное сопротивление на грунте startg = 0). Эти два проводника представляют собой сплошные алюминиевые проводники (удельное сопротивление δ c = 28,3 10 − 9 Λ .m при 20 ° C), имеющие диаметр 15 мм.
Сопротивление постоянного тока на км каждого проводника составляет:
.1601Ом/км
Поскольку предполагается, что земля идеальна, внеканальные члены матрицы R равны нулю, а диагональные члены представляют сопротивления проводника:
Ом/км
Для сплошных проводников GMR представляет собой:
Само- и взаимные индуктивности вычисляются следующим образом. Поправочные термины ΔL игнорируются, поскольку сопротивление земли равно нулю.
Самоемкости и взаимные емкости вычисляются следующим образом:
Сначала создается шаблон LDATA структура для определения геометрии линии и типа проводников этой линии. В подсказке MATLAB ® введите :
LDATA = power_lineparam('new');Затем задайте следующие поля с определенными значениями:
LDATA.frequency = 50; LDATA.groundResistivity = 0; LDATA.Geometry.NPhaseBundle = 2; LDATA.Geometry.NGroundBundle = 0; LDATA.Geometry.PhaseNumber = [1,2]; LDATA.Geometry.X = [0,1]; LDATA.Geometry.Ytower = [8,8]; LDATA.Geometry.Ymin = [8,8]; LDATA.Geometry.ConductorType = [1,1]; % define conductor Type 1: LDATA.Conductors.Diameter = [1.5]; LDATA.Conductors.ThickRatio = [0.5]; LDATA.Conductors.GMR = [0.5841]; LDATA.Conductors.Res = [0.1601]; LDATA.Conductors.Mur = [1]; LDATA.Conductors.Nconductors = [1]; LDATA.Conductors.BundleDiameter =[0]; LDATA.Conductors.AngleConductor1 = [0]; LDATA.Conductors.skinEffect = 'no';
Затем параметры линии RLC вычисляются с помощью команды:
LDATA = power_lineparam(LDATA); disp(LDATA.R),disp(LDATA.L),disp(LDATA.C)
Модель PI для линии длиной 1 км получается из матриц R, L и C. Значения RLC PI выводятся из само- и взаимных членов матриц R, L и C. Подстрочные индексы s и m обозначают само- и взаимные члены в матрицах R, L и C.
Rp1 = Rp2 = RS = 0.1601 Ω/km
Lp1 = Lp2 = Ls = 1,583 мН/км
Cp1 = Cp2 = Cs + Cm = 8.352 - 3.023 = 5,329 нФ/км (2,664 нФ в каждом конце раздела PI)
Cp1p2 = - Cm = 3,023 нФ/км (1,511 нФ в каждом конце раздела PI)

Можно также изменять удельное сопротивление земли и частоту, чтобы наблюдать их влияние на сопротивление и индуктивность проводника и возврат земли.
Следующий код изменяет удельное сопротивление земли от нуля до 10000 Λ м:
Rground = [0,10,100,10000] for k=1:4 LDATA.groundResitivity = Rground(k); LDATA = power_lineparam(LDATA); ConductorRS_RM(k) = LDATA.R(1,1)-LDATA.R(1,2); GroundRm(k) = LDATA.R(1,2); ConductorLs_Lm(k) = LDATA.L(1,1)-LDATA.L(1,2); GroundLm(k) = LDATA.L(1,2); end
Необходимо получить значения, перечисленные в следующей таблице. Выражения Rs-Rm и Ls-Lm представляют соответственно сопротивление и индуктивность проводника, тогда как Rm и Lm представляют сопротивление и индуктивность возврата заземления.
Воздействие сопротивления земли (частота = 50 Гц; Эффект кожи не включен)
Земля | Проводник | Земля | Проводник | Земля |
|---|---|---|---|---|
0 | 0.1601 | 0 | 1.028 | 0.5549 |
10 | 0.1601 | 0.04666 | 1.029 | 1.147 |
100 | 0.1601 | 0.04845 | 1.029 | 1.370 |
10 000 | 0.1601 | 0.04925 | 1.029 | 1.828 |
Когда удельное сопротивление земли изменяется в нормальном диапазоне (от 10 Ом· м для влажного грунта до 10 000 Ом· м для сухого скального грунта), сопротивление земли остается почти постоянным на уровне 0,05 Ом/км, тогда как его индуктивность увеличивается с 1,15 мЧ/км до 1,83 мЧ/км.
Используя следующий код, повторите вычисления с различными частотами в диапазоне от 0,05 Гц до 50 кГц и с эффектом кожи проводника, смоделированным для сопротивления земли 100 Ом-м.
LDATA.groundResitivity = 100; Frequencies = [0.05,50,500,5000,50000] for k=1:5 LDATA.frequency = Frequencies(k); LDATA = power_lineparam(LDATA); ConductorRS_RM(k) = LDATA.R(1,1)-LDATA.R(1,2); GroundRm(k) = LDATA.R(1,2); ConductorLs_Lm(k) = LDATA.L(1,1)-LDATA.L(1,2); GroundLm(k) = LDATA.L(1,2); end
Воздействие частоты (удельное сопротивление Земли = 100 Λ м; с эффектом кожи проводника)
Частота (Гц) | Проводник | Земля | Проводник | Земля |
|---|---|---|---|---|
0.05 | 0.1601 | 4.93e-5 | 1.029 | 2.058 |
50 | 0.1606 | 0.04844 | 1.029 | 1.370 |
500 | 0.2012 | 0.4666 | 1.022 | 1.147 |
5000 | 0.5442 | 4.198 | 0.9944 | 0.9351 |
50 000 | 1.641 | 32.14 | 0.9836 | 0.7559 |
Эта таблица показывает, что частота оказывает очень большое влияние на сопротивление земли, но гораздо меньшее влияние на индуктивность земли. Из-за воздействия кожи на землю при увеличении частоты ток земли течет ближе к поверхности, уменьшая эквивалентное сечение заземляющего проводника и тем самым увеличивая его сопротивление. По мере того, как ток заземления перемещается на более низкую глубину на высоких частотах, индуктивность контура проводника плюс возврат заземления (или самоиндуктивность, Ls) уменьшается.
Из-за эффекта кожи проводника частота оказывает заметное влияние на сопротивление проводника от нескольких сотен герц, но незначительное влияние на индуктивность проводника. При номинальной частоте системы (50 Гц или 60 Гц) увеличение сопротивления проводника по отношению к сопротивлению постоянного тока (0,1601 Ом/км) составляет всего 0,3%.
Второй пример соответствует трехфазной двухконтурной линии 500 кВ.
Мощность передается по шести фазным проводникам, образующим две трехфазные цепи. Линия защищена от молнии двумя проводами заземления. В фазных проводниках используются пучки из трех подпроводников. Подпроводники расположены в верхней части равностороннего треугольника 50-см сторон, соответствующего диаметру пучка 57,735 см. Эта конфигурация линии соответствует конфигурации, показанной на рисунке Конфигурация трехфазной двухконтурной линии.
Нумерация фаз задана для получения линейных параметров трехфазной линии, эквивалентной двум цепям, подключенным параллельно. В разделе Вычислить (Compute) щелкните Параметры линии RLC (RLC Line Parameters), чтобы отобразить матрицы R, L и C и параметры последовательности.
Параметры положительной последовательности и нулевой последовательности транспонированной линии отображаются в разделе Вычисленные параметры в векторах R10 и L10:
R1 = 0,009009 Ω/km R0=0.2556 Ω/km
L1 = 0,4408 мЧ/км L0 = 2,601 мЧ/км
C0=11.62 nF/km C1 =25.87 нФ/км
Можно также получить параметры двух отдельных цепей и получить доступ к шести фазным проводникам. Измените номера фаз проводников p4, p5 и p6 (цепь 2) на 6, 5 и 4 соответственно. Параметры положительной последовательности, нулевой последовательности и взаимной нулевой последовательности транспонированной линии:
R1 = 0,01840 Ω/km R0 =0.2649 Ω/km R0m = 0.2462 Ω/km
L1 = 0,9296 мЧ/км L0 = 3,202 мЧ/км L0m = 2,0 мЧ/км
C1 C0 на =12.57 нФ/км C0m на =7.856 нФ/км = −2.044 nF/km
Поскольку линия симметрична, параметры положительной и нулевой последовательности для схемы 2 идентичны параметрам схемы 1.
[1] Dommel, H. и др., Справочное руководство по программе электромагнитных переходных процессов (EMTP Theory Book), 1986.
[2] Карсон, Дж. Р., «Распространение волны в воздушных проводах с возвратом грунта», Bell Systems Technical Journal, Vol. 5, pp. 539-554, 1926.