Однофазная индукционная машина с фундаментальной параметризацией SI или pu
Simscape/Электрические/Электромеханические/Асинхронные

Блок индукционной машины (однофазной) представляет собой однофазную индукционную машину с беличьим ротором с фундаментальными параметрами, выраженными в единицах измерения или в Международной системе единиц измерения (СИ).
Каждый из четырех вариантов модели для блока индукционной машины (однофазной) соответствует опции выбора блока. Чтобы получить доступ к вариантам блоков, в окне модели щелкните блок правой кнопкой мыши и выберите один из следующих способов.
В контекстном меню выберите «Simscape» > «Block choices».
В редакторе Simulink ® на вкладке «Моделирование» в разделе «Проектирование» в категории «Управление данными» выберите «Инспектор свойств». В окне Инспектора свойств выберите вариант блока.
Варианты модели:
Split-phase
Capacitor-start
Capacitor-start-capacitor-run
Main and auxiliary windings
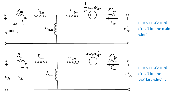
Однофазная индукционная машина состоит из несущего ротора и двух статорных обмоток, основной и вспомогательной обмоток. Вспомогательная обмотка обычно активна только во время пуска. Однако для повышения производительности вспомогательная обмотка может быть активной во время работы для приложений с низким энергопотреблением. На рисунке показаны эквивалентные d- и q-осевые цепи для основной и вспомогательной обмоток.

Таблица определяет переменные.
| Переменная | Определение |
|---|---|
| vqsvds | Напряжения статора в представлении d-q |
| iqsids | Токи статора в представлении d-q |
| ΨqrΨdr | Потоки ротора в представлении d-q |
| ⍵ | Электрическая частота вращения ротора |
| a | Коэффициент поворота вспомогательных/основных обмоток |
| Ras | Сопротивление статора основной обмотки |
| Las | Индуктивность утечки статора основной обмотки |
| Р "ар | Сопротивление ротора основной обмотки |
| Л "лар | Индуктивность утечки ротора основной обмотки |
| Lmas | Взаимная индуктивность основной обмотки |
| RBS | Сопротивление статора вспомогательной обмотки |
| Rlbs | Индуктивность утечки статора вспомогательной обмотки |
| R 'br | Сопротивление ротора вспомогательной обмотки |
| Л 'лбр | Индуктивность утечки ротора вспомогательной обмотки |
| Lmbs | Взаимная индуктивность вспомогательной обмотки |
Модель СИ преобразует значения СИ, введенные в диалоговом окне, в единицы измерения для моделирования. Сведения о взаимосвязи между параметрами СИ и станка на единицу измерения см. в разделе Преобразование станка на единицу измерения. Сведения о параметризации по единицам измерения см. в разделе Система единиц измерения по единицам измерения.
Эти преобразования уменьшают сопротивление ротора, индуктивность утечки ротора и взаимную индуктивность статора до одного набора значений путем определения эквивалентных цепей относительно основной обмотки:
1a2Lmbs
1a2Rbr'
1a2Llbr'
Уравнения напряжения для статора и ротора:
dü qsdt
dü dsdt
Lmsiqr '
a2Lmsidr '
Lmsiqs
a2Lmsids
Выражение для электромагнитного момента, Т, получается применением принципа виртуального смещения [1].
1a dr 'iqr')
Механическое уравнение
Bmü m,
где startm - угловая скорость ротора.
В двухфазных машинах вспомогательная обмотка смещается под углом 90 ° от основной обмотки и работает только до тех пор, пока скорость не достигнет скорости разъединения, которая обычно составляет от 70 до 80% номинальной скорости. В этой конфигурации вспомогательная обмотка имеет высокое сопротивление и малое реактивное сопротивление по сравнению с основной обмоткой. Результирующая разность фаз заставляет машину вести себя как двухфазную машину.
Машина запуска конденсатора - это тип машины с разделенной фазой, которая использует конденсатор последовательно со вспомогательной обмоткой для запуска машины. В этой конфигурации вспомогательные и основные обмотки имеют одинаковое количество витков. Величина конденсатора гарантирует, что ток в вспомогательной катушке ведет ток в основной обмотке приблизительно на 80 электрических градусов.
Напряжение запуска конденсатора составляет:
Когда конденсатор соединен последовательно со вспомогательной обмоткой, уравнение напряжения для d-оси равно
Удлинение получают непосредственно для машин, работающих на конденсаторе-пусковом конденсаторе. В этой конфигурации два конденсатора соединены параллельно.

Напряжение по оси d после отключения конденсатора
Для отображения базовых значений на единицу оборудования в окне команд MATLAB ® щелкните правой кнопкой мыши блок и в меню Electrical выберите Display Base Values.
Параметры «Переменные» используются для задания приоритетов и начальных целевых значений для переменных блока перед моделированием. Дополнительные сведения см. в разделе Установка приоритета и начальной цели для переменных блока.
[1] Краузе, П. С. «Моделирование несимметричных 2-Phase индукционных машин». Транзакции IEEE по устройствам и системам питания. Том 84, № 11, 1965, с. 1025-1037.
Непосредственный контроль крутящего момента индукционной машины (однофазный) | Полеориентированное управление индукционной машиной (однофазное)