Трансформатор с неидеальным сердечником
Simscape / Электрический / Пассивный / Трансформаторы

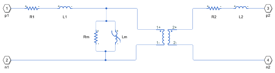
Блок нелинейного трансформатора представляет трансформатор с неидеальным сердечником. Сердечник может быть неидеальным из-за его магнитных свойств и размеров. Эквивалентная топология цепи зависит от того, какая из двух выбранных опций параметризации утечки обмотки:
Combined primary and secondary values

Separate primary and secondary values

где:
Req - комбинированное сопротивление обмотки.
Leq - комбинированная индуктивность утечки.
R1 - сопротивление первичной обмотки.
L1 - индуктивность первичной обмотки.
R2 - сопротивление вторичной обмотки.
L2 - индуктивность вторичной обмотки.
Rm - сопротивление намагниченности.
Lm - индуктивность намагниченности.
Блок предоставляет следующие опции параметризации для индуктивности нелинейной намагниченности:
Single inductance (linear)
Single saturation point
Magnetic flux versus current characteristic
Magnetic flux density versus magnetic field strength characteristic
Magnetic flux density versus magnetic field strength characteristic with hysteresis
Дополнительные сведения см. на странице вхождения блока «Нелинейный индуктор».
1+ - Положительная полярность первичной обмоткиПорт экономии электроэнергии, связанный с положительной полярностью первичной обмотки.
1- - Отрицательная полярность первичной обмоткиПорт экономии электроэнергии, связанный с отрицательной полярностью первичной обмотки.
Порт экономии электроэнергии, связанный с отрицательной полярностью первичной обмотки.
2+ - Положительная полярность вторичной обмоткиПорт экономии электроэнергии, связанный с положительной полярностью вторичной обмотки.
2- - Отрицательная полярность вторичной обмоткиПорт экономии электроэнергии, связанный с отрицательной полярностью вторичной обмотки.
Primary number of turns - Первичное количество оборотов100 (по умолчанию)Количество витков провода на первичной обмотке трансформатора.
Secondary number of turns - Вторичное количество оборотов200 (по умолчанию)Количество витков провода на вторичной обмотке трансформатора.
Winding parameterized by - Параметризация утечки обмоткиCombined primary and secondary values (по умолчанию) | Separate primary and secondary valuesВыберите один из следующих методов параметризации утечки обмотки:
Combined primary and secondary values - Использовать значения комкованного сопротивления и индуктивности, представляющие совокупную утечку в первичной и вторичной обмотках. Это параметр по умолчанию.
Separate primary and secondary values - Использовать отдельные сопротивления и индуктивности для обозначения протечек в первичной и вторичной обмотках.
Combined winding resistance - Комбинированное сопротивление обмотки0.01
Ohm (по умолчанию)Комкованное эквивалентное сопротивление Req, которое представляет собой совокупную потерю мощности первичной и вторичной обмоток.
Этот параметр отображается только при выборе Combined primary and secondary values для параметра «Обмотка».
Combined leakage inductance - Комбинированная индуктивность утечки0.0001
H (по умолчанию)Объемная эквивалентная индуктивность Leq, которая представляет собой совокупную потерю магнитного потока первичной и вторичной обмоток.
Этот параметр отображается только при выборе Combined primary and secondary values для параметра «Обмотка».
Primary winding resistance - Сопротивление первичной обмотки0.01
Ohm (по умолчанию)Сопротивление R1, которое представляет потерю мощности первичной обмотки.
Этот параметр отображается только при выборе Separate primary and secondary values для параметра «Обмотка».
Primary leakage inductance - Индуктивность первичной утечки0.0001
H (по умолчанию)Индуктивность L1, которая представляет потерю магнитного потока первичной обмотки.
Этот параметр отображается только при выборе Separate primary and secondary values для параметра «Обмотка».
Secondary winding resistance - Сопротивление вторичной обмотки0.01
Ohm (по умолчанию)Сопротивление R2, которое представляет потерю мощности вторичной обмотки.
Этот параметр отображается только при выборе Separate primary and secondary values для параметра «Обмотка».
Secondary leakage inductance - Индуктивность вторичной утечки0.0001
H (по умолчанию)Индуктивность L2, которая представляет потерю магнитного потока вторичной обмотки.
Этот параметр отображается только при выборе Separate primary and secondary values для параметра «Обмотка».
Averaging period for power logging - Период усреднения для регистрации мощности0
s (по умолчанию)Период усреднения для регистрации питания
Magnetization resistance - Сопротивление намагничиванию100
Ohm (по умолчанию)Сопротивление Rm, которое представляет магнитные потери в сердечнике трансформатора.
Magnetization inductance parameterized by - Параметризация индуктивности нелинейной намагниченностиSingle saturation point (по умолчанию) | Single inductance (linear) | Magnetic flux versus current characteristic | Magnetic flux density versus field strength characteristic | Magnetic flux density versus field strength characteristic with hysteresisВыберите один из следующих методов для параметризации индуктивности нелинейной намагниченности:
Single inductance (linear) - Обеспечить значение ненасыщенной индуктивности.
Single saturation point - Обеспечить значения ненасыщенных и насыщенных индуктивностей, а также магнитного потока насыщения. Это параметр по умолчанию.
Magnetic flux versus current characteristic - укажите вектор тока и вектор магнитного потока для заполнения таблицы сравнения магнитного потока и тока.
Magnetic flux density versus field strength characteristic - Предоставить значения эффективной длины сердечника и площади поперечного сечения, а также вектора напряженности магнитного поля и вектора плотности магнитного потока для заполнения таблицы зависимости плотности магнитного потока от напряжения магнитного поля.
Magnetic flux density versus field strength characteristic with hysteresis - в дополнение к числу витков и эффективной длине сердечника и площади поперечного сечения, предоставить значения для начального градиента кривой В-Н, плотность магнитного потока и напряженность поля в определенной точке на кривой B-H, а также коэффициент обратимой намагниченности, коэффициент объемной связи, и коэффициент межполюсной связи для определения плотности магнитного потока как функции величины тока и истории напряженности поля.
Unsaturated inductance - Ненасыщенная индуктивность4e-2
H (по умолчанию)Величина индуктивности, используемая при работе индуктивности намагниченности Lm в ее линейной области.
Этот параметр отображается только при выборе Single inductance (linear) или Single saturation point для индуктивности намагниченности, параметризованной параметром.
Saturated inductance - Насыщенная индуктивность1e-2
H (по умолчанию)Величина индуктивности, используемая при работе индуктивности намагниченности Lm за пределами ее точки насыщения.
Этот параметр отображается только при выборе Single saturation point для индуктивности намагниченности, параметризованной параметром.
Saturation magnetic flux - Магнитный поток насыщения1.6e-04
Wb (по умолчанию)Величина магнитного потока, при которой индуктивность намагниченности Lm насыщается.
Этот параметр отображается только при выборе Single saturation point для индуктивности намагниченности, параметризованной параметром.
Current vector, i - Текущие данные[0, .4, .8, 1.2, 1.6, 2]
A (по умолчанию)Текущие данные, используемые для заполнения таблицы поиска по току магнитного потока.
Этот параметр отображается только при выборе Magnetic flux versus current characteristic для индуктивности намагниченности, параметризованной параметром.
Magnetic flux vector, phi - Вектор магнитного потока[0, .161, .25, .284, .295, .299] .* 1e-3
Wb (по умолчанию)Данные магнитного потока, используемые для заполнения таблицы сравнения магнитного потока и тока.
Этот параметр отображается только при выборе Magnetic flux versus current characteristic для индуктивности намагниченности, параметризованной параметром.
Magnetic field strength vector, H - Вектор напряженности магнитного поля[0, 200, 400, 600, 800, 1000]
A/m (по умолчанию)Данные напряженности магнитного поля, используемые для заполнения таблицы сравнения плотности магнитного потока и напряженности магнитного поля.
Этот параметр отображается только при выборе Magnetic flux density versus field strength characteristic для индуктивности намагниченности, параметризованной параметром.
Magnetic flux density vector, B - Вектор плотности магнитного потока[0, .81, 1.25, 1.42, 1.48, 1.49]
T (по умолчанию)Данные плотности магнитного потока, используемые для заполнения таблицы сравнения плотности магнитного потока и напряженности магнитного поля.
Этот параметр отображается только при выборе Magnetic flux density versus field strength characteristic для индуктивности намагниченности, параметризованной параметром.
Effective length - Эффективная длина0.2
m (по умолчанию)Эффективная длина сердечника, то есть среднее расстояние магнитного пути вокруг сердечника трансформатора.
Этот параметр отображается только при выборе Magnetic flux density versus field strength characteristic для индуктивности намагниченности, параметризованной параметром.
Effective cross-sectional area - Эффективная площадь поперечного сечения2e-4
m^2 (по умолчанию)Эффективная площадь поперечного сечения сердечника, то есть средняя площадь магнитного пути вокруг сердечника трансформатора.
Этот параметр отображается только при выборе Magnetic flux density versus field strength characteristic для индуктивности намагниченности, параметризованной параметром.
Anhysteretic B-H gradient when H is zero - Ангистеретический градиент B-H вокруг нулевой напряженности поля0.005
m*T/A (по умолчанию)Градиент ангистеретической (без гистерезиса) кривой B-H вокруг нулевой напряженности поля. Установите его в среднее значение градиента кривых положительного и отрицательного гистерезиса.
Этот параметр отображается только при выборе Magnetic flux density versus field strength characteristic with hysteresis для индуктивности намагниченности, параметризованной параметром.
Flux density point on anhysteretic B-H curve - Точка плотности потока на ангистеретической кривой B-H1.49
T (по умолчанию)Укажите точку на анистеретической кривой, указав значение плотности потока. Наиболее точным вариантом является выбор точки при высокой напряженности поля, где кривые положительного и отрицательного гистерезиса выравниваются.
Этот параметр отображается только при выборе Magnetic flux density versus field strength characteristic with hysteresis для индуктивности намагниченности, параметризованной параметром.
Corresponding field strength - Соответствующая напряженность поля1000
A/m (по умолчанию)Соответствующая напряженность поля для точки, определяемой точкой плотности потока на параметре ангистеретической кривой B-H.
Этот параметр отображается только при выборе Magnetic flux density versus field strength characteristic with hysteresis для индуктивности намагниченности, параметризованной параметром.
Coefficient for reversible magnetization, c - Коэффициент реверсивной намагниченности0.1 (по умолчанию)Доля обратимой намагниченности. Значение должно быть больше нуля и меньше единицы.
Этот параметр отображается только при выборе Magnetic flux density versus field strength characteristic with hysteresis для индуктивности намагниченности, параметризованной параметром.
Bulk coupling coefficient, K - Коэффициент сцепления насыпью200
A/m (по умолчанию)Параметр Джилса-Атертона, который в основном управляет величиной напряженности поля, при которой кривая B-H пересекает линию нулевой плотности потока.
Этот параметр отображается только при выборе Magnetic flux density versus field strength characteristic with hysteresis для индуктивности намагниченности, параметризованной параметром.
Inter-domain coupling factor, alpha - Междоменный коэффициент связи1e-4 (по умолчанию)Параметр Джилса (Jiles) - Атертона (Atherton), который в первую очередь влияет на точки, в которых кривые B-H пересекают линию нулевой напряженности поля. Типичные значения находятся в диапазоне от 1e-4 до 1e-3.
Этот параметр отображается только при выборе Magnetic flux density versus field strength characteristic with hysteresis для индуктивности намагниченности, параметризованной параметром.
Interpolation option - Опция интерполяцииLinear (по умолчанию) | SmoothОпция интерполяции таблицы подстановки. Выберите один из следующих методов интерполяции:
Linear - Выберите этот параметр, чтобы получить наилучшую производительность.
Smooth - выберите эту опцию, чтобы создать непрерывную кривую с непрерывными производными первого порядка.
Дополнительные сведения о алгоритмах интерполяции см. на странице ссылок на блоки таблицы поиска PS (1D).
Этот параметр отображается только при выборе Magnetic flux versus current characteristic или Magnetic flux density versus field strength characteristic для индуктивности намагниченности, параметризованной параметром.
Combined leakage inductance initial current - Комбинированный начальный ток индуктивности утечки0
A (по умолчанию)Величина тока через объединенную индуктивность утечки Leq в нуль времени.
Этот параметр отображается только при выборе Combined primary and secondary values для параметра «Обмотка» на вкладке «Главная».
Primary leakage inductance initial current - Начальный ток индуктивности первичной утечки0
A (по умолчанию)Значение тока через первичную индуктивность утечки L1 в нуль времени.
Этот параметр отображается только при выборе Separate primary and secondary values для параметра «Обмотка» на вкладке «Главная».
Secondary leakage inductance initial current - Начальный ток индуктивности вторичной утечки0
A (по умолчанию)Величина тока через индуктивность вторичной утечки L2 в нуль времени.
Этот параметр отображается только при выборе Separate primary and secondary values для параметра «Обмотка» на вкладке «Главная».
Specify magnetization inductance initial state by - Вариант спецификации исходного состоянияCurrent (по умолчанию) | Magnetic fluxВыберите соответствующую опцию спецификации начального состояния:
Current - Укажите начальное состояние индуктивности намагничивания Lm по исходному току. Это параметр по умолчанию.
Magnetic flux - Указать исходное состояние индуктивности намагничивания Lm по магнитному потоку.
Этот параметр не отображается только при выборе Magnetic flux density versus magnetic field strength characteristic with hysteresis для индуктивности намагниченности, параметризованной параметром на вкладке намагниченности.
Magnetization inductance initial current - Начальный ток индуктивности намагничивания0
A (по умолчанию)Начальное значение тока, используемое для вычисления значения магнитного потока в индуктивности намагничивания Lm в нуль времени. Это ток, проходящий через индуктивность намагничивания Lm. Суммарный ток намагничивания состоит из тока, проходящего через сопротивление намагничивания Rm, и тока, проходящего через индуктивность намагничивания Lm.
Этот параметр отображается только при выборе Current для параметра Задать начальное состояние индуктивности намагниченности.
Magnetization inductance initial magnetic flux - Начальный магнитный поток индуктивности намагничивания0
Wb (по умолчанию)Величина магнитного потока в индуктивности намагничивания Lm в нуль времени.
Этот параметр отображается только при выборе Magnetic flux для параметра Задать начальное состояние индуктивности намагниченности.
Magnetization inductance initial magnetic flux density - Начальная плотность магнитного потока индуктивности намагничивания0
T (по умолчанию)Значение плотности магнитного потока в нуль времени. Этот параметр отображается только при выборе Magnetic flux density versus magnetic field strength characteristic with hysteresis для индуктивности намагниченности, параметризованной параметром на вкладке намагниченности.
Этот параметр отображается только при выборе Magnetic flux density versus field strength characteristic with hysteresis для индуктивности намагниченности, параметризованной параметром.
Magnetization inductance initial field strength - Начальная напряженность поля индуктивности намагничивания0
A/m (по умолчанию)Значение напряженности магнитного поля в нуль времени.
Этот параметр отображается только при выборе Magnetic flux density versus field strength characteristic with hysteresis для индуктивности намагниченности, параметризованной параметром.
Combined leakage inductance parasitic parallel conductance - Комбинированная индуктивность утечки паразитная параллельная проводимость1e-9
1/Ohm (по умолчанию)Используйте этот параметр для представления малых паразитных эффектов параллельно комбинированной индуктивности утечки Leq. Для моделирования некоторых топологий цепи может потребоваться небольшая параллельная проводимость.
Этот параметр отображается только при выборе Combined primary and secondary values для параметра «Обмотка» на вкладке «Главная».
Primary leakage inductance parasitic parallel conductance - Паразитная параллельная проводимость индуктивности первичной утечки1e-9
1/Ohm (по умолчанию)Этот параметр используется для представления малых паразитных эффектов параллельно первичному L1 индуктивности утечки. Для моделирования некоторых топологий цепи может потребоваться небольшая параллельная проводимость.
Этот параметр отображается только при выборе Separate primary and secondary values для параметра «Обмотка» на вкладке «Главная».
Secondary leakage inductance parasitic parallel conductance - Паразитная параллельная проводимость индуктивности вторичной утечки1e-9 (по умолчанию)Этот параметр используется для представления малых паразитных эффектов параллельно L2 индуктивности вторичной утечки. Для моделирования некоторых топологий цепи может потребоваться небольшая параллельная проводимость.
Этот параметр отображается только при выборе Separate primary and secondary values для параметра «Обмотка» на вкладке «Главная».
Заземляющий трансформатор | Идеальный трансформатор | Трансформатор, изменяющий отводы | Трехобмоточный трансформатор (трехфазный) | Двухобмоточный трансформатор (трехфазный) | Трансформатор Зигзаг-Дельта-Уай
1. Если смысл перевода понятен, то лучше оставьте как есть и не придирайтесь к словам, синонимам и тому подобному. О вкусах не спорим.
2. Не дополняйте перевод комментариями “от себя”. В исправлении не должно появляться дополнительных смыслов и комментариев, отсутствующих в оригинале. Такие правки не получится интегрировать в алгоритме автоматического перевода.
3. Сохраняйте структуру оригинального текста - например, не разбивайте одно предложение на два.
4. Не имеет смысла однотипное исправление перевода какого-то термина во всех предложениях. Исправляйте только в одном месте. Когда Вашу правку одобрят, это исправление будет алгоритмически распространено и на другие части документации.
5. По иным вопросам, например если надо исправить заблокированное для перевода слово, обратитесь к редакторам через форму технической поддержки.
