Синхронная машина дискретного или непрерывного времени AC8C система возбуждения, включающая автоматический регулятор напряжения и возбудитель
Управление Simscape/Electrical/Control/SM

Блок SM AC8C реализует синхронный тип машины AC8C модель системы возбуждения в соответствии с IEEE 421,5-2016 [1].
Используйте этот блок для моделирования управления и регулирования напряжения поля синхронной машины, которая работает как генератор с помощью вращающегося возбудителя переменного тока.
Можно переключаться между непрерывной и дискретной реализациями блока с помощью параметра Sample time (-1 для унаследованного). Чтобы настроить интегратор на непрерывное время, установите для свойства Sample time (-1 для унаследованного) значение 0. Чтобы настроить интегратор на дискретное время, установите для свойства Sample time (-1 для унаследованного) положительное, ненулевое значение или значение -1 для наследования времени выборки из восходящего блока.
Блок SM AC8C состоит из пяти основных компонентов:
Компенсатор тока изменяет измеренное напряжение на клемме в зависимости от тока клеммы.
Измерительный преобразователь напряжения моделирует динамику контактного преобразователя напряжения с помощью фильтра нижних частот.
Компонент «Элементы управления возбуждением» сравнивает выходной сигнал преобразователя напряжения с опорным напряжением клеммы для получения ошибки напряжения. Эта ошибка напряжения затем проходит через регулятор напряжения для создания напряжения возбуждения возбудителя.
Вращающийся возбудитель переменного тока моделирует вращающийся возбудитель переменного тока, который создает напряжение поля, которое подается на управляемую синхронную машину. Блок также подает ток поля возбудителя (который имеет стандартный символ VFE) обратно в систему возбуждения.
Источник питания моделирует зависимость источника питания для управляемого выпрямителя от напряжения на клемме.
На этой диаграмме показана общая структура модели системы возбуждения AC8C:

На схеме:
VT и IT - измеренное напряжение на клеммах и ток синхронной машины.
VC1 - напряжение на клемме с компенсацией тока.
VC - отфильтрованное напряжение на клемме с компенсацией тока.
VREF - опорное напряжение на клемме.
VS - напряжение стабилизатора системы питания.
SW1 - выбранный пользователем переключатель источника питания для управляемого выпрямителя.
VB - напряжение возбуждения возбудителя.
EFE и VFE - напряжение возбуждения возбудителя и ток соответственно.
EFD и IFD - напряжение поля и ток соответственно.
В следующих разделах подробно описывается каждая из основных частей блока.
Компенсатор тока моделируется как:
+ XC2,
где:
RC - сопротивление компенсации нагрузки.
XC - реактивное сопротивление компенсации нагрузки.
Измерительный преобразователь напряжения выполнен в виде блока фильтра нижних частот с постоянной времени TR. Для получения информации о дискретных и непрерывных реализациях см. документацию по этому блоку.
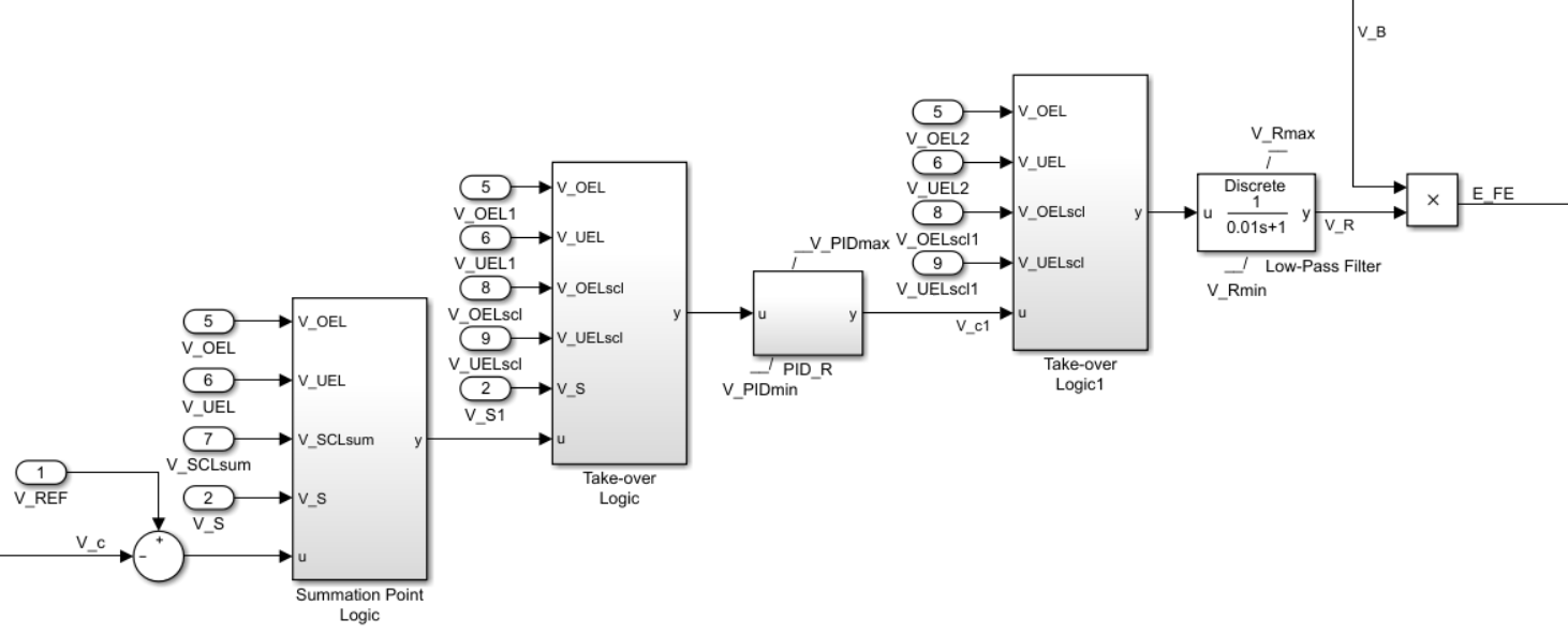
Эта диаграмма иллюстрирует общую структуру элементов управления возбуждением:

На схеме:
Подсистема логики точки суммирования моделирует входное местоположение точки суммирования для ограничителя чрезмерного возбуждения (OEL), ограничителя недостаточного возбуждения (UEL), ограничителя тока статора (SCL) и напряжения переключателя питания (V_S). Дополнительные сведения об использовании ограничителей с этим блоком см. в разделе Ограничения тока поля.
Существует две подсистемы приемной логики. Они моделируют расположение входного сигнала точки приема для напряжений OEL, UEL, SCL и PSS. Дополнительные сведения об использовании ограничителей с этим блоком см. в разделе Ограничения тока поля.
Подсистема PID_R моделирует PID-контроллер, который функционирует как управляющая структура для автоматического регулятора напряжения. Минимальными и максимальными пределами насыщения защиты от навивки для блока являются VPIDmin и VPIDmax соответственно.
Блок фильтра нижних частот моделирует основную динамику регулятора напряжения. Здесь KA - коэффициент усиления регулятора, а TA - основная постоянная времени регулятора. Минимальными и максимальными пределами насыщения от навивки для блока являются VRmin и VRmax соответственно.
Параметр Logical switch 1 управляет источником питания для управляемого выпрямителя. Командный сигнал регулятора напряжения VR умножается на напряжение поля возбудителя VB. Дополнительные сведения о выбранном пользователем логическом коммутаторе для источника питания управляемого выпрямителя см. в разделе Источник питания.
Для изменения выходного сигнала регулятора напряжения в небезопасных рабочих условиях можно использовать различные ограничители тока поля:
Для предотвращения перегрева обмотки поля из-за чрезмерной потребности в токе поля используйте ограничитель перегрузки.
Используйте ограничитель неполучения, чтобы увеличить возбуждение поля, когда оно слишком низкое, что создает риск десинхронизации.
Используйте ограничитель тока статора для предотвращения перегрева обмоток статора из-за избыточного тока.
Присоедините выход любого из этих ограничителей в одной из следующих точек:
Точка суммирования в составе контура обратной связи автоматического регулятора напряжения (АВР)
Точка захвата для переопределения обычного поведения AVR
При использовании ограничителя тока статора в точке суммирования используйте одиночный вход VSCLsum. При использовании ограничителя тока статора в точке захвата используйте как вход сверхвыпуска, VOELscl, так и вход недозволения, VТТscl.
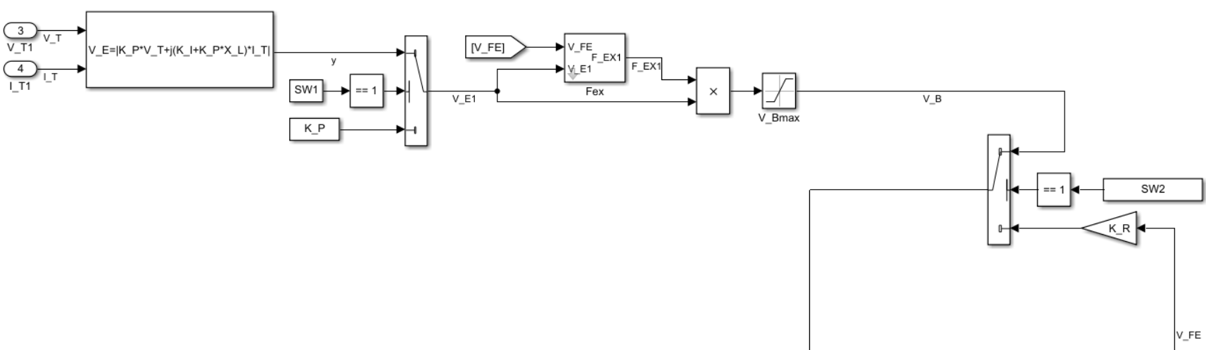
Эта диаграмма иллюстрирует общую структуру вращающегося возбудителя переменного тока:

На схеме:
Ток поля возбудителя VFE моделируется как суммирование трех сигналов:
Нелинейная функция Vx моделирует насыщение выходного напряжения возбудителя.
Пропорциональный член KE моделирует линейную зависимость между выходным напряжением возбудителя и током поля возбудителя.
Эффект размагничивания тока нагрузки на выходное напряжение возбудителя моделируется с использованием постоянной размагничивания KD в контуре обратной связи.
Интегратор с подсистемой переменных предельных значений интегрирует разность между EFE и VFE для формирования выходного напряжения VE возбудителя переменного тока. TE - постоянная времени для этого процесса.
Нелинейная функция FEX моделирует падение выходного напряжения возбудителя от регулирования выпрямителя. Эта функция зависит от постоянной KC, которая сама является функцией коммутационного реактивного сопротивления.
Параметры VEmin и VFEmax моделируют нижний и верхний пределы вращающегося возбудителя.
Можно использовать различные представления источника питания для управляемого выпрямителя, выбрав соответствующую опцию в параметре Logical switch 1. Источник питания для управляемого выпрямителя может быть либо получен из напряжения на клемме (Position A: power source derived from terminal voltage) или он может быть независимым от напряжения на клемме (Position B: power source independent from the terminal conditions).

[1] Рекомендуемая практика IEEE для моделей систем возбуждения для исследований устойчивости энергосистемы. IEEE Std 421.5-2016. Piscataway, NJ: IEEE-SA, 2016.