Синхронная машина дискретного или непрерывного времени AC2C система возбуждения, включающая автоматический регулятор напряжения и возбудитель
Управление Simscape/Electrical/Control/SM

Блок SM AC2C реализует синхронный тип машины AC2C модель системы возбуждения в соответствии с IEEE 421,5-2016 [1].
Используйте этот блок для моделирования управления и регулирования напряжения поля синхронной машины, которая работает как генератор с помощью вращающегося возбудителя переменного тока.
Можно переключаться между непрерывной и дискретной реализациями блока с помощью параметра Sample time (-1 для унаследованного). Чтобы настроить интегратор на непрерывное время, установите для свойства Sample time (-1 для унаследованного) значение 0. Чтобы настроить интегратор на дискретное время, установите для свойства Sample time (-1 для унаследованного) положительное, ненулевое значение или значение -1 для наследования времени выборки из восходящего блока.
Блок SM AC2C состоит из четырех основных компонентов:
Компенсатор тока изменяет измеренное напряжение на клемме как функцию тока на клемме.
Измерительный преобразователь напряжения моделирует динамику контактного преобразователя напряжения с помощью фильтра нижних частот.
Компонент «Элементы управления возбуждением» сравнивает выходной сигнал преобразователя напряжения с опорным напряжением клеммы для получения ошибки напряжения. Эта ошибка напряжения затем проходит через регулятор напряжения для создания напряжения возбуждения возбудителя.
Вращающийся возбудитель переменного тока моделирует вращающийся возбудитель переменного тока, который создает напряжение поля, которое подается на управляемую синхронную машину. Блок также подает ток поля возбудителя (который имеет стандартный символ VFE) обратно в систему возбуждения.
На этой диаграмме показана общая структура модели системы возбуждения AC2C:

На схеме:
VT и IT - измеренное напряжение на клеммах и ток синхронной машины.
VC1 - напряжение на клемме с компенсацией тока.
VC - отфильтрованное напряжение на клемме с компенсацией тока.
VREF - опорное напряжение на клемме.
VS - напряжение стабилизатора системы питания.
EFE и VFE - напряжение возбуждения возбудителя и ток соответственно.
EFD и IFD - напряжение поля и ток соответственно.
В следующих разделах подробно описывается каждая из основных частей блока.
Компенсатор тока моделируется как:
+ XC2,
где:
RC - сопротивление компенсации нагрузки.
XC - реактивное сопротивление компенсации нагрузки.
Измерительный преобразователь напряжения выполнен в виде блока фильтра нижних частот с постоянной времени TR. Для получения информации о дискретных и непрерывных реализациях см. документацию по этому блоку.
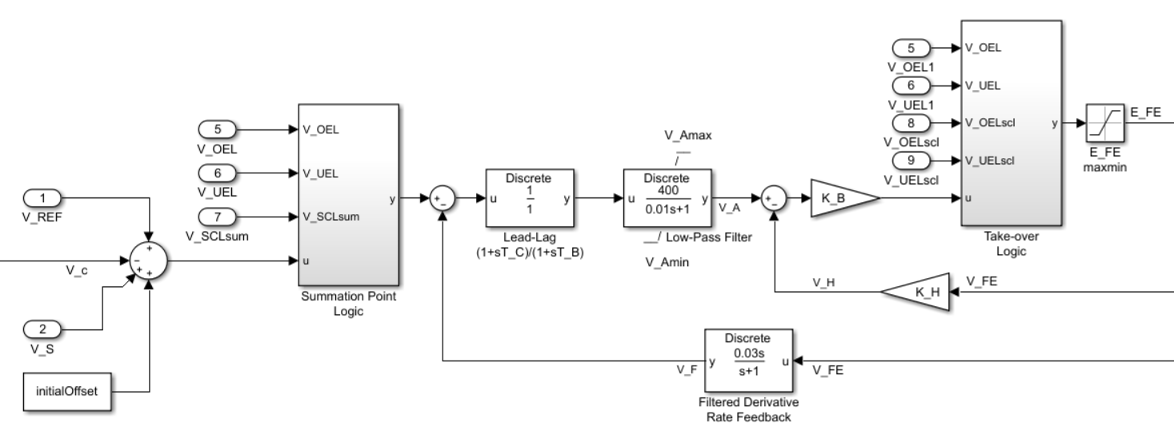
Эта диаграмма иллюстрирует общую структуру элементов управления возбуждением:

На схеме:
Подсистема логики точки суммирования моделирует входное местоположение точки суммирования для напряжений ограничителя сверхвыпуска (OEL), ограничителя недозволенности (UEL) и ограничителя тока статора (SCL). Дополнительные сведения об использовании ограничителей с этим блоком см. в разделе Ограничения тока поля.
Блок Lead-Lag моделирует дополнительную динамику, связанную с регулятором напряжения. Здесь TC - постоянная времени опережения, а TB - постоянная времени запаздывания. Для получения информации о дискретных и непрерывных реализациях см. документацию по блоку Lead-Lag.
Блок фильтра нижних частот моделирует основную динамику регулятора напряжения. Здесь KA - коэффициент усиления регулятора, а TA - основная постоянная времени регулятора. Минимальными и максимальными пределами насыщения от навивки для блока являются VAmin и VAmax соответственно.
Подсистема Take-over Logic моделирует местоположение входа точки приема для напряжений OEL, UEL и SCL. Дополнительные сведения об использовании ограничителей с этим блоком см. в разделе Ограничения тока поля.
Блок отфильтрованной производной моделирует траекторию обратной связи скорости для стабилизации системы возбуждения. Здесь KF и TF являются константами усиления и времени этой системы соответственно. Для получения информации о дискретных и непрерывных реализациях см. документацию по блоку отфильтрованных производных.
Чтобы увеличить малую полосу частот отклика сигнала системы возбуждения, прямая отрицательная обратная связь, VH, моделирует реализацию компенсации постоянной времени возбудителя. Постоянное время уменьшено фактором, пропорциональным Второй стадии regulato выгода, K_B (pu) и действующая выгода обратной связи регулятора области Возбудителя, параметры K_H (pu).
EFEmin и EFEmax - минимальные и максимальные пределы насыщения для выходного напряжения поля возбудителя EFE.
Для изменения выходного сигнала регулятора напряжения в небезопасных рабочих условиях можно использовать различные ограничители тока поля:
Для предотвращения перегрева обмотки поля из-за чрезмерной потребности в токе поля используйте ограничитель перегрузки.
Используйте ограничитель неполучения, чтобы увеличить возбуждение поля, когда оно слишком низкое, что создает риск десинхронизации.
Используйте ограничитель тока статора для предотвращения перегрева обмоток статора из-за избыточного тока.
Присоедините выход любого из этих ограничителей в одной из следующих точек:
Точка суммирования в составе контура обратной связи автоматического регулятора напряжения (АВР)
Точка захвата для переопределения обычного поведения AVR
При использовании ограничителя тока статора в точке суммирования используйте одиночный вход VSCLsum. При использовании ограничителя тока статора в точке захвата используйте как вход сверхвыпуска, VOELscl, так и вход недозволения, VТТscl.
Эта диаграмма иллюстрирует общую структуру вращающегося возбудителя переменного тока:

На схеме:
Ток поля возбудителя VFE моделируется как суммирование трех сигналов:
Нелинейная функция Vx моделирует насыщение выходного напряжения возбудителя.
Пропорциональный член KE моделирует линейную зависимость между выходным напряжением возбудителя и током поля возбудителя.
Эффект размагничивания тока нагрузки на выходное напряжение возбудителя моделируется с использованием постоянной размагничивания KD в контуре обратной связи.
Интегратор с подсистемой переменных предельных значений интегрирует разность между EFE и VFE для формирования выходного напряжения VE возбудителя переменного тока. TE - постоянная времени для этого процесса.
Нелинейная функция FEX моделирует падение выходного напряжения возбудителя от регулирования выпрямителя. Эта функция зависит от постоянной KC, которая сама является функцией коммутационного реактивного сопротивления.
Параметры VEmin и VFEmax моделируют нижний и верхний пределы вращающегося возбудителя.
[1] Рекомендуемая практика IEEE для моделей систем возбуждения для исследований устойчивости энергосистемы. IEEE Std 421.5-2016. Piscataway, NJ: IEEE-SA, 2016.