Этот раздел берет Вас через особенности анализа небольшой волны мультисигнала 1-D, сжатия и denoising использование программного обеспечения Wavelet Toolbox™. Обоснование каждой темы является таким же, как и в 1-D случае одиночного сигнала.
Панель инструментов предоставляет следующие функции для анализа множественных сигналов.
Функции анализа-разложения и синтеза-реконструкции
Утилиты структуры декомпозиции
Имя функции | Цель |
|---|---|
Изменение коэффициентов мультисигнала 1-D разложения | |
Перепад энергии мультисигнала 1-D разложения |
Функции сжатия и деноизирования
Имя функции | Цель |
|---|---|
Мультисигнал 1-D сжатие с использованием вейвлетов | |
Показатели мультисигнального 1-D вейвлет-сжатия | |
Мультисигнал 1-D пороговые значения сжатия и производительность | |
Мультисигнал 1-D деноизирование с помощью вейвлетов | |
Выполнение мультисигнала 1-D пороговой обработки |
Анализ можно выполнить из командной строки MATLAB ® или с помощью приложения Wavelet Analyzer. В этом разделе описывается каждый метод. В последнем разделе рассматривается обмен информацией о сигналах и коэффициентах между диском и графическими инструментами.
Загрузите файл из подсказки MATLAB путем ввода
load thinker
Файл thinker.mat содержит одну переменную X. Использовать whos для отображения информации о X.
whos
| Имя | Размер | Байты | Класс |
|---|---|---|---|
X | 192x96 | 147456 | double array |
Постройте график некоторых сигналов.
figure; plot(X(1:5,:)','r'); hold on plot(X(21:25,:)','b'); plot(X(31:35,:)','g') set(gca,'Xlim',[1,96]) grid

Выполните вейвлет-разложение сигналов на уровне 2 строковых сигналов с помощью db2 вейвлет.
dec = mdwtdec('r',X,2,'db2')
При этом создается структура разложения. dec:
dec =
dirDec: 'r'
level: 2
wname: 'db2'
dwtFilters: [1x1 struct]
dwtEXTM: 'sym'
dwtShift: 0
dataSize: [192 96]
ca: [192x26 double]
cd: {[192x49 double] [192x26 double]}
Изменение вейвлет-коэффициентов.
Для каждого сигнала изменяют вейвлет-коэффициенты, устанавливая все коэффициенты детализации уровня 1 на ноль.
decBIS = chgwdeccfs(dec,'cd',0,1);
При этом создается новая структура разложения. decBIS.
Выполните вейвлет-реконструкцию сигналов и постройте график некоторых из новых сигналов.
Xbis = mdwtrec(decBIS); figure; plot(Xbis(1:5,:)','r'); hold on plot(Xbis(21:25,:)','b'); plot(Xbis(31:35,:)','g') grid; set(gca,'Xlim',[1,96])

Сравните старые и новые сигналы, построив их вместе.
figure; idxSIG = [1 31]; plot(X(idxSIG,:)','r','linewidth',2); hold on plot(Xbis(idxSIG,:)','b','linewidth',2); grid; set(gca,'Xlim',[1,96])

Установите вейвлет-коэффициенты на уровнях 1 и 2 для сигналов 31-35 на нулевое значение, выполните вейвлет-реконструкцию сигнала 31 и сравните некоторые из старого и нового сигналов.
decTER = chgwdeccfs(dec,'cd',0,1:2,31:35); Y = mdwtrec(decTER,'a',0,31); figure; plot(X([1 31],:)','r','linewidth',2); hold on plot([Xbis(1,:) ; Y]','b','linewidth',2); grid; set(gca,'Xlim',[1,96])

Вычислите энергию сигналов и процент энергии для вейвлет-компонентов.
[E,PEC,PECFS] = wdecenergy(dec);
Энергия сигналов 1 и 31:
Ener_1_31 = E([1 31])
Ener_1_31 =
1.0e+006 *
3.7534
2.2411
Вычисляют процент энергии для вейвлет-составляющих сигналов 1 и 31.
PEC_1_31 = PEC([1 31],:) PEC_1_31 = 99.7760 0.1718 0.0522 99.3850 0.2926 0.3225
В первом столбце показан процент энергии для аппроксимаций на уровне 2. Столбцы 2 и 3 показывают процент энергии для деталей на уровне 2 и 1 соответственно.
Отображение процента энергии для вейвлет-коэффициентов сигналов 1 и 31. Как мы можем видеть в dec структура содержит 26 коэффициентов для аппроксимации и детализации на уровне 2 и 49 коэффициентов для детализации на уровне 1.
PECFS_1 = PECFS(1,:); PECFS_31 = PECFS(31,:); figure; plot(PECFS_1,'r','linewidth',2); hold on plot(PECFS_31,'b','linewidth',2); grid; set(gca,'Xlim',[1,size(PECFS,2)])

Сжимают сигналы, чтобы получить процент нулей около 95% для вейвлет-коэффициентов.
[XC,decCMP,THRESH] = mswcmp('cmp',dec,'N0_perf',95);
[Ecmp,PECcmp,PECFScmp] = wdecenergy(decCMP);
Постройте график исходных сигналов 1 и 31 и соответствующих сжатых сигналов.
figure; plot(X([1 31],:)','r','linewidth',2); hold on plot(XC([1 31],:)','b','linewidth',2); grid; set(gca,'Xlim',[1,96])

Вычислить пороговые значения, процент сохраненной энергии и процент нулей, связанных с L2_perf способ позволяет сохранить не менее 95% энергии.
[THR_VAL,L2_Perf,N0_Perf] = mswcmptp(dec,'L2_perf',95); idxSIG = [1,31]; Thr = THR_VAL(idxSIG) Thr = 256.1914 158.6085 L2per = L2_Perf(idxSIG) L2per = 96.5488 94.7197 N0per = N0_Perf(idxSIG) N0per = 79.2079 86.1386
Сжимают сигналы, чтобы получить процент нулей около 60% для вейвлет-коэффициентов.
[XC,decCMP,THRESH] = mswcmp('cmp',dec,'N0_perf',60);
XC сигналы являются сжатыми версиями исходных сигналов в направлении строки.
Сжать XC сигналы в направлении столбца
XX = mswcmp('cmpsig','c',XC,'db2',2,'N0_perf',60);
Постройте график исходных сигналов X и сжатые сигналы XX в виде изображений.
figure; subplot(1,2,1); image(X) subplot(1,2,2); image(XX) colormap(pink(222))

Денуазировать сигналы, используя универсальный порог:
[XD,decDEN,THRESH] = mswden('den',dec,'sqtwolog','sln'); figure;
plot(X([1 31],:)','r','linewidth',2); hold on
plot(XD([1 31],:)','b','linewidth',2);
grid; set(gca,'Xlim',[1,96])

XD сигналы представляют собой денозованные версии исходных сигналов в направлении строки.
Денуаза XD сигналы в направлении столбца
XX = mswden('densig','c',XD,'db2',2,'sqtwolog','sln');
Постройте график исходных сигналов X и деноизолированные сигналы XX в виде изображений.
figure; subplot(1,2,1); image(X) subplot(1,2,2); image(XX) colormap(pink(222))

В этом разделе рассматривается тот же сигнал, что и в предыдущем разделе, но для его анализа используется приложение Wavelet Analyzer.
Запустите инструмент анализа Wavelet 1-D Multisignal.
В приглашении MATLAB введите waveletAnalyzer.
Появится вейвлет-анализатор.

Щелкните Мультисигнальный анализ (Multisignal Analysis 1-D), чтобы открыть инструмент Вейвлет (Wavelet) 1-D Мультисигнальный анализ (Multisignal Analy

Инструмент разделен на пять панелей. Два из них такие же, как во всех инструментах приложения Wavelet Toolbox, командный фрейм в правой части рисунка и инструмент динамической визуализации в нижней части. Командная рамка содержит специальный компонент, находящийся во всех инструментах мультисигнала: панель «Выбор наборов данных», которая используется для управления двумя списками.
Тремя новыми областями являются панель Визуализация выбранных данных (Visualization of Selected Data), панель Информация о выбранных данных (Information on Selected Data) и панель Выбор данных (Selection of Data).
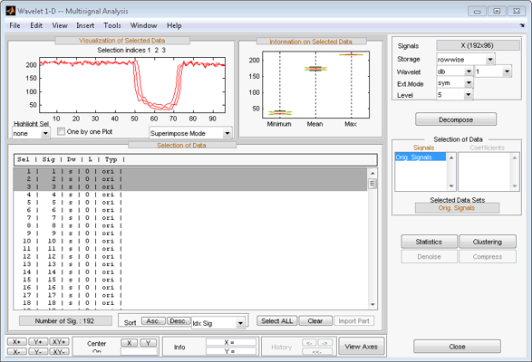
Загрузите сигналы.
В командной строке MATLAB введите
load thinker
X переменная. Нажмите кнопку OK, чтобы импортировать матрицу данных и отобразить первый сигнал.
Панель «Выбор данных» содержит список выбираемых сигналов. В начале доступны только первоначально загруженные сигналы. Можно генерировать и добавлять новые сигналы в список путем разложения, сжатия или обесценения исходных сигналов.
В каждой строке списка отображается индекс выбираемого сигнала (Idx Sel), индекс исходного сигнала (Idx Sig) и три атрибута вейвлет-преобразования, описывающие процесс, используемый для получения выбираемого сигнала из исходного.
Просмотрите сигналы и информацию о сигналах.
При выделенном сигнале 1 щелкните по сигналу 3, удерживая нажатой клавишу Shift, для выбора сигналов 1, 2 и 3.
Удерживая нажатой клавишу Ctrl, щелкните мышью по сигналам 7, 9 и 11. (Кнопка Select ALL в нижней части панели Selection of Data выбирает все сигналы, а кнопка Clear отменяет выбор всех сигналов.)
Выбранные сигналы (1, 2, 3, 7, 9 и 11) появляются на панели Визуализация выбранных данных (Visualization of Selected Data). Панель Информация о выбранных данных (Information on Selected Data) содержит прямоугольные графики минимумов, средств и максимумов этих сигналов.

Выделите сигнал.
С помощью кнопки Подсветить выбор (Highlight Sel) в левом нижнем углу панели Визуализация выбранных данных (Visualization of Selected Data) выберите сигнал 3.

Выберите «Разные представления».
На панели «Визуализация выбранных данных» измените режим просмотра с помощью всплывающего окна в правом нижнем углу. Выберите Отдельный режим. Появятся выбранные сигналы.
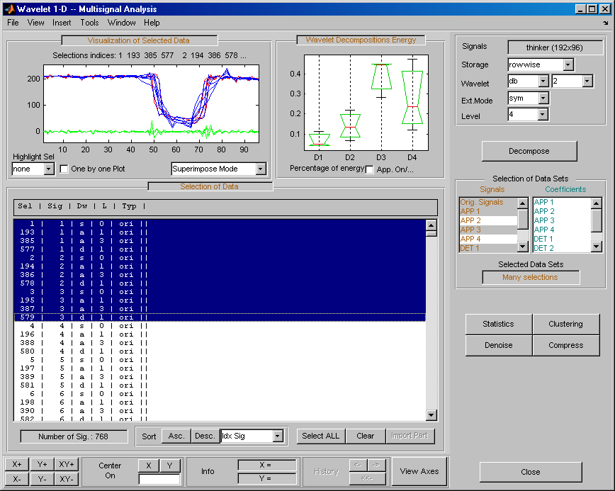
Разложить мультисигнал.
Выполните анализ на уровне 4 с помощью db2 вейвлет и тот же файл, что и в разделе командной строки: thinker.mat.
В правой верхней части инструмента Wavelet 1-D Multisignal Analysis выберите db2 и уровень 4 в полях Vavelet.

Щелкните Разложить (Decompose). После паузы для вычисления все исходные сигналы разлагаются и автоматически выбирается сигнал 1.

На панели «Выбор данных» для каждого исходного сигнала добавляется новая информация - процент энергии вейвлет-компонентов (D1,...,D4 и A4) и общая энергия. Панель Информация о выбранных данных (Information on Selected Data) содержит информацию об одном выбранном сигнале: Мин (Min), Среднее (Mean), Макс (Max) и распределении энергии сигнала.

Поскольку исходные сигналы разложены, появляются новые объекты и обновляется панель «Выбор наборов данных» в командном кадре.
Панель «Выбор наборов данных» определяет доступные сигналы, которые теперь можно выбрать на панели «Выбор данных».

Список слева позволяет выбирать наборы сигналов, а правый список - наборы соответствующих коэффициентов: исходные сигналы (Orig. Signals), приближения (APP 1,...) и подробности с уровней 1 по 4 (DET 1,...).
В списке справа векторы коэффициентов могут быть разной длины, но только компоненты одинаковой длины могут быть выбраны вместе.
После разложения исходные сигналы (Orig. Signals) автоматически выбирается набор данных.
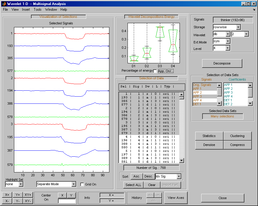
Выберите сигналы 1, 2, 3, 7, 9 и 11.

Энергия выбранных сигналов в первую очередь сосредоточена в приближении A4таким образом, рамочный график разрушается (см. следующий рисунок слева). Снимите флажок Вкл ./Выкл., чтобы увидеть лучшее представление энергии деталей (см. следующий рисунок справа).

Отображение многосигнальных разложений.
На панели «Визуализация выбранных данных» измените режим просмотра с помощью всплывающего окна под графиками и выберите Full Dec Mode. Отображаются разложения выбранных сигналов.

Изменение уровня на 2.
Выберите сигнал 7 в поле Highlight Sel.
Измените режимы визуализации.
Используя второе всплывающее окно слева в нижней части панели, выберите Full Dec Mode (Cfs). Отображаются коэффициенты разложения выбранных сигналов. На уровне k коэффициенты дублируются 2k раз.
Изменение режима просмотра на Stem Mode (Abs), а затем изменить на Tree Mode. Отображается вейвлет-дерево, соответствующее разложениям выбранных сигналов.
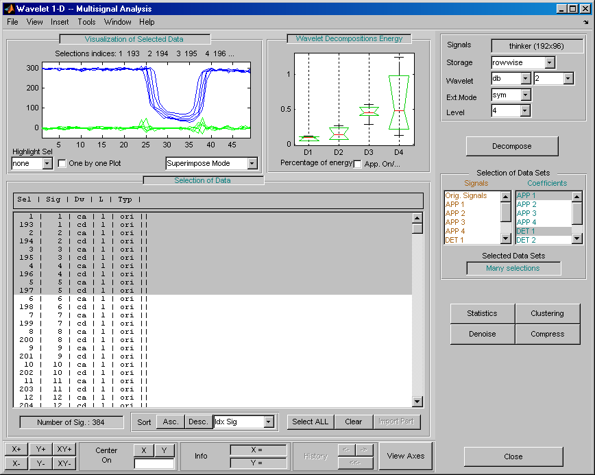
Выберите уровень 4 и щелкните узел a3. Затем выделите сигнал 7.
Выберите «Разные вейвлет-компоненты».
Удерживая нажатой клавишу Ctrl, выберите «Origin. Signals», «APP 1», «APP 3» и «DET 1», чтобы выбрать эти четыре набора сигналов из списка слева на панели «Selection of Data Sets».
Общее количество выбранных данных (Number of Sig.) появляется на панели «Selection of Data Sets» (Выбор наборов данных): четыре набора по 192 сигнала в каждом составляют в общей сложности 768 сигналов.

Щелкните на значке Asc. на панели «Сортировка». Выбранные данные сортируются по возрастанию относительно Idx Sig параметр

Обратите внимание, что атрибуты DWT каждого выбираемого сигнала были обновлены там, где a означает аппроксимацию, d - детализацию и s - сигнал.
Щелкните значок Idx Sel 1 и нажмите клавишу shift. Idx Sel 579 сигнал.

Выбирать Separate Mode.

Удерживая нажатой клавишу Ctrl, выберите два набора сигналов из крайнего правого списка на панели «Выбор наборов данных»: APP 1 и DET 1.

Обратите внимание, что в этом списке наборов коэффициентов выбранные векторы должны иметь одинаковую длину, что означает, что необходимо выбрать компоненты одного уровня.
Щелкните на значке Asc. на панели «Сортировка». Выбранные данные сортируются в порядке возрастания относительно параметра Idx Sig.
Выберите десять первых сигналов.

Сжать мультисигнал.
Приложение Wavelet Analyzer имеет функцию сжатия с автоматическим или ручным порогом.
Нажмите кнопку Сжать (Compress), расположенную в правой нижней части окна. Появится окно Сжатие (Compression).

Примечание
Инструмент всегда сжимает все исходные сигналы при нажатии кнопки «Сжать».
Перед сжатием выберите конкретную стратегию вычисления пороговых значений. Выберите адаптированные параметры в рамке «Выбор метода сжатия». Затем примените эту стратегию для вычисления пороговых значений согласно текущему методу либо к текущим выбранным сигналам нажатием кнопки Selected, либо ко всем сигналам нажатием кнопки ALL. В этом примере примите значения по умолчанию и нажмите кнопку ALL.

Пороговые значения для каждого уровня (от ThrD1 до ThrD4), отношение энергии (En. Rat.) и коэффициент разреженности (NbZ Rat.) отображаются на панели «Выбор данных».
Нажмите кнопку «Сжатие» в нижней части панели «Пороговое значение». Теперь можно выбрать новые наборы данных: сжатые сигналы, соответствующие аппроксимации, детали и коэффициенты.
Нажмите клавишу Ctrl и щелкните элемент Сжатый (Compressed) в левом списке панели Выбор наборов данных (Selection of Data Sets). Выбираются исходные сигналы и их сжатые версии (2 x 192 = 384 сигнала).
Щелкните на значке Asc. кнопка в нижней части панели «Выбор данных» для сортировки сигналов с помощью Idx Sig номер.
С помощью мыши выберите первые четыре сигнала. Они соответствуют исходным сигналам 1, 2 и соответствующим сжатым сигналам 193, 194.

Нажмите кнопку Закрыть, чтобы закрыть окно Сжатие.
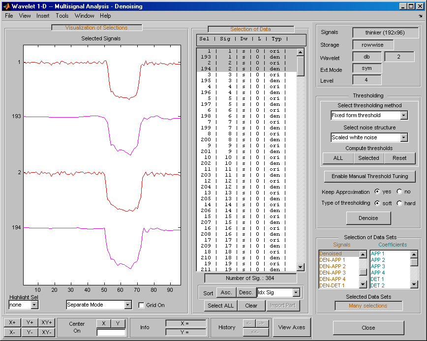
Деноиза мультисигнал.
Приложение Wavelet Analyzer предлагает функцию обессоливания либо с предопределенной стратегией пороговой обработки, либо с ручным методом пороговой обработки. Использование этого инструмента делает очень простым удаление шума от многих сигналов за один шаг.
Откройте окно Denoising, нажав кнопку Denoise, расположенную в нижней части командного фрейма в правой части окна.

Имеется ряд вариантов для точной настройки алгоритма деноизирования. Для этого примера примите значения по умолчанию: soft тип порогов, Fixed form threshold метод, и Scaled white noise в качестве шумовой структуры.
Нажмите кнопку ALL на панели Thresholding. Пороговое значение для каждого уровня (ThrD1,..., ThrD4) вычисляется и отображается на панели «Выбор данных».

Затем нажмите кнопку Denoise в нижней части панели Thresholding.
Удерживая нажатой клавишу Ctrl, щелкните элемент «Denoised» в списке слева от панели «Selection of Data Sets». Исходные сигналы и соответствующие деноизированные сигналы выбираются (2 x 192 = 384 сигнала).
Щелкните на значке Asc. в нижней части панели «Выбор данных» для сортировки сигналов по параметру Idx Sig.
С помощью мыши выберите первые четыре сигнала. Они соответствуют исходным сигналам 1, 2 и соответствующим денозированным сигналам 193, 194.

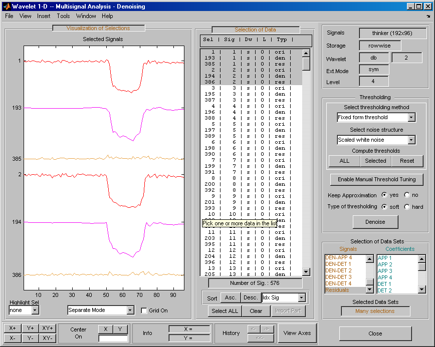
Выбирать Separate Mode.

Чтобы просмотреть остатки, щелкните значок, удерживая клавишу Ctrl. Orig. Signal, Denoised и Residuals элементы в списке слева от панели «Выбор наборов данных». Выбирают исходные, деноизированные и остаточные сигналы (3 192 = 576 сигналов).
Щелкните на значке Asc. в нижней части панели «Выбор данных» для сортировки сигналов с помощью Idx Sig параметр.
С помощью мыши выберите первые шесть сигналов. Они соответствуют исходным сигналам 1, 2, соответствующим денозированным сигналам 193, 194 и остаткам 385, 386.
Затем выберите Separate Mode.

Нажмите кнопку Закрыть (Close), чтобы закрыть инструмент защиты. Затем нажмите кнопку Yes для обновления синтезированных сигналов.

Выберите метод, выберите один или несколько сигналов на панели «Выбор данных» с помощью мыши и клавиш. Затем нажмите кнопку Selected. Таким же способом можно выбрать другую группу сигналов. Нажмите кнопку Denoise, чтобы отключить выбранные сигналы.

Можно также использовать ручную настройку порога. Нажмите кнопку «Включить настройку порогов вручную».

Горизонтальные линии в осях вейвлет-коэффициентов (cd1, ..., cd4) можно перетащить с помощью мыши. Это может быть сделано по отдельности, по группе или все вместе в зависимости от значений в полях Select Signal и Selected Level на панели Manual Threshold Tuning.

В инструменте Wavelet 1-D Multisignal Analysis Compression можно использовать два метода настройки порога: метод пороговой обработки By level, который используется в инструменте Wavelet 1-D Multisignal Analysis Denoising, и метод глобальной пороговой обработки.

Можно перетащить вертикальные линии в полях «Энергия» и «Nb». Нули Оси производительности с помощью мыши. Это можно сделать по отдельности или все вместе в зависимости от значений параметра Select Signal на панели Manual Threshold Tuning.

Пороговое значение, производительность L2 и число нулей обновляются в соответствующих кнопках редактирования на панели «Настройка пороговых значений вручную».
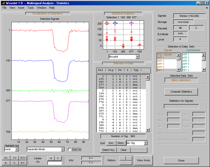
Можно просмотреть различные статистические параметры, связанные с сигналами и их компонентами. В инструменте Wavelet 1-D Multisignal Analysis нажмите кнопку Statistics. Затем выберите сигнал 1 на панели «Выбор наборов данных».

Выберите сигналы 1, 2, 3, 7, 9 и 11 на панели Выбор данных (Selection of Data) и отобразите соответствующие сводные диаграммы и графики корреляции.

Для отображения статистики по многим вейвлет-компонентам на панели «Наборы данных выбора» в левом столбце выберите Orig.Signals, APP 1, DET 1, Denoised и Residuals сигналы. Затем выберите Separate Modeи нажмите кнопку Asc. на панели «Сортировка». Выбранные данные сортируются по возрастанию относительно Idx Sig параметр. На панели «Выбор данных» выберите данные, относящиеся к сигналу 1.

Примечание
Для использования кластеризации необходимо установить программное обеспечение Toolbox™ статистики и машинного обучения. Дополнительные сведения о кластеризации, включая измерение расстояний между объектами и определение близости объектов друг к другу, см. в разделе Иерархическая кластеризация (статистика и инструментарий машинного обучения).
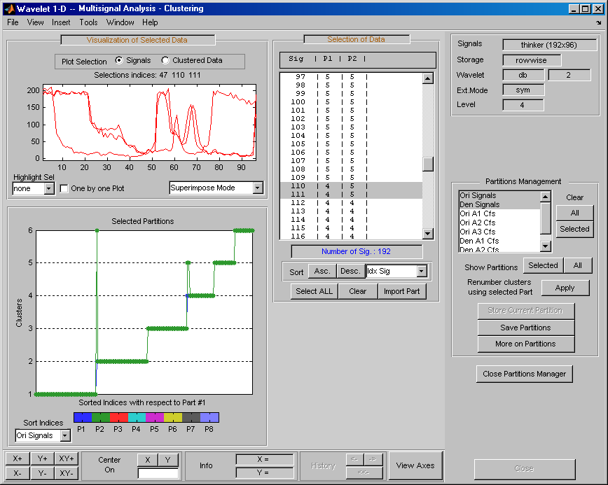
Нажмите кнопку Clustering (Кластеризация), расположенную в командной рамке (Command Frame), расположенной в правом нижнем углу окна Wavelet 1-D Multisignal Analysis (Анализ мультисигнала), чтобы открыть инструмент Clustering (Кластеризация).

Можно сгруппировать различные типы сигналов и вейвлет-компоненты: оригинальные, деноизированные или сжатые, остатки, аппроксимации или детали (реконструированные или коэффициенты). Аналогичным образом существует несколько способов построения разделов данных.

Использовать параметры по умолчанию (Original и Signal в данных в кластер и в Ascending Hierarchical, euclidean, ward, и 6 в Кластеризация) и нажмите кнопку Вычислить кластеры.
Полная дендрограмма и ограниченная дендрограмма отображаются на панели Выбор по дендрограмме. Для каждого сигнала номер кластера отображается на панели «Выбор данных».

Выберите один кластер, несколько кластеров или часть кластера.
Щелкните значок xticklabel 3 в нижней части ограниченной дендрограммы. Ссылки третьего кластера мигают в полной дендрограмме, а 24 сигнала этого класса отображаются на панели Визуализация выбранных данных. Их номера можно просмотреть на панели «Выбор данных».
Если щелкнуть строку в ограниченной или полной дендрограмме, можно выбрать один кластер, несколько связанных кластеров или часть кластера. Для более точного выбора используйте Dilate X и Translate X ползунки под полную дендрограмму. Также можно использовать кнопку Yscale, расположенную над полной дендрограммой. Соответствующие сигналы отображаются на панели Визуализация выбранных данных (Visualization of Selected Data) и в списке панели Выбор данных (Selection of Data).

Для изменения количества кластеров можно использовать горизонтальную линию в полной дендрограмме. С помощью левой кнопки мыши перетащите линию вверх или вниз.

Используйте кнопку «Показать кластеры» для проверки кластеров текущего раздела. Можно отобразить среднее значение (или медиану) каждого кластера, глобальное стандартное отклонение и расстояние стандартного отклонения в точках вокруг среднего значения (или медианы). Каждый заголовок графика содержит: количество сигналов в кластере (Nb) и процент от общего, глобального стандартного отклонения (D) кластера и два показателя качества, Q1 и Q2.
Q1 и Q2 индексы могут интерпретироваться как показатели того, насколько хорошо кластер сосредоточен в многомерном пространстве. Ценности min и max являются минимальными и максимальными значениями, соответственно, абсолютных значений выборок сигнала в кластере. Если глобальное стандартное отклонение D мал, то Q1 близок к 1 и Q2 близок к 0. В этом случае кластер считается хорошо концентрированным. Если D велик, то Q1 мал и Q2 большой. В этом случае кластер считается более дисперсным. Например, в кластере 3 минимальное и максимальное значения абсолютных значений выборок сигнала равны 5 и 220 соответственно. Тогда Q1 = 1 − 37.208/220 = 0,831 и Q2 = 37.208/(220-5) = 0.173.

Нажмите кнопку «Сохранить текущий раздел» под панелью «Кластеризация», чтобы сохранить текущий раздел для дальнейшего сравнения. Предлагается имя по умолчанию. Обратите внимание, что 1-D Аналитический инструмент Мультисигнала Небольшой волны хранит разделение, и они не спасены на диске.

Построение и хранение нескольких разделов (например, разделов с сигналами, аппроксимаций деноизированных сигналов на уровне 1, 2 и 3 и деноизированных сигналов). Затем нажмите кнопку Открыть диспетчер разделов под кнопкой Сохранить текущий раздел. Появится панель Управление секциями. Перечислены имена всех сохраненных разделов.

Теперь можно показать, очистить или сохранить разделы (по отдельности, выбранные или все вместе).
Для отображения разделов выберите Ori Signals и Den Signals и нажмите кнопку «Выбранные» рядом с меткой «Показать разделы».
Кластеры почти одинаковы, но это трудно увидеть на оси Выбранные секции из-за разницы масштабирования. Нажмите кнопку Apply (Применить), чтобы перенумеровать кластеры (начиная с выбранного раздела в качестве базовой нумерации) для сравнения двух разделов.

Только три сигнала не классифицируются в одном кластере для двух рассматриваемых разделов.

Выберите разделы, которые требуется сохранить, и нажмите кнопку Сохранить разделы под кнопкой Сохранить текущий раздел на панели Управление разделами.

Разделы сохраняются как массив целых чисел, где каждый столбец соответствует одному разделу и содержит индексы кластеров. При выборе Full Partitions параметр, объект массива (wpartobj) сохраняется.
Чтобы загрузить или очистить сохраненные разделы, используйте команду Файл (File) > Разделы (Partitions) в инструменте Wavelet 1-D Multisignal Analysis. (Файл> Разделение также доступно в Небольшой волне 1-D Аналитический инструмент Объединения в кластеры Мультисигнала, и Вы можете также спасти текущее разделение.)

Чтобы очистить одну или несколько сохраненных секций, выберите «Файл» > «Секции» > «Очистить секцию».

Выберите «Файл» > «Разделы» > «Загрузить раздел», чтобы загрузить один или несколько разделов с диска. Загруженные разделы сохраняются в инструменте Wavelet 1-D Multisignal Analysis с любыми ранее сохраненными разделами. Раздел также может быть вектором столбца, созданным вручную.
Примечание
Количество сигналов в загруженных секциях должно быть равно количеству сигналов в инструменте Wavelet 1-D Multisignal Analysis. Если это условие не соответствует действительности, появляется предупреждение.
В каждый подкомпонент инструмента Wavelet 1-D Multisignal Analysis (основной, статистика, деноизирование, сжатие, кластеризация) можно импортировать сохраненный раздел из списка на панели Выбор данных. Нажмите кнопку Импорт детали в нижней части панели Выбор данных (Selection of Data), откроется окно Диспетчер наборов разделов (Partition Set Manager). Выберите один раздел и нажмите кнопку Импорт.

Для этого примера вернитесь в главное окно и импортируйте Ori Signals разбиение и сортировка сигналов в порядке убывания относительно A4 процента энергии.

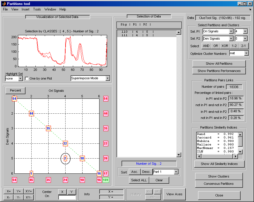
Можно сравнить разделы с помощью инструмента «Раздел». Чтобы отобразить инструмент «Раздел», нажмите кнопку «Дополнительно» в нижней части панели «Управление разделами». По умолчанию при открытии инструмента «Раздел» выбранный раздел в данном случае Ori Signals, сравнивается с самим собой. В левом нижнем графике целое число N в (i,j) означает, что существует группа N сигналы в iтретий кластер P1 и jтретий кластер P2. Поскольку инструмент «Секционирование» сравнивает раздел с самим собой, все числа отображаются на главной диагонали.

Статистика, измеряющая сходство разделов P1 и P2 отображаются на панелях справа. Панель Partitions Pairs Links подсчитывает пары сигналов. Два сигнала x и y считаются парой, если они находятся в одном кластере. Для любых двух сигналов x и y, есть четыре возможности.
Сигналы спарены в P1 и P2. Это называется истинным позитивом.
Сигналы спарены в P1 но не в P2. Это называется ложным позитивом.
Сигналы не спарены в P1 но находятся в P2. Это называется ложным негативом.
Сигналы не спарены ни в одном, ни в другом P1 или P2. Это называется истинным негативом.
Связи пар разделов показывают проценты каждой из четырех возможностей. В этом примере, так как есть 192 сигналов, существует всего 192 * 191/2 = 18336 возможных пар. Чуть более 19% связанных пар считаются истинными положительными, и примерно 80% являются истинными негативами. Поскольку разбиение сравнивается с самим собой, ни одна пара не считается ложноположительной или ложноотрицательной.
Можно также измерить сходство двух секций, назначив расстояние (или индекс) между ними [1]. Расстояние основано на количестве истинных и ложных срабатываний и негативов. Расстояние можно определить различными способами. Пусть R - число истинных положительных, S - число истинных отрицательных, U - число ложных положительных, и V - число ложных отрицательных. На панели «Индексы подобия секций» показано расстояние между P1 и P2 разделы, использующие различные определения расстояния:
Индекс Rand (Rand): (R + S )/( R + S + U + V).
Асимметричный индекс Rand (RandAsym): (2 × (R + S + U) + NS )/ NS2 где NS - общее количество сигналов.
Индекс Jaccard (JaccardR/( R + U + V).
Исправленный индекс Rand (HubAra(R-ER )/( MR-ER), где ER - ожидаемое значение R, а MR - максимальное значение индекса. Если две секции идентичны, индекс равен 1. Этот индекс может быть отрицательным.
Индекс Уоллеса (Wallace): R/sqrt (| pi (P1) | × | пи (P2) |) где | pi (Pi) | - количество соединенных пар в разделеPi.
Индекс Макнемара (MacNemarЕсли abs (U + V) = 0, то индекс равен 1. В противном случае индекс равен abs (U-V )/( U + V).
Индекс Лермана (ICL): (R-ER )/sqrt (VR), где VR - дисперсия R.
Нормализованный индекс Лермана (ILN): ICL (P1,P2)/sqrt (ICL (P1,P1) × ICL (P2,P2где ICL (P, Q) обозначает индекс Лермана двух разделов P и Q.
Выберите Den Signals в поле Sel P2 в правом верхнем углу окна. Затем в нижней левой оси щелкните желтый текст, содержащий значение 2 (координаты соответствующей точки - (4,5)). Соответствующие сигналы отображаются вместе со всей соответствующей информацией.

Вместо метода кластеризации по возрастанию иерархического дерева можно использовать метод K-means. В этом случае раздел не может быть представлен дендрограммой, и следует использовать другие представления.
В представлении изображения (см. рисунок ниже слева) можно выбрать кластер, щелкнув соответствующий цвет на панели цветов. Можно также выбрать кластер или его часть, щелкнув изображение.
В представлении центра (см. рисунок ниже справа) можно выбрать кластер, щелкнув соответствующий цветной центр.

Инструмент Wavelet 1-D Multisignal Analysis позволяет перемещать данные на диск и с диска.
На диск можно сохранять декомпозиции и деноузированные или сжатые сигналы (включая соответствующие декомпозиции из инструментов Wavelet 1-D Multisignal Analysis). Затем можно манипулировать данными, а затем импортировать их снова в графические инструменты.


Основной инструмент Wavelet 1-D Multisignal Analysis позволяет сохранить весь набор данных с вейвлет-анализа на диск. Панель инструментов создает MAT-файл в текущей папке с выбранным именем.
Откройте основной инструмент Wavelet 1-D Multisignal Analysis и загрузите пример анализа, выбрав File > Example > Ex 21: Thinker (строки).
Сохраните данные из этого анализа с помощью пункта меню Файл > Сохранить декомпозиции.
Появится диалоговое окно, в котором можно указать папку и имя файла для хранения данных разложения. В этом примере используйте имя decORI.mat.
Введите имя decORI.
После сохранения данных разложения в файл decORI.mat, загрузите переменные в рабочую область:
load decORI whos
| Имя | Размер | Байты | Класс |
|---|---|---|---|
dec | 1x1 | 163306 | struct |
dec
dec =
dirDec: 'r'
level: 4
wname: 'db2'
dwtFilters: [1x1 struct]
dwtEXTM: 'sym'
dwtShift: 0
dataSize: [192 96]
ca: [192x8 double]
cd: {1x4 cell}
Область ca структуры dec дает коэффициенты аппроксимации на уровне 4, поле cd - массив ячеек, содержащий коэффициенты детализации.
size(dec.cd{1})
ans =
192 49
size(dec.cd{2})
ans =
192 26
size(dec.cd{3})
ans =
192 14
size(dec.cd{4})
ans =
192 8
Вы можете изменить коэффициенты, используя chgwdeccfs функция.
Примечание
Для получения полного описания dec структура, см. раздел Загрузка декомпозиций.
В графический интерфейс можно загружать сигналы или разложения. Загружаемая информация может быть ранее экспортирована из графического интерфейса, а затем обработана в рабочей области; или это может быть информация, первоначально созданная из командной строки. В любом случае необходимо соблюдать строгие форматы файлов и структуры данных, используемые инструментами Wavelet 1-D Multisignal Analysis, или при попытке загрузить информацию возникнут ошибки.

Загрузка сигналов. Чтобы загрузить сигнал, созданный в рабочей области MATLAB, в инструмент Wavelet 1-D Multisignal Analysis, сохраните сигнал в MAT-файле (с расширением.mat).
Например, при проектировании сигнала с именем magic128 и хотите проанализировать его с помощью инструмента Wavelet 1-D Multisignal Analysis, введите
save magic128 magic128
Примечание
Переменная рабочей области magic128 должен быть матрицей, а число строк и столбцов должно быть больше 1.
sizmag = size(magic128)
sizmag =
128 128
Чтобы загрузить этот сигнал в инструмент Wavelet 1-D Multisignal Analysis, используйте пункт меню File > Load Signal. Появится диалоговое окно, в котором можно выбрать соответствующий файл MAT для загрузки.
Примечание
При загрузке матрицы сигналов с диска имя 2-D переменных проверяется в следующем порядке: x, X, sigDATA, и signals. Затем 2-D переменные, обнаруженные в файле, проверяются в алфавитном порядке.
Загрузка декомпозиций. Чтобы загрузить декомпозиции, созданные в рабочем пространстве MATLAB, в инструмент Wavelet 1-D Multisignal Analysis, сохраните сигнал в MAT-файле (с расширением mat).
Например, при проектировании сигнала с именем magic128 и хотите проанализировать его в Wavelet 1-D Multisignal Analysis, структура dec должны иметь следующие поля:
'dirDec' | Указатель поворота с |
'level' | Уровень разложения DWT |
'wname' | Имя вейвлета |
'dwtFilters' | Структура с четырьмя полями: |
'dwtEXTM' | Режим расширения DWT (см. |
'dwtShift' | Параметр сдвига DWT (0 или 1) |
'dataSize' | Размер исходной матрицы |
'ca' | Коэффициенты аппроксимации на уровне |
'cd' | Массив ячеек коэффициентов детализации, от 1 до |
Коэффициенты cA и cD{k}, для (k = 1 кому dec.level), являются матрицами и хранятся на основе строк, если dec.dirDec равно 'r' или по столбцам, если dec.dirDec равно 'c'.
Примечание
Области 'wname' и 'dwtFilters' должны быть совместимы (см. wfilters функция). Размеры cA и cD{k}, (для k = 1 кому dec.level) должны быть совместимы с направлением, уровнем разложения и режимом расширения.
Загрузка. Основной инструмент Wavelet 1-D Multisignal Analysis и инструмент кластеризации позволяют загрузить набор разделов с диска.

Сохранение разделов. Инструмент кластеризации Wavelet 1-D Multisignal Analysis позволяет сохранить набор разделов на диске.

Например:
Откройте основной инструмент Wavelet 1-D Multisignal Analysis и загрузите пример анализа с помощью команды File > Example > Ex 21: Thinker (строки).
Нажмите кнопку Кластеризация. Появится окно Кластеризация анализа вейвлет-сигналов (Wavelet 1-D Multisignal Analysis Clustering).
Нажмите кнопку Вычислить кластеры, а затем сохраните текущий раздел с помощью пункта меню Файл > Разделы > Сохранить текущий раздел. Появится диалоговое окно, в котором можно указать тип сохраняемых данных.
Нажмите кнопку Сохранить кривую (Save Curr). кнопка.

Появится другое диалоговое окно, в котором можно указать папку и имя файла для хранения данных раздела. Введите имя curPART.
После сохранения данных раздела в файл curPART.mat, загрузите переменные в рабочую область:
load curPART whos
| Имя | Размер | Байты | Класс |
|---|---|---|---|
tab_IdxCLU | 192x1 | 1536 | double |
Массив можно изменить tab_IdxCLU в рабочей области и сохраните данные раздела в файле. Например, чтобы создать две новые секции с четырьмя и двумя кластерами, введите следующие строки:
tab_IdxCLU(:,2) = rem((1:192)',4) + 1; tab_IdxCLU(:,3) = double((1:192)'>96) + 1; save newpart tab_IdxCLU
Теперь можно использовать три раздела для примера Ex 21: Thinker (строки). Затем можно загрузить разделы, сохраненные в файле newPART.mat в основном инструменте Wavelet 1-D Multisignal Analysis и в инструменте кластеризации.
Примечание
Разбиение - это вектор-столбец целых чисел. Значения должны отличаться от 1 кому NbClusters (NbClusters > 1), и каждый кластер должен содержать хотя бы один элемент. Количество строк должно быть равно количеству сигналов.
[1] Дено, Л., Гаррета, Х. и А. Генош. «Сравнение индексов расстояний между секциями». В Международном симпозиуме по прикладным стохастическим моделям и анализу данных, 432-440. Брест, Франция: Национальная школа телекоммуникаций Бретани, 2005 год.