Создание щелевой волноводной антенны
waveguideSlotted объект создает щелевую волноводную антенну. Существуют различные типы щелевых волноводов, включая продольные пазы, поперечные пазы, центральные наклонные пазы, наклонные пазы и наклонные пазы, прорезанные в узкую стенку. Щелевые волноводные антенны используются в навигационной РЛС в качестве матрицы, питаемой волноводом.

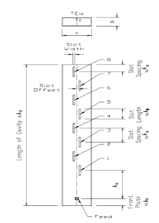
создает щелевую волноводную антенну на плоскости X-Y. Окружность антенны выбрана для рабочей частоты 2,45 ГГц.ant = waveguideSlotted
задает свойства, используя одну или несколько пар имя-значение. Например, ant = waveguideSlotted(Name,Value)ant = waveguideSlotted('Height',1) создает щелевой волновод высотой 1 метр.
show | Отображение антенной или решетчатой структуры; отобразить форму как заполненный фрагмент |
axialRatio | Осевое отношение антенны |
beamwidth | Ширина луча антенны |
charge | Распределение заряда на металлической или диэлектрической антенне или на поверхности решетки |
current | Распределение тока по металлической или диэлектрической антенне или поверхности решетки |
design | Проектирование прототипа антенны или решеток для резонанса на заданной частоте |
EHfields | электрические и магнитные поля антенн; Встроенные электрические и магнитные поля антенного элемента в решетках |
efficiency | Радиационная эффективность антенны |
impedance | входной импеданс антенны; полное сопротивление сканирования массива |
mesh | Свойства сетки металлической или диэлектрической антенны или решетки |
meshconfig | Изменение ячеистого режима структуры антенны |
optimize | Оптимизация антенны или решетки с помощью оптимизатора SADEA |
pattern | диаграмма направленности и фаза антенны или решетки; Встроенная диаграмма антенного элемента в решетке |
patternAzimuth | Азимутальная диаграмма антенны или решетки |
patternElevation | Схема высот антенны или решетки |
returnLoss | Обратная потеря антенны; проверка возвращает потерю массива |
sparameters | Объект S-параметра |
vswr | Коэффициент стоячей волны напряжения антенны |
[1] Перович, Уна. «Исследование прямоугольной, однонаправленной, горизонтально поляризованной волноводной антенны с продольными решетками с прорезями, работающими на частоте 2,45 ГГц».