Наблюдатель за потоком индукционной машины для полевого управления
Simscape / Электрический / Контроль / Наблюдатели

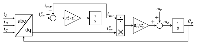
Блок наблюдения за потоком индукционной машины получает синхронную скорость, λ e, а также электрический угол, starte, которые требуются для выполнения полеориентированного управления ротором (ВОК). На рисунке показана эквивалентная схема для наблюдателя.

Для определения синхронной скорости и электрического угла блок индукционной машины Flux Observer использует следующие соотношения:
dλ dr' edt,
и
LMLr' iqse,
в этих комбинированных формах:
idse)
imr)
и
Rr 'Lr' iqseimr
где:
- поток ротора по d-оси.
- намагничивающий ток.
и - токи статора d-оси и q-оси.
и являются токами ротора d-оси и q-оси.
- синхронная скорость.
- механическая скорость вращения.
'- сопротивление ротора, относящееся к стороне статора.
'- индуктивность утечки ротора, относящаяся к стороне статора.
намагничивающая индуктивность.
[1] Vas, P. Электрические машины и приводы: пространственно-векторный теоретический подход. Нью-Йорк: Oxford University Press, 1992.