Синхронная машина дискретного или непрерывного времени ST1C система статического возбуждения с автоматическим регулятором напряжения
Управление Simscape/Electrical/Control/SM

Блок SM ST1C реализует модель синхронно-машинной ST1C статической системы возбуждения в соответствии с IEEE 421.5-2016 [1].
Используйте этот блок для моделирования управления и регулирования напряжения поля синхронной машины.
Можно переключаться между непрерывной и дискретной реализациями блока с помощью параметра Sample time (-1 для унаследованного). Чтобы настроить интегратор на непрерывное время, установите для свойства Sample time (-1 для унаследованного) значение 0. Чтобы настроить интегратор на дискретное время, установите для свойства Sample time (-1 для унаследованного) положительное, ненулевое значение или значение -1 для наследования времени выборки из восходящего блока.
Блок ST1C ПЛ состоит из трех основных компонентов:
Компенсатор тока изменяет измеренное напряжение на клемме в зависимости от тока клеммы.
Измерительный преобразователь напряжения моделирует динамику контактного преобразователя напряжения с помощью фильтра нижних частот.
Компонент «Элементы управления возбуждением» сравнивает выходной сигнал преобразователя напряжения с опорным напряжением клеммы для получения ошибки напряжения. Эта ошибка напряжения затем проходит через регулятор напряжения для получения напряжения поля.
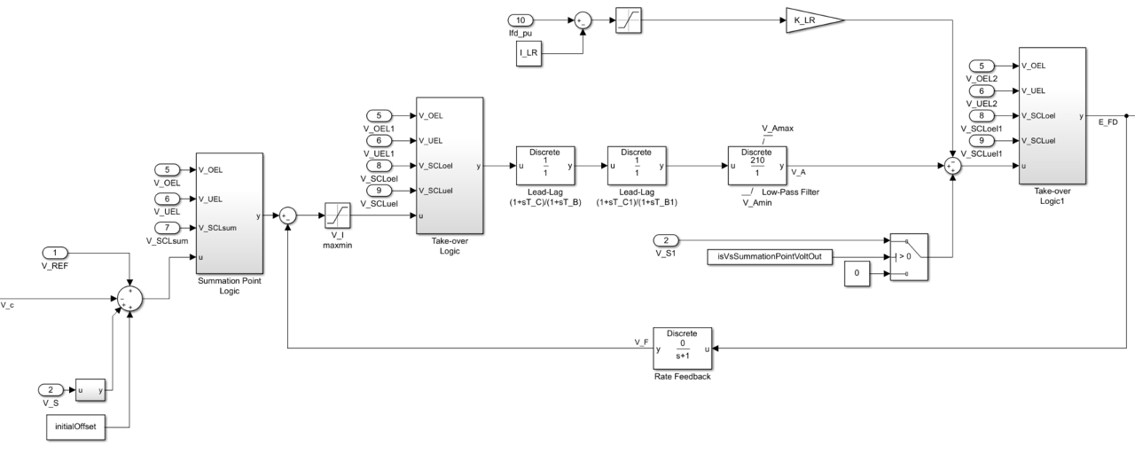
На этой диаграмме показана общая структура модели системы возбуждения ST1C:

На схеме:
VT и IT - измеренное напряжение на клеммах и ток синхронной машины.
VC1 - напряжение на клемме с компенсацией тока.
VC - отфильтрованное напряжение на клемме с компенсацией тока.
VREF - опорное напряжение на клемме.
VS - напряжение стабилизатора системы питания.
EFD и IFD - напряжение поля и ток соответственно.
В следующих разделах подробно описывается каждая из основных частей блока.
Компенсатор тока моделируется как:
+ XC2,
где:
RC - сопротивление компенсации нагрузки.
XC - реактивное сопротивление компенсации нагрузки.
Измерительный преобразователь напряжения выполнен в виде блока фильтра нижних частот с постоянной времени TR. Дискретные и непрерывные реализации представлены в документации по блоку фильтра нижних частот.
Эта диаграмма иллюстрирует общую структуру элементов управления возбуждением:

На схеме:
Подсистема логики точки суммирования моделирует входное местоположение точки суммирования для ограничителя чрезмерного возбуждения (OEL), ограничителя недостаточного возбуждения (UEL), ограничителя тока статора (SCL) и напряжения переключателя питания (V_S). Дополнительные сведения об использовании ограничителей с этим блоком см. в разделе Ограничения тока поля.
Существует две подсистемы приемной логики. Подсистемы моделируют расположение входного сигнала точки приема для напряжений OEL, UEL, SCL и PSS. Дополнительные сведения об использовании ограничителей с этим блоком см. в разделе Ограничения тока поля.
Два блока Lead-Lag моделируют дополнительную динамику, связанную с регулятором напряжения. Первый представляет собой временное уменьшение коэффициента усиления, где TC - постоянная времени опережения, а TB - постоянная времени запаздывания. Последнее допускает возможность представления переходного увеличения коэффициента усиления, где TC1 - постоянная времени опережения, а TB1 - постоянная времени запаздывания. Для получения информации о дискретных и непрерывных реализациях см. документацию по блоку Lead-Lag.
Блок фильтра нижних частот моделирует основную динамику регулятора напряжения. Здесь KA - коэффициент усиления регулятора, а TA - основная постоянная времени регулятора. Минимальными и максимальными пределами насыщения от навивки для блока являются VAmin и VAmax соответственно.
Блок отфильтрованной производной моделирует траекторию обратной связи скорости для стабилизации системы возбуждения. Здесь KF и TF являются константами усиления и времени этой системы соответственно. Для получения информации о дискретных и непрерывных реализациях см. документацию по блоку отфильтрованных производных.
Благодаря очень высокой мощности форсировки модель использует ограничитель тока поля для защиты ротора генератора и возбудителя. Начальный порог и коэффициент усиления определяются ILR и KLR соответственно. При использовании явной модели OEL отключите этот ограничитель тока поля, установив коэффициент усиления, KLR, равным 0.
Для изменения выходного сигнала регулятора напряжения в небезопасных рабочих условиях можно использовать различные ограничители тока поля:
Для предотвращения перегрева обмотки поля из-за чрезмерной потребности в токе поля используйте ограничитель перегрузки.
Используйте ограничитель неполучения, чтобы увеличить возбуждение поля, когда оно слишком низкое, что создает риск десинхронизации.
Используйте ограничитель тока статора для предотвращения перегрева обмоток статора из-за избыточного тока.
Присоедините выход любого из этих ограничителей в одной из следующих точек:
Точка суммирования в составе контура обратной связи автоматического регулятора напряжения (АВР)
Точка захвата для переопределения обычного поведения AVR
При использовании ограничителя тока статора в точке суммирования используйте одиночный вход VSCLsum. При использовании ограничителя тока статора в точке захвата используйте как вход сверхвыпуска, VSCLoel, так и вход недозволения, VSCLuel.
[1] Рекомендуемая практика IEEE для моделей систем возбуждения для исследований устойчивости энергосистемы. IEEE Std 421.5-2016. Piscataway, NJ: IEEE-SA, 2016.