Существует два способа установки значений параметров блока:
С помощью графического интерфейса пользователя введите информацию в диалоговые окна блоков, которые открываются при двойном щелчке по блоку в окне Simulink ®.
Использование команд - использование Simulink set_param и get_param команды для установки и получения значений параметров блоков соответственно. Дополнительные сведения об этих командах см. в разделе set_param и get_param справочные страницы.
Блоксеть также позволяет импортировать следующие типы файлов данных:
Стандартные форматы файлов - форматы Touchstone S2P, Y2P, Z2P и H2P определяют параметры сети и информацию о шуме для измеряемых и моделируемых данных.
Дополнительные сведения о файлах Touchstone см. в разделе https://ibis.org/connector/touchstone_spec11.pdf.
Формат файла Agilent ® P2D - определяет усилители и смесители с большим сигналом, параметры сети, зависящие от мощности, шумовые данные и таблицы интермодуляций для нескольких рабочих условий, таких как температура и значения смещения.
Формат файла P2D позволяет импортировать модели проверки на уровне системы усилителей и смесителей.
Формат файла Agilent S2D - определяет параметры сети усилителя и смесителя со сжатием коэффициента усиления, зависящие от мощности параметры S21, шумовые данные и таблицы интермодуляции для нескольких рабочих условий.
Формат файла S2D позволяет импортировать модели проверки на уровне системы усилителей и смесителей.
Формат файла усилителя MathWorks™ (AMP) - определяет параметры сети усилителя, данные о мощности, данные о шуме и точку перехвата третьего порядка
Для получения дополнительной информации о .amp см. разделы «Данные AMP-файла».
MATLAB ® circuits - объекты RF Toolbox™ circuit в рабочем пространстве MATLAB задают параметры сети, шумовые данные и информацию точек перехвата третьего порядка для цепей с различными топологиями.
Дополнительные сведения об объектах радиочастотных цепей см. в разделе Объекты радиочастотных цепей.
Этот набор блоков позволяет импортировать стандартные для отрасли файлы данных, файлы Agilent P2D и S2D и AMP MathWorks в определенные блоки для моделирования поведения измеряемых компонентов в среде моделирования Simulink.
Этот раздел содержит следующие разделы:
Три блока в физической библиотеке принимают данные из файла. В следующей таблице перечислены блоки и любой соответствующий формат данных, поддерживаемый каждым из них.
| Блок | Описание | Поддерживаемые форматы |
|---|---|---|
| Усилитель общего назначения | Универсальный усилитель | Сенсорный камень, AMP, P2D, S2D |
| Общий смеситель | Общий смеситель | Сенсорный камень, AMP, P2D, S2D |
| Общая пассивная сеть | Общий пассивный компонент | Пробный камень |
Чтобы импортировать файл данных, выполните следующие действия.
Выберите блок, наилучшим образом представляющий ваш компонент, из списка блоков, принимающих данные файла, показанного в разделе «Блоки, используемые для импорта данных».
Откройте физическую библиотеку и перейдите к вспомогательной библиотеке, содержащей блок.
Щелкните и перетащите блок в модель Simulink.
В диалоговом окне блока введите имя файла данных для параметра «Файл данных». Имя файла должно содержать расширение. Если файл отсутствует в пути MATLAB, укажите полный путь к файлу или используйте кнопку «Обзор» для поиска файла.
Примечание
Параметр Data file активируется только в том случае, если для параметра Data source установлено значение Data file. Это значение по умолчанию означает, что данные блока поступают из файла.

В следующем разделе показан пример этой процедуры.
В этом примере частотная характеристика пассивного компонента моделируется с использованием данных из файла Touchstone. defaultbandpass.s2p.
Вы используете модель от одного из Blockset™ РФ Эквивалентные примеры Основной полосы частот, чтобы выполнить следующие задачи:
В этой части примера выполняется проверка defaultbandpass.s2p файл и импорт данных в модель RF с использованием блока «Общая пассивная сеть».
Введите следующее в подсказке MATLAB, чтобы открыть defaultbandpass.s2p файл:
edit defaultbandpass.s2p
На следующем рисунке показана часть .s2p файл.

Строка опций
# GHz S RI R 50
указывает следующую информацию о содержимом файла данных:
ГГц - Единицы измерения частоты.
S - сетевые параметры являются S-параметрами.
RI - параметры сети задаются как действительная и мнимая части.
R 50 - опорный импеданс 50 Ом.
Дополнительные сведения о спецификации Touchstone, включая строку опций, см. в разделе https://ibis.org/connector/touchstone_spec11.pdf.
В приглашении MATLAB введите
sparam_filter
Эта команда открывает пример RF Blockset Equivalent Baseband под названием «Touchstone Data File for 2-Port Bandpass Filter», как показано на следующем рисунке.

Дважды щелкните блок «Общая пассивная сеть», чтобы отобразить его параметры.
Для параметра Источник данных установлено значение Data fileпоэтому параметр Data file определяет импортируемый файл данных. Параметр Data file имеет значение defaultbandpass.s2p. Блок использует эти данные с другими параметрами блока во время моделирования.
Примечание
Если импортированный файл содержит данные, измеренные на частотах, отличных от частот моделирования, используйте параметр метода интерполяции, чтобы указать, как блок определяет значения данных на частотах моделирования. Дополнительные сведения см. в разделах Определение частот моделирования и Сопоставление параметров сети с частотами моделирования.
В этой части примера выполняется график сетевых параметров общего пассивного сетевого блока для проверки данных, импортированных в окне «Импорт данных в общий пассивный сетевой блок».
Откройте диалоговое окно «Общий пассивный сетевой блок» и перейдите на вкладку «Визуализация».
Установите для параметра Source of frequency data значение User-specified.
Установите параметр Frequency data (Hz) в значение [0.5e9:0.1e6:1.5e9].
Щелкните Печать (Plot).
Эти действия создают график величины и фазы S21 как функцию частоты.
S21 в зависимости от частоты импортированных данных

Блоки физических библиотек можно подключать только каскадно. Однако блоксеть работает с программным обеспечением RF Toolbox, позволяя включить в модель RF дополнительные топологии цепей. Для моделирования топологий цепей, содержащих другие типы соединений, необходимо определить цепь в рабочем пространстве MATLAB и импортировать ее в радиочастотную модель.
Чтобы импортировать цепь из рабочего пространства MATLAB, выполните следующие действия.
Определите объект цепи в рабочем пространстве MATLAB с помощью функций RF Toolbox.
Дополнительные сведения об объектах ВЧ-цепи см. в документации панели инструментов ВЧ для объектов ВЧ-цепи.
Добавьте блок «Общий элемент цепи» в ВЧ-модель из поддиапазона «Элементы черного ящика» физической библиотеки. Сведения о том, как открыть эту библиотеку, см. в разделе Эквивалентная библиотека базовых частот.
Введите имя объекта цепи в параметре объекта RFCKT в диалоговом окне «Общий блок элемента цепи».
Эта процедура проиллюстрирована на примере в следующем разделе.
В этом примере моделируется частотная характеристика фильтра, моделируемого с использованием объектов цепи из рабочего пространства MATLAB.
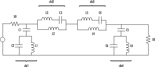
Фильтром в этом примере является 50-омный полосовой фильтр, показанный на следующем рисунке.
Схема полосового фильтра

Для представления фильтра используются четыре объекта цепи, соответствующие четырем частям фильтра. ckt1, ckt2, ckt3, и ckt4 на схеме. Для стимулирования фильтра используется входной сигнал со случайными, комплексными входными значениями, имеющими гауссово распределение. В блоке области отображается выходной сигнал.
В этом примере показано, как выполнять следующие задачи:
В этой части примера задаются переменные MATLAB для представления физических свойств фильтра, показанного на предыдущем рисунке, Схема полосового фильтра (Bandstop Filter), и используются функции из программного обеспечения RF Toolbox для создания объектов RF-цепи, моделирующих компоненты фильтра.
Введите в подсказке MATLAB следующие значения емкости и индуктивности фильтра в рабочей области MATLAB:
C1 = 1.734e-12; C2 = 4.394e-12; C3 = 7.079e-12; C4 = 7.532e-12; C5 = 1.734e-12; C6 = 4.394e-12; L1 = 25.70e-9; L2 = 3.760e-9; L3 = 17.97e-9; L4 = 3.775e-9; L5 = 17.63e-9; L6 = 25.70e-9;
В ответ на запрос MATLAB введите следующее для создания объектов ВЧ-цепи, моделирующих компоненты с меткой ckt1, ckt2, ckt3, и ckt4 на принципиальной схеме:
ckt1 = ... rfckt.series('Ckts',{rfckt.shuntrlc('C',C1),... rfckt.shuntrlc('L',L1,'C',C2)}); ckt2 = ... rfckt.parallel('Ckts',{rfckt.seriesrlc('L',L2),... rfckt.seriesrlc('L',L3,'C',C3)}); ckt3 = ... rfckt.parallel('Ckts',{rfckt.seriesrlc('L',L4),... rfckt.seriesrlc('L',L5,'C',C4)}); ckt4 = ... rfckt.series('Ckts',{rfckt.shuntrlc('C',C5),... rfckt.shuntrlc('L',L6,'C',C6)});
Дополнительные сведения об объектах RF Toolbox, используемых в этом примере, см. в разделе rfckt.series, rfckt.parallel, rfckt.seriesrlc, и rfckt.shuntrlc страницы ссылок на объекты в документации RF Toolbox.
В этой части примера создается модель Simulink. Дополнительные сведения о добавлении и соединении компонентов см. в разделе Модель радиочастотных компонентов.
Создайте новую модель.
Добавьте в модель блоки, показанные в следующей таблице. Столбец «Библиотека» таблицы указывает иерархический путь к каждому блоку.
Блок | Библиотека | Количество |
|---|---|---|
| Случайный источник | Панель инструментов системы DSP > Источники | 1 |
| Входной порт | RF Blockset > Эквивалентная модулирующая полоса > Порты ввода/вывода | 1 |
| Общий элемент цепи | RF Blockset > Эквивалентная базовая полоса > Элементы черного ящика | 4 |
| Выходной порт | RF Blockset > Эквивалентная модулирующая полоса > Порты ввода/вывода | 1 |
| Анализатор спектра | Панель инструментов системы DSP > Раковины | 1 |
Подключите блоки, как показано на следующем рисунке.
Измените имена блоков общих элементов цепи в соответствии с именами на рисунке, дважды щелкнув текст под блоком и введя новое имя.

В этой части примера задаются параметры блока. Чтобы открыть диалоговое окно параметров для каждого блока, дважды щелкните блок.
В диалоговом окне Блок случайного источника:
Задайте для параметра Source type значение Gaussian.
Задайте для параметра Sample time значение 1/100e6.
Задайте для параметра Samples per frame значение 256.
Задайте для параметра «Сложность» значение Complex.
При выборе этих настроек создается входной сигнал со случайными комплексными входными значениями, имеющими гауссово распределение.
В диалоговом окне «Блок порта ввода»:
Установите для параметра Treat input Simulink signal значение Incident power wave.
Задайте для параметра Длина фильтра конечной импульсной характеристики значение 256.
Установите для параметра Центральная частота (Гц) значение 400e6.
Задайте для параметра Sample time значение 1/100e6.
Снимите флажок Добавить шум.
Выбор этих параметров определяет физические характеристики и моделирующую полосу пропускания фильтра.
Задайте параметры блоков «Общий элемент цепи» следующим образом:
В диалоговом окне «Общий блок Element1 цепи» задайте для параметра объекта RFCKT значение ckt1.
В диалоговом окне «Общий блок Element2 цепи» задайте для параметра объекта RFCKT значение ckt2.
В диалоговом окне «Общий блок Element3 цепи» задайте для параметра объекта RFCKT значение ckt3.
В диалоговом окне «Общий блок Element4 цепи» задайте для параметра объекта RFCKT значение ckt4.
При выборе этих параметров в модель импортируются объекты цепи, моделирующие компоненты фильтра.
В диалоговом окне «Блок выходного порта» задайте для параметра «Импеданс нагрузки» значение 50.
Установите параметры блока анализатора спектра следующим образом:
На вкладке «Вид» в разделе Spectrum Settings , задайте средние значения в разделе Trace options кому 100.
Этот параметр определяет количество спектров, усредненных по объему для получения отображаемого сигнала. Используется значение 100, поскольку входной сигнал является случайным и требуется отобразить среднюю характеристику фильтра по большому количеству входных значений.
На вкладке «Вид» в разделе Spectrum Settings , задайте Единицы измерения в Trace options кому dBm/Hertz.
На вкладке «Вид» в разделе Configuration Properties, задайте для параметра Minimum Y-limit значение -75 и параметр Maximum Y-limit to -45.
Эти значения задают диапазон значений x и y на дисплее таким образом, чтобы при выполнении моделирования был виден весь сигнал.
Задайте для параметра метки оси Y значение dBm/Hertz.
В этой части примера выполняется моделирование и проверяется частотная характеристика фильтра.
Щелкните Выполнить (Run) в окне модели, чтобы начать моделирование.
Автоматически появляется окно Область спектра (Spectrum Scope), в котором отображается следующий график, показывающий частотную характеристику фильтра.
Частотная характеристика полосового фильтра

Блок Spectrum Scope отображает частотную характеристику на сдвинутых (эквивалентных по полосе частот) частотах, а не на выбранных частотах полосы пропускания. Можно перемаркировать ось X окна Область спектра (Spectrum Scope) для отображения сигнала полосы пропускания, введя значение параметра Center frequency, равное 400e6 (из блока «Входной порт») для параметра «Смещение отображения частоты» (Гц) на вкладке «Свойства оси» блока «Область спектра». Дополнительные сведения о комплексном моделировании базовой полосы см. в разделе Создание комплексной модели базовой полосы-эквивалента.
Geffe, P.R., «Новые конструкции эллиптических полосовых фильтров», RF Design, февраль 1999 года.
Конфигурация | Входной порт | Выходной порт