Получите линейные точки анализа из модели Simulink, блока Linear Analysis Plots или блока Верификация модели
Откройте модель Simulink.
mdl = 'scdpwm';
open_system(mdl)

Эта модель содержит следующие точки линейного анализа:
Входное возмущение на выходе блока Step
Выходное измерение на выходе блока Модель Объекта Управления
Получите точки анализа из модели.
io = getlinio(mdl)
2x1 vector of Linearization IOs: -------------------------- 1. Linearization input perturbation located at the following signal: - Block: scdpwm/Step - Port: 1 2. Linearization output measurement located at the following signal: - Block: scdpwm/Plant Model - Port: 1
Можно использовать эти точки анализа для последующих линеаризаций модели с помощью linearize команда или slLinearizer интерфейс.
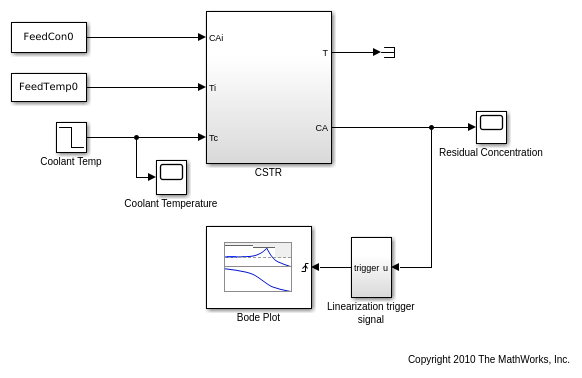
Откройте модель Simulink.
open_system('scdcstr')

Эта модель содержит блок Диаграмма Боде, который сконфигурирован со следующими линейными точками анализа:
Входные возмущения на выходе блока Coolant Temp
Выходное измерение в CA выход блока CSTR
Получите точки анализа из блока Диаграмма Боде.
io = getlinio('scdcstr/Bode Plot')
2x1 vector of Linearization IOs: -------------------------- 1. Linearization input perturbation located at the following signal: - Block: scdcstr/Coolant Temp - Port: 1 2. Linearization output measurement located at the following signal: - Block: scdcstr/CSTR - Port: 2
mdl - имя модели SimulinkИмя модели Simulink, заданное как вектор символов или строка. Модель должна быть в текущей рабочей папке или в MATLAB® путь.
Если модель не открыта или загружена в память, getlinio загружает модель в память.
blockpath - Блок Линейных Графиков для анализа или Блок Верификации МоделиБлок Linear Графики для Анализа или блок Верификация модели, заданный как вектор символов или строка, которая содержит его полный блочный путь. Модель, которая содержит блок, должна быть в текущей рабочей папке или в пути MATLAB.
Для получения дополнительной информации о:
Блоки линейного графика для анализа, см. «Визуализация во время симуляции».
Моделируйте блоки верификации, см. «Верификация модели».
io - Набор точек анализаНабор точек анализа, возвращенный как объект ввода-вывода линеаризации или вектор объектов ввода-вывода линеаризации. Использование io для задания входов линеаризации, выходов и открытий цикла при использовании linearize команда. Для получения дополнительной информации см. «Задание фрагмента модели для линеаризации».
Каждая точка анализа имеет следующие свойства:
| Свойство | Описание |
|---|---|
Active | Флаг, указывающий, использовать ли точку анализа для линеаризации, задается как одно из следующего:
|
Block | Полный путь блока, с которым связана точка анализа, заданный как вектор символов. |
PortNumber | Выходной порт, с которым связана точка анализа, задается как целое число. |
Type | Тип точки анализа, заданный как один из следующих:
Для получения дополнительной информации о типах точек анализа см. «Задание фрагмента модели для линеаризации». |
BusElement | Имя элемента шины, с которым связана точка анализа, заданное как вектор символов или |
Description | Заданное пользователем описание точки анализа, которую можно задать для удобства, задается как вектор символов. |
У вас есть измененная версия этого примера. Вы хотите открыть этот пример с вашими правками?
1. Если смысл перевода понятен, то лучше оставьте как есть и не придирайтесь к словам, синонимам и тому подобному. О вкусах не спорим.
2. Не дополняйте перевод комментариями “от себя”. В исправлении не должно появляться дополнительных смыслов и комментариев, отсутствующих в оригинале. Такие правки не получится интегрировать в алгоритме автоматического перевода.
3. Сохраняйте структуру оригинального текста - например, не разбивайте одно предложение на два.
4. Не имеет смысла однотипное исправление перевода какого-то термина во всех предложениях. Исправляйте только в одном месте. Когда Вашу правку одобрят, это исправление будет алгоритмически распространено и на другие части документации.
5. По иным вопросам, например если надо исправить заблокированное для перевода слово, обратитесь к редакторам через форму технической поддержки.