exponenta event banner

setlinio

Сохраните линейные точки анализа в модель Simulink, блок Linear Analysis Plots или блок Верификация модели

Описание

пример

setlinio(mdl,io) запишет точки анализа, указанные в io в Simulink® модели mdl.

пример

setlinio(blockpath,io) устанавливает заданные точки анализа на указанный блок Linear Analysis Plots или блок Верификация модели.

пример

oldio = setlinio(___) возвращает текущий набор точек анализа в модели или блоке и заменяет их на io использование любого из предыдущих синтаксисов.

Примеры

свернуть все

Откройте модель Simulink.

model = 'magball';
open_system(model)

Создайте вектор точек анализа для линеаризации модели объекта управления:

  • Входное возмущение на выходе блока Controller

  • Разомкнутый контур на выходе блока Magnetic Ball Plant

io(1) = linio('magball/Controller',1,'input');
io(2) = linio('magball/Magnetic Ball Plant',1,'openoutput');

Запишите точки анализа в magball модель.

setlinio(model,io);

Анализ указывает на io добавляются к модели в виде аннотаций. Затем можно сохранить модель, чтобы сохранить точки анализа с моделью.

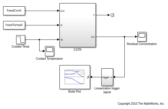
Откройте модель Simulink.

open_system('scdcstr')

Создайте точки анализа для нахождения передаточной функции между температурой хладагента и остаточной концентрацией.

  • Входные возмущения на выходе блока Coolant Temp

  • Выходное измерение на выходе CA блока CSTR

io(1) = linio('scdcstr/Coolant Temp',1,'input');
io(2) = linio('scdcstr/CSTR',2,'output');

Установите точки анализа в блоке Диаграмма Боде.

setlinio('scdcstr/Bode Plot',io);

Просмотрите точки анализа в диалоговом окне Диаграммы Боде Параметров блоков.

open_system('scdcstr/Bode Plot')

Во время симуляции программа линеаризирует модель с помощью заданного анализа и строит графики величины и фазовых откликов для полученной линейной системы.

Откройте модель Simulink.

mdl = 'scdpwm';
open_system(mdl)

Эта модель сконфигурирована с точками анализа для нахождения комбинированной передаточной функции PWM и объектов.

Создайте точки анализа для нахождения передаточной функции только модели объекта управления.

io(1) = linio('scdpwm/Voltage to PWM',1,'input');
io(2) = linio('scdpwm/Plant Model',1,'output');

Сохраните точки анализа в модели и сохраните предыдущее строение точки анализа.

oldio = setlinio(mdl,io)
2x1 vector of Linearization IOs: 
--------------------------
1. Linearization input perturbation located at the following signal:
- Block: scdpwm/Step
- Port: 1
2. Linearization output measurement located at the following signal:
- Block: scdpwm/Plant Model
- Port: 1

Входные параметры

свернуть все

Имя модели Simulink, заданное как вектор символов или строка. Модель должна быть в текущей рабочей папке или в MATLAB® путь.

Если модель не открыта или загружена в память, setlinio загружает модель в память.

Набор точек анализа, заданный как объект ввода-вывода линеаризации или вектор объектов ввода-вывода линеаризации.

Каждый объект ввода-вывода линеаризации имеет следующие свойства:

СвойствоОписание
Active

Флаг, указывающий, использовать ли точку анализа для линеаризации, задается как одно из следующего:

  • 'on' - Используйте точку анализа для линеаризации. Это значение является опцией по умолчанию.

  • 'off' - Не используйте точку анализа для линеаризации. Используйте эту опцию, если у вас есть существующий набор точек анализа и вы хотите линеаризировать модель с подмножеством этих точек.

Block

Полный путь блока, с которым связана точка анализа, заданный как вектор символов.

PortNumber

Выходной порт, с которым связана точка анализа, задается как целое число.

Type

Тип точки анализа, заданный как один из следующих:

  • 'input' - Входное возмущение

  • 'output' - Выход сигнала

  • 'loopbreak' - пропуск цикла

  • 'openinput' - Разомкнутый контур

  • 'openoutput' - Выход разомкнутого контура

  • 'looptransfer' - Цикл

  • 'sensitivity' - Чувствительность

  • 'compsensitivity' - Дополнительная чувствительность

Для получения дополнительной информации о типах точек анализа см. «Задание фрагмента модели для линеаризации».

BusElement

Имя элемента шины, с которым связана точка анализа, заданное как вектор символов или '' если точка анализа не является элементом шины.

Description

Заданное пользователем описание точки анализа, которую можно задать для удобства, задается как вектор символов.

Блок Linear Графики для Анализа или блок Верификация модели, заданный как вектор символов или строка, которая содержит его полный блочный путь. Модель, которая содержит блок, должна быть в текущей рабочей папке или в пути MATLAB.

Для получения дополнительной информации о:

Выходные аргументы

свернуть все

Старый набор точек анализа, возвращенный как объект ввода-вывода линеаризации или вектор объектов ввода-вывода линеаризации.

Альтернативная функциональность

Модель Simulink

Можно также задать точки анализа непосредственно в модели Simulink. Для получения дополнительной информации см. «Задание фрагмента модели для линеаризации в модели Simulink».

Представлено до R2006a