Фильтрация каждого канала ввода во времени с использованием реализации статического или изменяющегося во времени цифрового фильтра
Реализация фильтрации/фильтрации
dsparch4
Примечание
Использование блока цифрового фильтра в будущих версиях не рекомендуется. Существующие экземпляры будут продолжать работать, но некоторые функции будут отключены. См. раздел Удаление или замена функциональных возможностей блоков и системных объектов. Мы настоятельно рекомендуем использовать один из дискретных фильтров FIR (Simulink), дискретных фильтров (Simulink), Biquad Filter или Allpole Filter в новых конструкциях.
Можно использовать блок цифрового фильтра для эффективной реализации фильтра с плавающей или фиксированной точкой, для которого известны коэффициенты или который уже определен в dfilt объект. Блок независимо фильтрует каждый канал входного сигнала заданным цифровым БИХ или КИХ фильтром. Блок может реализовывать статические фильтры с фиксированными коэффициентами, а также изменяющиеся во времени фильтры с коэффициентами, изменяющимися во времени. Во время моделирования можно настроить коэффициенты статического фильтра.
Этот блок фильтрует каждый канал входного сигнала независимо во времени. Необходимо задать параметр обработки ввода, чтобы указать, как блок интерпретирует входной сигнал. Можно выбрать один из следующих вариантов:
Columns as channels (frame based) - При выборе этой опции блок обрабатывает каждый столбец ввода как независимый канал.
Elements as channels (sample based) - При выборе этой опции блок обрабатывает каждый элемент ввода как отдельный канал.
Размеры выходного сигнала всегда совпадают с размерами входного сигнала. Выходы этого блока численно совпадают с выходами блока проектирования цифрового фильтра и dfilt объект.
Примечание
Блок цифрового фильтра имеет прямой канал, поэтому, если подключить выход этого блока обратно к его входу, получается алгебраический цикл. Дополнительные сведения о прямом проходе и алгебраических контурах см. в разделе Концепции алгебраических контуров (Simulink).
Блок цифрового фильтра может работать в трех различных режимах. Выберите режим в поле группы Источник коэффициента.
Диалоговые параметры Введите сведения о фильтре, такие как структура и коэффициенты в маске блока.
Входные порты Введите структуру фильтра в блочную маску, и коэффициенты фильтра поступят через один или несколько блочных портов. Этот режим полезен для задания изменяющихся во времени фильтров.
Объект дискретного фильтра (DFILT) Укажите фильтр с помощью dfilt объект.
При выборе объекта фильтра дискретного времени (DFILT): dfilt поддерживаются структуры:
dfilt.df1
dfilt.df1t
dfilt.df2
dfilt.df2t
dfilt.df1sos
dfilt.df1tsos
dfilt.df2sos
dfilt.df2tsos
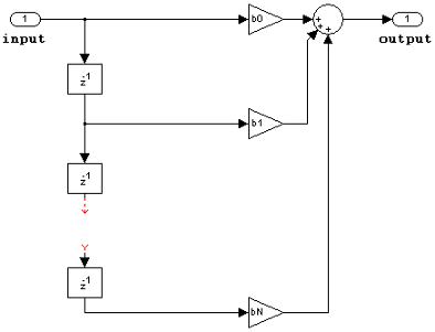
dfilt.dffir
dfilt.dffirt
dfilt.dfsymfir
dfilt.dfasymfir
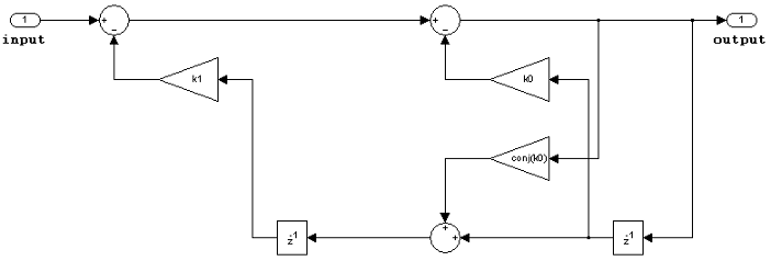
dfilt.latticear
dfilt.latticemamin
При выборе параметров Dialog parameters или Input port (s) список структур фильтров, предлагаемых в параметре Filter structure, зависит от того, установлен ли для типа функции Transfer значение IIR (poles & zeros), IIR (all poles), или FIR (all zeros), как резюмируется в следующей таблице.
Примечание
Каждая структура, приведенная в таблице ниже, поддерживает как сигналы с фиксированной запятой, так и сигналы с плавающей запятой.
В таблице также показан вектор или матрица коэффициентов фильтра, которые необходимо предоставить для каждой структуры фильтра.
Структуры фильтров и коэффициенты фильтров
Тип передаточной функции | Поддерживаемые структуры фильтров | Спецификация коэффициента фильтра |
|---|---|---|
IIR (полюса и нули) |
|
См. раздел Специальное рассмотрение коэффициента ведущего знаменателя. |
|
| |
IIR (все полюса) |
| Вектор коэффициентов знаменателя [a0, a1, a2,..., am] См. раздел Специальное рассмотрение коэффициента ведущего знаменателя. |
| Вектор коэффициентов отражения [k1, k2,..., kn] | |
FIR (все нули) |
| Вектор числительных коэффициентов [b0, b1, b2,..., bn] |
| Вектор коэффициентов отражения [k1, k2,..., kn] |
В некоторых случаях для блока цифрового фильтра требуется коэффициент начального знаменателя (a0) должно быть 1. Это требование применяется при следующих условиях:
Блок цифрового фильтра работает в режиме с фиксированной точкой. Блок работает в режиме с фиксированной точкой, когда, по крайней мере, одно из следующих утверждений верно:
Вход в блок цифрового фильтра имеет фиксированный или целочисленный тип данных.
Параметр «Режим КИПиА с фиксированной точкой» в разделе «Анализ» > «Инструмент с фиксированной точкой» имеет значение Minimums, maximums and overflows.
Источник коэффициента имеет значение Dialog или Input port(s).
Примечание
Если вы работаете в одной из ситуаций с фиксированной точкой, описанных в предыдущем маркере, и для источника коэффициента установлено значение Input port(s), необходимо установить флажок Коэффициент первого знаменателя = 1, удалить член a0 в структуре.
Тип функции переноса и параметры структуры фильтра устанавливаются в одну из комбинаций, описанных в следующей таблице.
| Тип передаточной функции | Структура фильтра |
|---|---|
| IIR (полюса и нули) |
|
| |
| |
| |
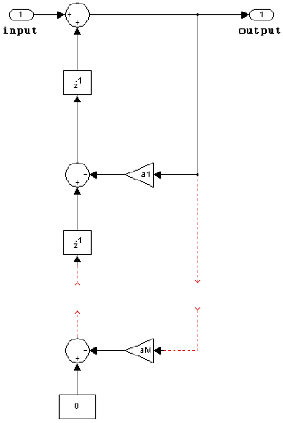
| IIR (все полюса) |
|
|
При использовании блока цифрового фильтра в одной из этих конфигураций и коэффициента ведущего знаменателя возникает ошибка (a0) не равно 1. Чтобы устранить ошибку, установите для коэффициента начального знаменателя значение 1 путем масштабирования всех коэффициентов числителя и знаменателя на коэффициент a0.
В диалоговых параметрах и режимах входных портов блок инициализирует состояние внутреннего фильтра как нулевое по умолчанию, что эквивалентно предположению, что прошлые входы и выходы равны нулю. Можно дополнительно использовать параметр Начальные условия (Initial conditions), чтобы указать ненулевые начальные условия для задержек фильтра.
Для определения количества начальных значений условий, которые необходимо указать, и способов их определения см. следующую таблицу действительных начальных условий и количества элементов задержки (состояния фильтра). Параметр Initial conditions может принимать одну из четырех форм, как описано в следующей таблице.
Действительные начальные условия
| Исходное условие | Примеры | Описание |
|---|---|---|
Скаляр |
Каждый элемент задержки для каждого канала установлен в | Блок инициализирует все элементы задержки в фильтре до скалярного значения. |
Вектор | Для фильтра с двумя элементами задержки: [d1 d2] Элементами задержки для всех каналов являются d1 и d2. | Каждый векторный элемент определяет уникальное начальное условие для соответствующего элемента задержки. Блок применяет один и тот же вектор начальных условий к каждому каналу входного сигнала. Длина вектора должна равняться количеству элементов задержки в фильтре (указанному в таблице Number of Delay Elements (Filter States)). |
Вектор или матрица | Для 3-канального входного сигнала и фильтра с двумя элементами задержки: [d1 d2 D1 D2 d1 d2] или
| Каждый вектор или элемент матрицы определяет уникальное начальное условие для соответствующего элемента задержки в соответствующем канале:
|
Пустая матрица |
| Пустая матрица, |
Количество элементов задержки (состояний фильтра) на входной канал зависит от структуры фильтра, как показано в следующей таблице.
Количество элементов задержки (состояния фильтра)
| Структура фильтра | Количество элементов задержки на канал |
|---|---|
|
|
|
|
|
|
|
|
|
|
Simulink ® позволяет регистрировать состояния в модели в рабочей области MATLAB ®. В следующей таблице показано, какие структуры фильтров блока цифрового фильтра поддерживают функцию регистрации состояния Simulink. Дополнительные сведения см. в разделе Состояние (Simulink).
| Тип передаточной функции | Структура фильтра | Поддерживается ведение журнала состояния |
|---|---|---|
| IIR (полюса и нули) | Direct form I | Нет |
Direct form I transposed | Да | |
Direct form II | Нет | |
Direct form II transposed | Да | |
Biquadratic direct form I (SOS) | Да | |
Biquadratic direct form I transposed (SOS) | Да | |
Biquadratic direct form II (SOS) | Да | |
Biquadratic direct form II transposed (SOS) | Да | |
| IIR (все полюса) | Direct form | Нет |
Direct form transposed | Да | |
Lattice AR | Да | |
| FIR (все нули) | Direct form | Нет |
Direct form symmetric | Нет | |
Direct form antisymmetric | Нет | |
Direct form transposed | Да | |
Lattice MA | Да |
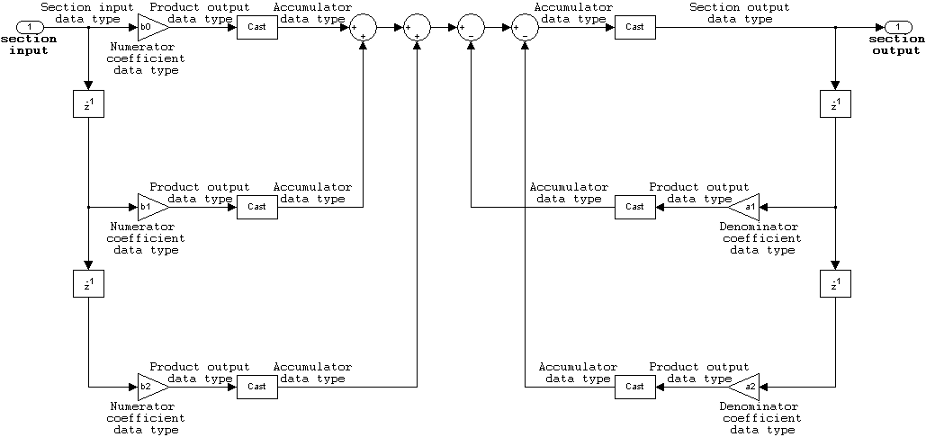
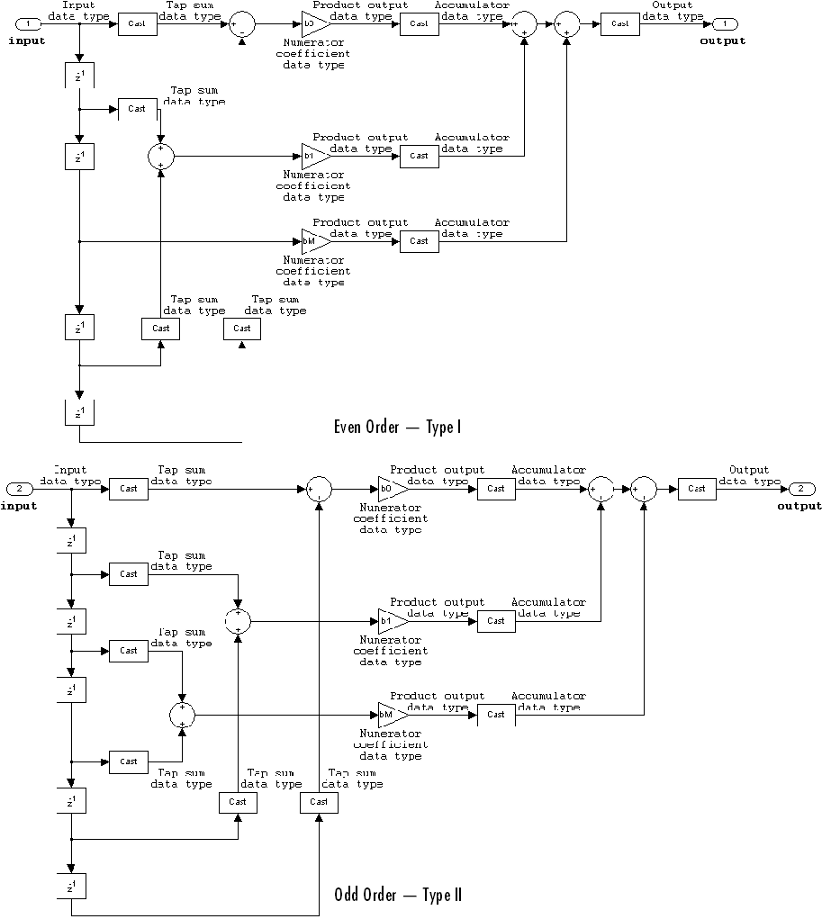
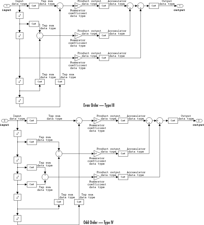
Все структуры, поддерживаемые блоком цифрового фильтра, поддерживают фиксированные типы данных. Можно указать промежуточные типы данных с фиксированной точкой для таких величин, как коэффициенты, накопитель и выходные данные продукта для каждой структуры фильтра. Диаграммы, показывающие использование этих промежуточных типов данных с фиксированной точкой в каждой структуре фильтра, см. в разделе Схемы структуры фильтров.
Блок цифрового фильтра может работать в трех различных режимах. Выберите режим в поле группы Источник коэффициента.
Диалоговые параметры Введите сведения о фильтре, такие как структура и коэффициенты в маске блока.
Входные порты Введите структуру фильтра в блочную маску, и коэффициенты фильтра поступят через один или несколько блочных портов. Этот режим полезен для задания изменяющихся во времени фильтров.
Объект дискретного фильтра (DFILT) Укажите фильтр с помощью dfilt объект.
В диалоговом окне Блок цифрового фильтра (Digital Filter block) отображаются различные элементы в зависимости от выбора параметров диалога, входных портов или объекта фильтра дискретного времени (DFILT) в групповом поле Источник коэффициента (Coefficient source). Дополнительные сведения см. в следующих разделах:
Главная панель диалогового окна «Блок цифрового фильтра» отображается следующим образом, если параметры диалогового окна заданы в групповом поле «Источник коэффициентов». Приведенные ниже параметры могут отображаться при выборе диалоговых параметров или портов ввода, как указано выше.

Выберите тип передаточной функции фильтра; IIR (poles & zeros), IIR (all poles), или FIR (all zeros). Дополнительные сведения см. в разделе Поддерживаемые структуры фильтров.
Выберите структуру фильтра. Выбор доступных структур зависит от настройки параметра Тип функции переноса. Дополнительные сведения см. в разделе Поддерживаемые структуры фильтров.
Укажите вектор числительных коэффициентов передаточной функции фильтра.
Этот параметр отображается только в том случае, если выбраны параметры диалогового окна и выбранная структура фильтра соответствует спецификации с числительными коэффициентами. Настраиваемый (Simulink).
Укажите вектор коэффициентов знаменателя передаточной функции фильтра.
В некоторых случаях коэффициент ведущего знаменателя (a0) должен быть равен 1. Для получения дополнительной информации см. Специальное рассмотрение коэффициента ведущего знаменателя.
Этот параметр отображается только в том случае, если выбраны параметры диалогового окна и выбранная структура фильтра соответствует спецификации с коэффициентами знаменателя. Настраиваемый (Simulink).
Укажите вектор коэффициентов отражения передаточной функции фильтра.
Этот параметр отображается только в том случае, если выбраны диалоговые параметры и выбранная структура фильтра соответствует спецификации с коэффициентами отражения. Настраиваемый (Simulink).
Укажите M-by-6 матрицу SOS, содержащую коэффициенты фильтра секции второго порядка (SOS), где M - количество секций. Вы можете использовать ss2sos и tf2sos функции программного обеспечения Toolbox™ обработки сигналов для проверки достоверности матрицы SOS.
Этот параметр отображается только в том случае, если выбраны параметры диалогового окна и выбранная структура фильтра является биквадратичной. Настраиваемый (Simulink).
Укажите значения масштаба, которые должны применяться до и после каждого раздела биквадратического фильтра.
Если указан скаляр, это значение применяется перед первым разделом фильтра. Остальные значения шкалы устанавливаются равными 1.
Можно также задать вектор с элементами M + 1, назначив каждому масштабу разное значение. Для получения информации об использовании значений масштаба в биквадратических структурах фильтров см. Диаграммы структуры фильтров.
Этот параметр отображается только в том случае, если выбраны параметры диалогового окна и выбранная структура фильтра является биквадратичной. Настраиваемый (Simulink).
Выберите этот параметр, чтобы уменьшить количество вычислений, которые блок должен выполнить для получения выходных данных, пропустив 1 / a0 член в структуре фильтра. Вывод блока недопустим, если выбран этот параметр, когда коэффициент фильтра первого знаменателя не всегда равен 1 для изменяющегося во времени фильтра.
Этот параметр активируется только в том случае, если выбран входной порт (порты) и выбранная структура фильтра соответствует данной спецификации .
Укажите, как часто блок обновляет изменяющиеся во времени фильтры; один раз на выборку или один раз на кадр.
Этот параметр появляется только при выполнении следующих условий:
Порт (ы) ввода указывается в поле группы «Источник коэффициентов».
Для параметра Обработка ввода (Input processing) устанавливается значение Columns as channels (frame based).
Укажите начальные условия состояний фильтра. Сведения о задании начальных условий см. в разделе Задание начальных условий.
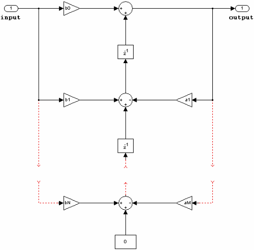
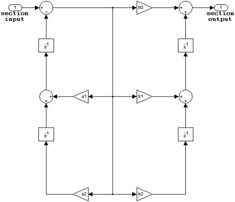
(Не показано в диалоговом окне выше.) Укажите начальные условия для состояний фильтра на стороне структуры фильтра с нулями (b0, b1, b2,...); см. схему ниже.
Этот параметр активируется только в том случае, если фильтр имеет как полюса, так и нули, и при выборе структуры, такой как прямая форма I, которая имеет отдельные состояния фильтра, соответствующие полюсам (ak) и нулям (bk). Сведения о задании начальных условий см. в разделе Задание начальных условий.
(Не показано в диалоговом окне выше). Укажите исходные условия для состояний фильтра на стороне структуры фильтра с полюсами (a0, a1, a2,...); см. схему ниже.
Этот параметр активируется только в том случае, если фильтр имеет как полюса, так и нули, и при выборе структуры, такой как прямая форма I, которая имеет отдельные состояния фильтра, соответствующие полюсам (ak) и нулям (bk). Сведения о задании начальных условий см. в разделе Задание начальных условий.

Укажите, как блок должен обрабатывать входные данные. Можно задать для этого параметра одну из следующих опций:
Columns as channels (frame based) - При выборе этой опции блок обрабатывает каждый столбец ввода как отдельный канал.
Elements as channels (sample based) - При выборе этой опции блок обрабатывает каждый элемент ввода как отдельный канал.
Примечание
Inherited (this choice will be removed - see release notes) будет удален в следующем выпуске. Для получения дополнительной информации см. раздел Обработка кадров в системе DSP Toolbox™ Примечания к версии.
Эта кнопка открывает инструмент визуализации фильтра (fvtool) из продукта Signal Processing Toolbox и отображает отклик фильтра, определенный блоком. Дополнительные сведения о FVTool см. в документации панели инструментов обработки сигналов.
Примечание
Если в параметре Filter указан фильтр, необходимо нажать кнопку Apply, чтобы применить фильтр перед использованием кнопки View filter response.
Панель Типы данных (Data Types) диалогового окна Блок цифрового фильтра (Digital Filter block) отображается следующим образом, если параметры диалогового окна заданы в групповом поле Источник коэффициента (Coefficient source). Приведенные ниже параметры могут отображаться при выборе диалоговых параметров или входных портов в зависимости от структуры фильтра и от того, вводятся ли коэффициенты через порты или на маске блока.

Выберите режим округления для операций с фиксированной точкой. Коэффициенты фильтра не подчиняются этому параметру; они всегда округляются до Nearest.
Выберите режим переполнения для операций с фиксированной точкой. Коэффициенты фильтра не подчиняются этому параметру; они всегда насыщены.
Выберите способ указания длины слова и длины дроби типа данных с фиксированной точкой, входящих и выходящих из каждого раздела биквадратического фильтра. Примеры использования типа данных ввода-вывода раздела в этом блоке приведены в разделе «Схемы структуры фильтров».
Этот параметр отображается только в том случае, если выбранная структура фильтра является биквадратичной:
При выборе Same as input, эти характеристики соответствуют характеристикам входа в блок.
При выборе Binary point scaling, можно ввести длины слов и дробей для ввода и вывода секции в битах.
При выборе Slope and bias scaling, можно ввести длину слова, в битах, и наклоны ввода и вывода сечения. Этот блок требует наклона мощности два и смещения нуля.
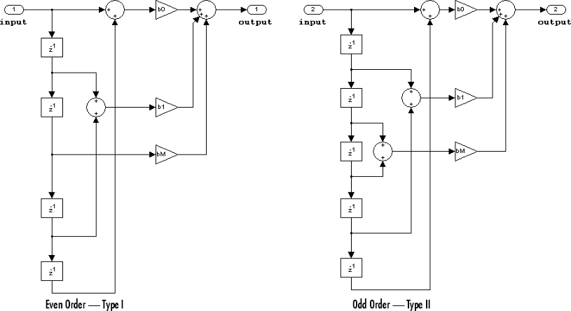
Выберите способ указания длины слова и длины дроби типа данных суммы отводов симметричного или антисимметричного фильтра прямого вида. Примеры использования типа данных суммы отводов в этом блоке приведены в разделе Схемы структуры фильтров.
Этот параметр отображается только в том случае, если выбрана структура фильтра. Direct form symmetric или Direct form antisymmetric:
При выборе Same as input, эти характеристики соответствуют характеристикам входа в блок.
При выборе Binary point scaling, можно ввести длину слова и длину дроби накопителя суммы отводов, в битах.
При выборе Slope and bias scaling, можно ввести длину слова, в битах, и наклон накопителя суммы отводов. Этот блок требует наклона мощности два и смещения нуля.
Выберите способ задания длины слова и длины дроби мультипликативного типа данных прямой формы I транспонированного или биквадратичной прямой формы I транспонированного фильтра. Примеры использования мультипликативного типа данных в этом блоке приведены в разделе Схемы структуры фильтров.
Этот параметр отображается только в том случае, если выбрана структура фильтра. Direct form I transposed или Biquad direct form I transposed (SOS):
При выборе Same as output, эти характеристики соответствуют характеристикам вывода в блок.
При выборе Binary point scaling, можно ввести длину слова и длину дроби типа данных multiplicand в битах.
При выборе Slope and bias scaling, можно ввести длину слова, в битах, и наклон типа данных мультипликата. Этот блок требует наклона мощности два и смещения нуля.
Выберите способ задания длины слова и длины дроби коэффициентов фильтра (числитель и/или знаменатель). Примеры использования типов данных коэффициентов в этом блоке приведены в разделе Схемы структуры фильтров:
При выборе Same word length as inputдлина слова коэффициентов фильтра соответствует длине слова, введенного в блок. В этом режиме длина дроби коэффициентов автоматически устанавливается в двоичное масштабирование, которое обеспечивает наилучшую точность, учитывая значение и длину слова коэффициентов.
При выборе Specify word length, можно ввести длину слова коэффициентов, в битах. В этом режиме длина дроби коэффициентов автоматически устанавливается в двоичное масштабирование, которое обеспечивает наилучшую точность, учитывая значение и длину слова коэффициентов.
При выборе Binary point scaling, можно ввести длину слова и длину дроби коэффициентов, в битах. Если применимо, можно ввести отдельные длины дробей для коэффициентов числителя и знаменателя.
При выборе Slope and bias scaling, можно ввести длину слова, в битах, и наклон коэффициентов. Если применимо, можно ввести отдельные уклоны для коэффициентов числителя и знаменателя. Этот блок требует наклона мощности два и смещения нуля.
Коэффициенты фильтра не соответствуют параметрам режима округления и режима переполнения; они всегда насыщены и округлены до Nearest.
Этот параметр используется для указания способа обозначения выходных слов продукта и длин дробей. Примеры использования типа выходных данных продукта в этом блоке приведены в разделе Схемы структуры фильтров и типы данных умножения:
При выборе Same as input, эти характеристики соответствуют характеристикам входа в блок.
При выборе Binary point scaling, можно ввести длину слова и длину дроби выходного документа в битах.
При выборе Slope and bias scaling, можно ввести длину слова в битах и наклон выхода продукта. Этот блок требует наклона мощности два и смещения нуля.
Используйте этот параметр, чтобы указать, как следует обозначать слова-накопители и длины дробей. Примеры использования типа данных накопителя в этом блоке приведены в разделе Схемы структуры фильтров и типы данных умножения:
При выборе Same as input, эти характеристики соответствуют характеристикам входа в блок.
При выборе Same as product output, эти характеристики соответствуют характеристикам продукта.
При выборе Binary point scaling, можно ввести длину слова и длину дроби накопителя, в битах.
При выборе Slope and bias scaling, можно ввести длину слова, в битах, и наклон накопителя. Этот блок требует наклона мощности два и смещения нуля.
Этот параметр используется для указания способа обозначения длины слова состояния и дроби. Примеры использования типа данных состояния в этом блоке см. в разделе Схемы структуры фильтров.
Этот параметр не отображается для структур фильтра прямой формы и прямой формы I.
При выборе Same as input, эти характеристики соответствуют характеристикам входа в блок.
При выборе Same as accumulator, эти характеристики соответствуют характеристикам аккумулятора.
При выборе Binary point scaling, можно ввести длину слова и длину дроби накопителя, в битах.
При выборе Slope and bias scaling, можно ввести длину слова, в битах, и наклон накопителя. Этот блок требует наклона мощности два и смещения нуля.
Выберите способ задания длины выходного слова и длины дроби:
При выборе Same as input, эти характеристики соответствуют характеристикам входа в блок.
При выборе Same as accumulator, эти характеристики соответствуют характеристикам аккумулятора.
При выборе Binary point scaling, можно ввести длину слова и длину дроби выходного сигнала в битах.
При выборе Slope and bias scaling, можно ввести длину слова в битах и наклон выходного сигнала. Этот блок требует наклона мощности два и смещения нуля.
Выберите этот параметр, чтобы инструменты с фиксированной точкой не переопределяли типы данных, заданные в маске блока.
При указании объекта дискретного фильтра (DFILT) в групповом поле «Коэффициент источника» появляется основная панель диалогового окна блока «Цифровой фильтр».

Укажите объект фильтра дискретного времени (dfilt), который вы хотите, чтобы блок был реализован. Это можно сделать одним из трех способов:
Вы можете полностью указать dfilt в маске блока, как показано в значении по умолчанию.
Можно ввести имя переменной dfilt объект, определенный в любой рабочей области.
Можно ввести имя переменной для dfilt объект, который еще не определен.
Укажите, как блок должен обрабатывать входные данные. Можно задать для этого параметра одну из следующих опций:
Columns as channels (frame based) - При выборе этой опции блок обрабатывает каждый столбец ввода как отдельный канал.
Elements as channels (sample based) - При выборе этой опции блок обрабатывает каждый элемент ввода как отдельный канал.
Примечание
Inherited (this choice will be removed - see release notes) будет удален в следующем выпуске. Дополнительные сведения см. в разделе Обработка кадров в примечаниях к выпуску панели инструментов DSP System Toolbox.
Эта кнопка открывает инструмент визуализации фильтра (fvtool) из продукта Signal Processing Toolbox и отображает отклик фильтра dfilt объект, указанный в параметре Filter. Дополнительные сведения о FVTool см. в документации панели инструментов обработки сигналов.
Примечание
Если в параметре Filter указан фильтр, необходимо нажать кнопку Apply, чтобы применить фильтр перед использованием кнопки View filter response.
Панель Типы данных (Data Types) диалогового окна Блок цифрового фильтра (Digital Filter Block) отображается следующим образом, когда объект дискретного временного фильтра (DFILT) указан в групповом поле Коэффициент источника (Coefficient source).

Параметры с фиксированной точкой объекта фильтра, указанные на главной панели, отображаются на панели «Типы данных». Эти параметры нельзя изменить непосредственно на маске блока. Чтобы изменить параметры фиксированной точки, необходимо непосредственно отредактировать объект фильтра.
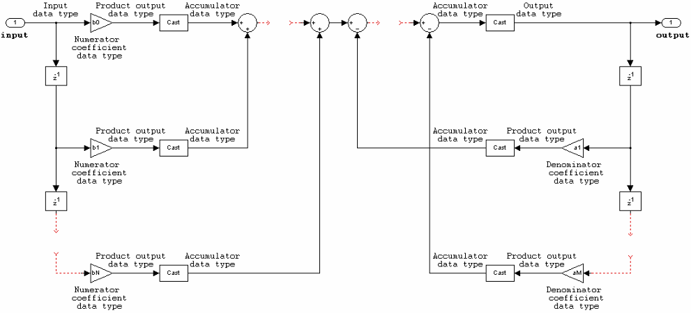
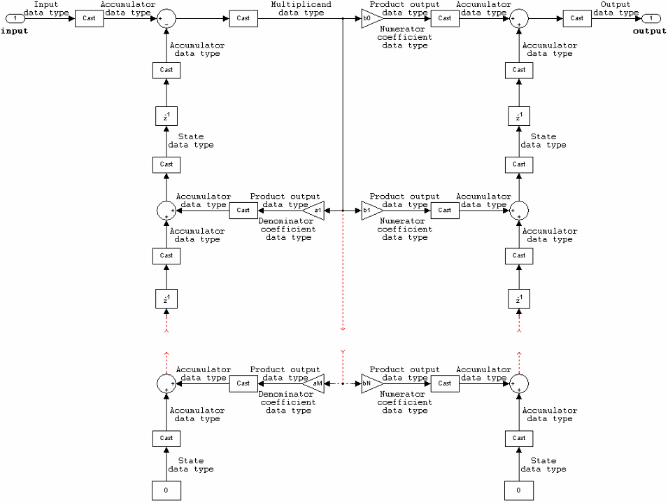
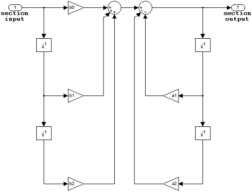
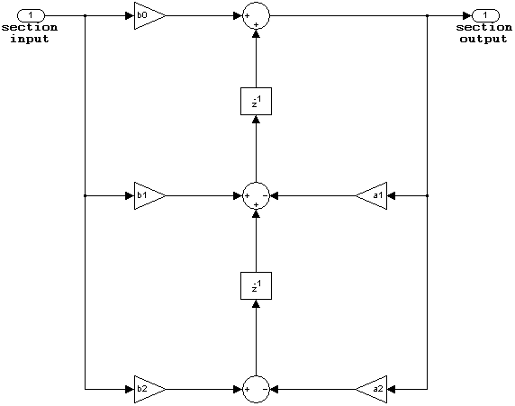
На диаграммах в следующих разделах показаны структуры фильтров, поддерживаемые блоком цифрового фильтра. Они также показывают типы данных, используемые в структурах фильтров для сигналов с фиксированной точкой. В диалоговом окне блока можно задать коэффициенты, выходные данные, накопители, выходные данные продукта и типы данных состояния, показанные на этих диаграммах. Это рассматривается в диалоговом окне.

При обработке сигнала с фиксированной точкой с помощью этой структуры фильтра применяются следующие ограничения:
Входные данные могут быть вещественными или сложными.
Числительные и знаменательные коэффициенты могут быть вещественными или сложными.
Числительные и знаменательные коэффициенты должны быть такой же сложности, как и друг у друга.
Если числитель и знаменатель задаются через входные порты и отличаются друг от друга сложностями, возникает ошибка.
Когда числитель и коэффициенты знаменателя задаются в диалоге и имеют отличающиеся друг от друга сложности, блок не ошибается, а вместо этого обрабатывает фильтр, как если бы были предоставлены два набора комплексных коэффициентов. Набор коэффициентов, который является вещественным, рассматривается как комплексный вектор с нулевыми мнимыми частями.
Числительные и знаменательные коэффициенты должны иметь одинаковую длину слова. Они могут иметь различную длину дробей.
Тип данных State не может быть указан в маске блока для этой структуры, поскольку входное и выходное состояния имеют те же типы данных, что и входной и выходной буферы.


При обработке сигнала с фиксированной точкой с помощью этой структуры фильтра применяются следующие ограничения:
Входные данные могут быть вещественными или сложными.
Числительные и знаменательные коэффициенты могут быть вещественными или сложными.
Числительные и знаменательные коэффициенты должны быть такой же сложности, как и друг у друга.
Если числитель и знаменатель задаются через входные порты и отличаются друг от друга сложностями, возникает ошибка.
Когда числитель и коэффициенты знаменателя задаются в диалоге и имеют отличающиеся друг от друга сложности, блок не ошибается, а вместо этого обрабатывает фильтр, как если бы были предоставлены два набора комплексных коэффициентов. Набор коэффициентов, который является вещественным, рассматривается как комплексный вектор с нулевыми мнимыми частями.
Состояния сложны, когда входные значения или коэффициенты сложны.
Числительные и знаменательные коэффициенты должны иметь одинаковую длину слова. Они могут иметь различную длину дробей.


При обработке сигнала с фиксированной точкой с помощью этой структуры фильтра применяются следующие ограничения:
Входные данные могут быть вещественными или сложными.
Числительные и знаменательные коэффициенты могут быть вещественными или сложными.
Числительные и знаменательные коэффициенты должны быть такой же сложности, как и друг у друга.
Если числитель и знаменатель задаются через входные порты и отличаются друг от друга сложностями, возникает ошибка.
Когда числитель и коэффициенты знаменателя задаются в диалоге и имеют отличающиеся друг от друга сложности, блок не ошибается, а вместо этого обрабатывает фильтр, как если бы были предоставлены два набора комплексных коэффициентов. Набор коэффициентов, который является вещественным, рассматривается как комплексный вектор с нулевыми мнимыми частями.
Состояния сложны, когда входы или коэффициенты сложны.
Числительные и знаменательные коэффициенты должны иметь одинаковую длину слова. Они могут иметь различную длину дробей.


При обработке сигнала с фиксированной точкой с помощью этой структуры фильтра применяются следующие ограничения:
Входные данные могут быть вещественными или сложными.
Числительные и знаменательные коэффициенты могут быть вещественными или сложными.
Числительные и знаменательные коэффициенты должны быть такой же сложности, как и друг у друга.
Если числитель и знаменатель задаются через входные порты и отличаются друг от друга сложностями, возникает ошибка.
Когда числитель и коэффициенты знаменателя задаются в диалоге и имеют отличающиеся друг от друга сложности, блок не ошибается, а вместо этого обрабатывает фильтр, как если бы были предоставлены два набора комплексных коэффициентов. Набор коэффициентов, который является вещественным, рассматривается как комплексный вектор с нулевыми мнимыми частями.
Состояния сложны, когда входы или коэффициенты сложны.
Числительные и знаменательные коэффициенты должны иметь одинаковую длину слова. Они могут иметь различную длину дробей.



При обработке сигнала с фиксированной точкой с помощью этой структуры фильтра применяются следующие ограничения:
Входные данные и коэффициенты могут быть вещественными или сложными.
Числительные и знаменательные коэффициенты могут быть вещественными или сложными.
Задайте коэффициенты с помощью матрицы M-by-6 в маске блока. Невозможно задать коэффициенты по входным портам для этой структуры фильтра.
Если элемент a0 любой строки не равен единице, эта строка нормализуется на a0 перед фильтрацией.
Состояния сложны, когда входы или коэффициенты сложны.
Невозможно указать тип данных состояния в маске блока для этой структуры, поскольку входное и выходное состояния имеют те же типы данных, что и входное.
Значения шкалы должны иметь ту же сложность, что и матрица коэффициента SOS.
Параметр значения масштаба должен быть скаляром или вектором длины M + 1, где M - количество сечений.
Параметр Section I/O определяет тип данных для типов данных section input и output. Входные и выходные данные секции должны иметь одинаковую длину слова, но могут иметь различную длину дроби.
На следующей схеме показаны типы данных для одного раздела фильтра.

На следующей схеме показаны типы данных между секциями фильтра.



При обработке сигнала с фиксированной точкой с помощью этой структуры фильтра применяются следующие ограничения:
Входные данные и коэффициенты могут быть вещественными или сложными.
Числительные и знаменательные коэффициенты могут быть вещественными или сложными.
Задайте коэффициенты с помощью матрицы M-by-6 в маске блока. Невозможно задать коэффициенты по входным портам для этой структуры фильтра.
Если элемент a0 любой строки не равен единице, эта строка нормализуется на a0 перед фильтрацией.
Состояния сложны, когда входы или коэффициенты сложны.
Значения шкалы должны иметь ту же сложность, что и матрица коэффициента SOS.
Параметр значения масштаба должен быть скаляром или вектором длины M + 1, где M - количество сечений.
Параметр Section I/O определяет тип данных для типов данных section input и output. Тип данных ввода и вывода секции должен иметь одинаковую длину слова, но может иметь различную длину дроби.
На следующей схеме показаны типы данных для одного раздела фильтра.

На следующей схеме показаны типы данных между секциями фильтра.



При обработке сигнала с фиксированной точкой с помощью этой структуры фильтра применяются следующие ограничения:
Входные данные и коэффициенты могут быть вещественными или сложными.
Числительные и знаменательные коэффициенты могут быть вещественными или сложными.
Задайте коэффициенты с помощью матрицы M-by-6 в маске блока. Невозможно задать коэффициенты по входным портам для этой структуры фильтра.
Если элемент a0 любой строки не равен единице, эта строка нормализуется на a0 перед фильтрацией.
Состояния сложны, когда входы или коэффициенты сложны.
Значения шкалы должны иметь ту же сложность, что и матрица коэффициента SOS.
Параметр значения масштаба должен быть скаляром или вектором длины M + 1, где M - количество сечений.
Параметр Section I/O определяет тип данных для типов данных section input и output. Тип данных ввода и вывода секции должен иметь одинаковую длину слова, но может иметь различную длину дроби.
На следующей схеме показаны типы данных для одного раздела фильтра.

На следующей схеме показаны типы данных между секциями фильтра.



При обработке сигнала с фиксированной точкой с помощью этой структуры фильтра применяются следующие ограничения:
Входные данные и коэффициенты могут быть вещественными или сложными.
Числительные и знаменательные коэффициенты могут быть вещественными или сложными.
Задайте коэффициенты с помощью матрицы M-by-6 в маске блока. Невозможно задать коэффициенты по входным портам для этой структуры фильтра.
Если элемент a0 любой строки не равен единице, эта строка нормализуется на a0 перед фильтрацией.
Состояния сложны, когда входы или коэффициенты сложны.
Значения шкалы должны иметь ту же сложность, что и матрица коэффициента SOS.
Параметр значения масштаба должен быть скаляром или вектором длины M + 1, где M - количество сечений.
Параметр Section I/O определяет тип данных для типов данных section input и output. Тип данных ввода и вывода секции должен иметь одинаковую длину слова, но может иметь различную длину дроби.
На следующей схеме показаны типы данных для одного раздела фильтра.

На следующей схеме показаны типы данных между секциями фильтра.


При обработке сигнала с фиксированной точкой с помощью этой структуры фильтра применяются следующие ограничения:
Входные данные и коэффициенты могут быть вещественными или сложными.
Коэффициенты знаменателя могут быть вещественными или сложными.
Невозможно указать тип данных состояния в маске блока для этой структуры, поскольку входное и выходное состояния имеют те же типы данных, что и входное.


При обработке сигнала с фиксированной точкой с помощью этой структуры фильтра применяются следующие ограничения:
Входные данные и коэффициенты могут быть вещественными или сложными.
Коэффициенты знаменателя могут быть вещественными или сложными.


При обработке сигнала с фиксированной точкой с помощью этой структуры фильтра применяются следующие ограничения:
Входные данные и коэффициенты могут быть вещественными или сложными.
Коэффициенты могут быть действительными или сложными.


При обработке сигнала с фиксированной точкой с помощью этой структуры фильтра применяются следующие ограничения:
Входные данные могут быть вещественными или сложными.
Числительные коэффициенты могут быть вещественными или сложными.
Невозможно указать тип данных состояния в маске блока для этой структуры, поскольку входное и выходное состояния имеют те же типы данных, что и входное.


При обработке сигнала с фиксированной точкой с помощью этой структуры фильтра применяются следующие ограничения:
Входные данные могут быть вещественными или сложными.
Числительные коэффициенты могут быть вещественными или сложными.
Невозможно указать тип данных состояния в маске блока для этой структуры, поскольку входное и выходное состояния имеют те же типы данных, что и входное.
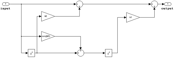
Предполагается, что коэффициенты фильтра симметричны. Для фильтрации используется только первая половина коэффициентов.
Параметр Tap Sum определяет тип данных, используемый фильтром при суммировании входных данных до умножения на коэффициенты.


При обработке сигнала с фиксированной точкой с помощью этой структуры фильтра применяются следующие ограничения:
Входные данные могут быть вещественными или сложными.
Числительные коэффициенты могут быть вещественными или сложными.
Невозможно указать тип данных состояния в маске блока для этой структуры, поскольку входное и выходное состояния имеют те же типы данных, что и входное.
Предполагается, что коэффициенты фильтра являются антисимметричными. Для фильтрации используется только первая половина коэффициентов.
Параметр Tap Sum определяет тип данных, используемый фильтром при суммировании входных данных до умножения на коэффициенты.


При обработке сигнала с фиксированной точкой с помощью этой структуры фильтра применяются следующие ограничения:
Входные данные могут быть вещественными или сложными.
Коэффициенты могут быть действительными или сложными.
Состояния сложны, когда входы или коэффициенты сложны.


При обработке сигнала с фиксированной точкой с помощью этой структуры фильтра применяются следующие ограничения:
Входные данные и коэффициенты могут быть вещественными или сложными.
Коэффициенты могут быть действительными или сложными.

HDL Coder™ предоставляет дополнительные опции конфигурации, которые влияют на реализацию HDL и синтезированную логику.
Примечание
Использование блока цифрового фильтра в будущих версиях не рекомендуется. Существующие экземпляры будут продолжать работать, но некоторые функции будут отключены. См. раздел Удаление или замена функциональных возможностей блоков и системных объектов. Мы настоятельно рекомендуем использовать дискретный фильтр FIR (Simulink) или биквадный фильтр в новых конструкциях.
При указании SerialPartition и ReuseAccum для блока цифрового фильтра соблюдайте следующие ограничения.
Если в качестве параметров диалогового окна указаны Coefficient source:
Установите тип функции переноса в значение FIR (all zeros).
Выберите Фильтровать структуру (Filter structure) как одну из следующих: Direct form, Direct form symmetric, или Direct form asymmetric.
Распределенные арифметические свойства DALUTPpartition и DARadix поддерживаются для default архитектура со структурами фильтров FIR, асимметричного FIR и симметричного FIR.
При использовании AddPipelineRegists регистры размещаются на основе структуры фильтра. Задержка определяется размещением регистра трубопровода.
| Архитектура | Размещение регистра трубопровода | Задержка (такты) |
|---|---|---|
| Фильтры КИХ, асимметричные КИХ и симметричные КИХ | Между уровнями древовидного сумматора добавляется регистр конвейера. | ceil(log2(FL)). FL - длина фильтра. |
| FIR транспонирован | После продуктов добавляется регистр трубопровода. | 1 |
| IIR SOS | Между секциями фильтра добавляются регистры трубопроводов. | NS-1. NS - количество разделов. |
| AddPipelineRegisters | Вставка регистра трубопровода между этапами вычислений в фильтр. См. также AddPipelineRegists (кодер HDL). |
| CoeffMultipliers | Укажите использование оптимизации канонических цифр со знаком (CSD) для уменьшения площади фильтра путем замены множителей коэффициентов логикой сдвига и добавления. При выборе полностью параллельной реализации фильтра можно установить CoeffMultipliers в значение |
| DALUTPartition | Укажите распределенные арифметические частичные секции LUT как вектор размеров каждой секции. Сумма всех векторных элементов должна быть равна длине фильтра. Максимальный размер раздела - 12 отводов. Установите значение DALUTPpartition в скалярное значение, равное длине фильтра, чтобы создать код DA без разделов LUT. См. также DALUTPstittion (кодер HDL). |
| MultiplierInputPipeline | Укажите количество ступеней трубопровода, добавляемых на входах умножителя фильтра. См. также Мультипликатор InputPipeline (кодер HDL). |
| MultiplierOutputPipeline | Укажите количество ступеней трубопровода, добавляемых на выходе умножителя фильтра. См. также Мультипликационный выходной конвейер (кодер HDL). |
| ReuseAccum | Включение или отключение повторного использования накопителя в реализации последовательного фильтра. Задать для параметра ReuseAccum значение |
| ConstrainedOutputPipeline | Количество регистров для размещения на выходах путем перемещения существующих задержек в рамках проекта. Распределенная конвейерная обработка не перераспределяет эти регистры. Значение по умолчанию: |
| InputPipeline | Количество входных ступеней трубопровода для вставки в сформированный код. Распределенная конвейерная обработка и конвейерная обработка с ограниченным выходом могут перемещать эти регистры. Значение по умолчанию: |
| OutputPipeline | Количество выходных ступеней трубопровода для вставки в сформированный код. Распределенная конвейерная обработка и конвейерная обработка с ограниченным выходом могут перемещать эти регистры. Значение по умолчанию: |
За исключением структур прореживающих и интерполяторных фильтров, кодер HDL поддерживает использование комплексных коэффициентов и комплексных входных сигналов для всех структур фильтров блока цифрового фильтра.
Необходимо установить начальные условия равными нулю. Генерация кода HDL не поддерживается для ненулевых начальных состояний.
Кодер HDL не поддерживает опцию «Порт ввода блока цифрового фильтра» для генерации кода HDL.
Плавающая точка с двойной точностью
Плавающая точка с одинарной точностью
Фиксированная точка (только подпись)
8-, 16- и 32-разрядные целые числа со знаком
| Фильтр Allpole | Инструментарий системы DSP |
| Проектирование цифрового фильтра | Инструментарий системы DSP |
| Биквадский фильтр | Инструментарий системы DSP |
| Дискретный фильтр (Simulink) | Simulink |
| Дискретный фильтр FIR (Simulink) | Simulink |
| Мастер реализации фильтра | Инструментарий системы DSP |
filterDesigner | Инструментарий системы DSP |
fvtool | Панель инструментов обработки сигналов |