Фрикционная муфта с коническими пластинами, зацепляющимися при превышении нормальным усилием порога
Simscape/Трансмиссия/Сцепления

Блок конической муфты представляет собой фрикционную муфту с конической контактной поверхностью. Коническая поверхность раздела уменьшает нормальную силу, необходимую для зацепления муфты, за счет создания клиновидного действия между компонентами муфты, конусом и стаканом. Коническая муфта сцепления включает в себя синхронизирующие редукторы, которые синхронизируют частоту вращения ведущего и ведомого валов для обеспечения более плавного взаимодействия между трансмиссионными шестернями.
Чашеобразный компонент жестко соединяется с приводным валом, вращаясь с ним как с единицей. Конический компонент жестко соединен с ведомым валом, который расположен соосно с ведущим валом. Муфта зацепляется, когда конус скользит к чашке и плотно прижимается к ее внутренней поверхности. Трение на поверхности контакта конус-чаша позволяет муфте передавать вращательную силу между ведущим и ведомым валами. Модель трения этого блока включает в себя как статический, так и кинетический вклад трения, последний из которых приводит к рассеянию мощности при проскальзывании между коническими и чашеобразными компонентами.
Блок конического сцепления основан на блоке основного трения. Полную модель фрикционной муфты см. в разделе Основные фрикционные муфты. В этом разделе рассматривается специализированная модель, реализованная в блоке Cone Clutch.
При приложении нормальной силы, FN, блок конического сцепления может прикладывать два вида трения, кинетическое и статическое, к движению трансмиссии. Муфта прикладывает момент кинетического трения только тогда, когда одна ось трансмиссии вращается относительно другой оси трансмиссии. Муфта прикладывает крутящий момент статического трения, когда две оси трансмиссии блокируются и вращаются вместе. Блок выполняет итерацию с помощью многоступенчатого тестирования для определения времени блокировки и разблокировки муфты.
Также можно включить сбои. При возникновении неисправности муфта останется заблокированной или не сможет передавать мощность. Неисправности могут возникать в указанное время или из-за внешнего триггера в порту T.
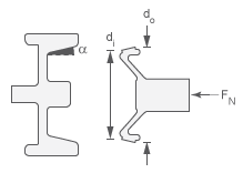
На рисунке показана геометрия конической муфты.

Переменные сцепления
| Параметр | Определение | Значение |
|---|---|---|
| сделать | Наружный диаметр конической контактной поверхности | См. предыдущий рисунок |
| di | Внутренний диаметр конической контактной поверхности | См. предыдущий рисунок |
| α | Угол половины конуса | См. предыдущий рисунок |
| ω | Относительная угловая скорость (скольжение) | startF - startB |
| ωTol | Допуск проскальзывания для блокировки сцепления | См. следующую модель |
| FN | Нормальная сила, приложенная к коническим поверхностям | Приложенная нормальная сила, если она превышает пороговое значение: FN > Fth |
| α | Конусный полуугол | См. предыдущий рисунок |
| reff | Эффективный радиус крутящего момента | Плечо эффективного момента силы трения сцепления |
| kK | Коэффициент кинетического трения | Безразмерный коэффициент кинетического трения конических фрикционных поверхностей. Функция λ. |
| kS | Коэффициент статического трения | Безразмерный коэффициент статического трения конических фрикционных поверхностей. |
| τK | Момент кинетического трения | См. следующую модель |
| τS | Предел крутящего момента статического трения | (пиковый коэффициент статического трения)· (крутящий момент кинетического трения для λ → 0) (См. следующую модель) |
Блок конического сцепления основан на блоке основного трения. Вместо того, чтобы требовать в качестве входных сигналов предельные моменты кинетического и статического трения, блок конической муфты вычисляет кинетическое и статическое трение на основе параметров муфты и входного сигнала FN нормальной силы.
Кинетический момент трения является результатом четырех факторов:
)
Крутящий момент кинетического трения противостоит относительному скольжению и прикладывается с общим знаком минус. Он изменяет знак, когда λ меняет знак.
Коэффициент кинетического трения, kK, задается в виде постоянной или в виде таблицы дискретной функции относительной угловой скорости, λ. Предполагается, что табличная функция симметрична для положительных и отрицательных значений относительной угловой скорости. Следовательно, укажите kK только для положительных значений λ.
Эффективный радиус крутящего момента, ссылочный, представляет собой эффективный радиус, измеренный от оси трансмиссии, при котором кинетические силы трения прикладываются к фрикционным поверхностям. Она связана с геометрией конической поверхности трения посредством:
− di2
do и di - максимальный и минимальный диаметры контактной поверхности соответственно.
Предел статического трения соотносится с кинетическим трением, устанавливая λ на ноль и заменяя кинетическое на коэффициент статического трения:
kS> kK, так, чтобы крутящий момент, τ, необходимый через сцепление, чтобы открыть его, преодолевая статическое трение был больше, чем кинетическое трение в момент открытия, когда ω = 0.
Предел статического трения определяет симметричные пределы крутящего момента статического трения как:
Диапазон [startS-, startS +] используется муфтой основного трения.
Муфта входит в зацепление (передает крутящий момент), когда конические фрикционные поверхности подвержены положительной нормальной силе и создают кинетическое трение FN > 0 и theK > 0.
Муфта блокируется тогда и только тогда, когда она находится в зацеплении, и проскальзывание меньше допуска скорости: | λ | < startTol.
Мощность, рассеиваемая муфтой, составляет | start·· K |. Муфта рассеивает мощность только в том случае, если она является как скользящей (λ ≠ 0), так и прикладывающей кинетическое трение (startK > 0).
Можно смоделировать эффекты изменения скорости вращения, выбрав модель, зависящую от скорости. Чтобы выбрать модель, зависящую от скорости, в настройках трения задайте для параметра Модель трения (Friction model) значение Velocity-dependent kinetic friction coefficient. Сведения о модели трения, которая зависит как от скорости, так и от температуры, см. в разделе Тепловая модель, зависящая от скорости.
Для модели, зависящей от скорости, эти связанные параметры становятся видимыми в настройках трения:
Вектор относительной скорости
Вектор коэффициента кинетического трения
Метод интерполяции коэффициента трения
Метод экстраполяции коэффициента трения
Можно моделировать эффекты теплового потока и изменения температуры, выбирая модель, зависящую от температуры. Чтобы выбрать модель, зависящую от температуры, в настройках трения задайте для параметра Модель трения (Friction model) значение Temperature-dependent friction coefficients. Сведения о модели трения, которая зависит как от скорости, так и от температуры, см. в разделе Тепловая модель, зависящая от скорости.
Для модели, зависящей от температуры, виден тепловой порт H и следующие настройки:
В настройках трения:
Температурный вектор
Вектор коэффициента статического трения
Вектор коэффициента кинетического трения
Метод интерполяции коэффициента трения
Метод экстраполяции коэффициента трения
В настройках теплового порта:
Тепловая масса
Начальная температура
Можно моделировать эффекты изменения скорости вращения и теплового потока, выбирая модель, зависящую от скорости и температуры. Чтобы выбрать модель, которая зависит как от скорости, так и от температуры, в настройках трения задайте для параметра Модель трения (Friction model) значение Temperature and velocity-dependent friction coefficients.
Для модели, зависящей от скорости и температуры, становится видимым тепловой порт H и следующие настройки и параметры:
В настройках трения:
Вектор относительной скорости
Температурный вектор
Вектор коэффициента статического трения
Матрица коэффициента кинетического трения
Метод интерполяции коэффициента трения
Метод экстраполяции коэффициента трения
В настройках теплового порта:
Тепловая масса
Начальная температура
Вы можете включить ошибочное поведение в ответ на:
Время моделирования - сбой происходит в указанное время.
Поведение моделирования - сбой происходит в ответ на внешний триггер. При этом открывается порт T.
Можно выбрать один или оба этих параметра настройки для сбоя блока. Если срабатывает неисправность, муфта реагирует в соответствии с настройкой «Поведение при неисправности» на оставшуюся часть моделирования. Варианты отказа:
Cannot transmit power
Cannot unlock
В Simulink Diagnostic Viewer с параметром Reporting when fault (Отчеты о возникновении отказа) можно настроить блок для выдачи отчета о неисправности в виде предупреждения или сообщения об ошибке.
Собачья кладка | Двусторонний синхронизатор | Сцепление с основным трением | Муфта с логическим управлением | Синхронизатор | Однонаправленное сцепление