Четырехквадрантный прерыватель постоянного тока с приводом от контроллера
Simscape/Электрические/Полупроводники и преобразователи/Преобразователи

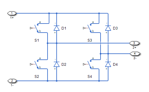
Четырехквадрантный блок прерывателя представляет четырехквадрантный управляемый прерыватель для преобразования фиксированного входа постоянного тока в переменный выход постоянного тока. Блок содержит два плеча моста. Каждое плечо моста имеет по два переключающих устройства. Варианты типа коммутационных устройств:
GTO - тиристор отключения затвора. Для получения информации о характеристике I-V устройства см. GTO.
Идеальный полупроводниковый переключатель - информацию о характеристиках I-V устройства см. в разделе Идеальный полупроводниковый переключатель.
IGBT - биполярный транзистор с изолированным затвором. Для получения информации о характеристике I-V устройства см. IGBT (Ideal, Switching).
МОП - N-канальный металл-оксидно-полупроводниковый полевой транзистор. Для получения информации о характеристике I-V устройства см. MOSFET (Ideal, Switching).
Тиристор - сведения о характеристике I-V устройства см. в разделе Тиристор (кусочно-линейный).
Усредненный коммутатор.
На рисунках показана эквивалентная схема и работа блока.


Блок содержит встроенный защитный диод для каждого переключающего устройства. Интегральный диод защищает полупроводниковый прибор, обеспечивая путь проводимости для обратного тока. Индуктивная нагрузка может создавать высокий скачок обратного напряжения, когда полупроводниковый прибор внезапно отключает подачу напряжения на нагрузку.
Для конфигурирования блока внутреннего защитного диода используйте параметры Diode. В этой таблице показано, как задать параметр Динамика модели (Model dynamics) на основе целей.
Для каждого переключающего устройства можно также включить схему привязки. Цепи сруббера содержат последовательно соединенные резистор и конденсатор. Они защищают переключающие устройства от высокого напряжения, которое создают индуктивные нагрузки, когда устройство отключает подачу напряжения на нагрузку. Схемы Snubber также предотвращают чрезмерные скорости изменения тока при включении переключающего устройства.
Для включения и конфигурирования схемы snubber для каждого коммутационного устройства используйте параметры Snubbers.
Для подключения сигналов управляющего напряжения затвора Simulink ® к портам затвора внутренних коммутационных устройств:
Преобразуйте каждый сигнал напряжения с помощью блока преобразователя Simulink-PS.
Мультиплексирование преобразованных вентильных сигналов в один вектор с использованием блока четырехимпульсного вентильного мультиплексора.
Подключите векторный сигнал к порту G.
[1] Тжинадловски, А. М. Введение в современную силовую электронику, 2-е издание. Хобокен, Нью-Джерси: John Wiley & Sons Inc., 2010.
Прерыватель средней стоимости | Четырехимпульсный вентильный мультиплексор | Одноквадрантный рубильник | Двухквадрантный прерыватель