Одноквадрантный прерыватель с управлением от контроллера
Simscape/Электрические/Полупроводники и преобразователи/Преобразователи

Одноквадрантный блок прерывателя представляет одноквадрантный управляемый прерыватель для преобразования фиксированного входа постоянного тока в переменный выход постоянного тока.
Топология цепи и квадрант зависят от указанного класса прерывателя.

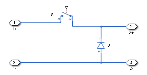
Рубильник первого квадранта или класса А содержит выключатель питания и диод.

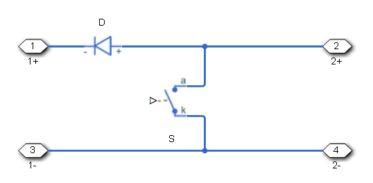
Второй квадрант или прерыватель класса B также содержит выключатель питания и диод.

Для любой топологии коммутатор S может быть полностью управляемым коммутационным устройством (например, IGBT или GTO) или частично управляемым коммутационным устройством (например, тиристором).
Опции для типа коммутационного устройства:
GTO - тиристор отключения затвора. Для получения информации о характеристике I-V устройства см. GTO.
Идеальный полупроводниковый переключатель - информацию о характеристиках I-V устройства см. в разделе Идеальный полупроводниковый переключатель.
IGBT - биполярный транзистор с изолированным затвором. Для получения информации о характеристике I-V устройства см. IGBT (Ideal, Switching).
МОП - N-канальный металл-оксидно-полупроводниковый полевой транзистор. Для получения информации о характеристике I-V устройства см. MOSFET (Ideal, Switching).
Тиристор - сведения о характеристике I-V устройства см. в разделе Тиристор (кусочно-линейный).
Усредненный коммутатор.
Существует два варианта модели для блока. Чтобы получить доступ к вариантам модели, в окне модели щелкните правой кнопкой мыши блок. В контекстном меню выберите «Simscape» > «Block choices».
Варианты модели:
Порт управления PS - прерыватель с портом физического сигнала. Этот вариант блока используется по умолчанию.
Электрические порты управления - Chopper с одним положительным и одним отрицательным электрическим консервационным портом. Для управления затворами коммутационного устройства с помощью блоков Simscape™ Electrical™ выберите эту опцию.
Индуктивная нагрузка может создавать высокий скачок обратного напряжения, когда полупроводниковый прибор внезапно отключает подачу напряжения на нагрузку. Для защиты полупроводникового прибора интегральный защитный диод обеспечивает путь проводимости для обратного тока.
Для включения и конфигурирования блока внутренних защитных диодов для S-коммутационного устройства используйте параметры Diode. В этой таблице показано, как задать параметр Динамика модели (Model dynamics) на основе целей.
Для каждого переключающего устройства можно также включить схему привязки. Цепи сруббера содержат последовательно соединенные резистор и конденсатор. Они защищают переключающие устройства от высокого напряжения, которое создают индуктивные нагрузки, когда устройство отключает подачу напряжения на нагрузку. Схемы Snubber также предотвращают чрезмерные скорости изменения тока при включении переключающего устройства.
Для включения и конфигурирования схемы snubber для каждого коммутационного устройства используйте параметры Snubbers.
Сигналы напряжения управления затвором можно подключать к портам затвора коммутационных устройств.
Для модели порта управления PS:
Преобразование сигнала управляющего напряжения затвора Simulink ® в физический сигнал с помощью блока преобразователя Simulink-PS.
Подключите блок преобразователя Simulink-PS к порту G.
Для модели электрических портов управления:
Подключите сигнал электрического напряжения постоянного тока Simscape к порту G +.
Подключите электрический отрицательный сигнал постоянного напряжения Simscape к порту G-.
[1] Тжинадловски, А. М. Введение в современную силовую электронику. 2-й ред. Хобокен, Нью-Джерси: John Wiley & Sons Inc., 2010.