Двухквадрантный управляемый прерыватель постоянного тока
Simscape/Электрические/Полупроводники и преобразователи/Преобразователи

Блок двухквадрантного прерывателя представляет двухквадрантный управляемый прерыватель для преобразования фиксированного входа постоянного тока в переменный выход постоянного тока. Блок содержит два переключающих устройства. Варианты типа коммутационных устройств:
GTO - тиристор отключения затвора. Для получения информации о характеристике I-V устройства см. GTO.
Идеальный полупроводниковый переключатель - информацию о характеристиках I-V устройства см. в разделе Идеальный полупроводниковый переключатель.
IGBT - биполярный транзистор с изолированным затвором. Для получения информации о характеристике I-V устройства см. IGBT (Ideal, Switching).
МОП - N-канальный металл-оксидно-полупроводниковый полевой транзистор. Для получения информации о характеристике I-V устройства см. MOSFET (Ideal, Switching).
Тиристор - сведения о характеристике I-V устройства см. в разделе Тиристор (кусочно-линейный).
Усредненный коммутатор.
Существует два варианта модели для блока. Чтобы получить доступ к вариантам модели, в окне модели щелкните правой кнопкой мыши блок. В контекстном меню выберите «Simscape» > «Block choices».
Варианты модели:
Измельчитель первого и второго квадрантов. Этот вариант блока используется по умолчанию. На рисунках показана эквивалентная схема и операция для модели первого и второго квадранта.


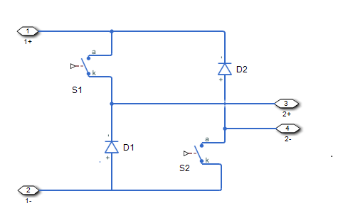
Рубильник первый и четвертый квадрант. На рисунках показана эквивалентная схема и операция для модели первого и четвертого квадранта.


Блок содержит встроенный защитный диод для каждого переключающего устройства. Интегральный диод защищает полупроводниковый прибор, обеспечивая путь проводимости для обратного тока. Индуктивная нагрузка может создавать высокий скачок обратного напряжения, когда полупроводниковый прибор внезапно отключает подачу напряжения на нагрузку.
Для конфигурирования блока внутреннего защитного диода используйте параметры Diode. В этой таблице показано, как задать параметр Динамика модели (Model dynamics) на основе целей.
Для каждого переключающего устройства можно также включить схему привязки. Цепи сруббера содержат последовательно соединенные резистор и конденсатор. Они защищают переключающие устройства от высокого напряжения, которое создают индуктивные нагрузки, когда устройство отключает подачу напряжения на нагрузку. Схемы Snubber также предотвращают чрезмерные скорости изменения тока при включении переключающего устройства.
Для включения и конфигурирования схемы snubber для каждого коммутационного устройства используйте параметры Snubbers.
Для подключения сигналов управляющего напряжения затвора Simulink ® к портам затвора внутренних коммутационных устройств:
Преобразуйте каждый сигнал напряжения с помощью блока преобразователя Simulink-PS.
Мультиплексирование преобразованных вентильных сигналов в один вектор с использованием блока двухимпульсного вентильного мультиплексора.
Подключите векторный сигнал к порту G.
[1] Тжинадловски, А. М. Введение в современную силовую электронику, 2-е издание. Хобокен, Нью-Джерси: John Wiley & Sons Inc., 2010.
Прерыватель средней стоимости | Четырехквадрантный рубильник | Одноквадрантный рубильник | Двухимпульсный вентильный мультиплексор