Функции чувствительности контура обратной связи установки-контроллера
вычисляет многовариантную чувствительность, дополнительную чувствительность и функции передачи с разомкнутым контуром системы с замкнутым контуром, состоящей из контроллера loops = loopsens(P,C)C в отрицательной обратной связи с заводом P. Чтобы вычислить функции чувствительности для системы с положительной обратной связью, используйте loopsens(P,-C).
Рассмотрим PI-контроллер для установки с главным образом первого порядка, с полосой пропускания по замкнутому контуру 2,5 рад/сек. Поскольку проблема заключается в SISO, все коэффициенты усиления одинаковы на входе и выходе.
gamma = 2; tau = 1.5; taufast = 0.1; P = tf(gamma,[tau 1])*tf(1,[taufast 1]); tauclp = 0.4; xiclp = 0.8; wnclp = 1/(tauclp*xiclp); KP = (2*xiclp*wnclp*tau - 1)/gamma; KI = wnclp^2*tau/gamma; C = tf([KP KI],[1 0]);
Сформировать системы замкнутого контура (и разомкнутого контура) с помощью loopsensи построить графики Боде функций чувствительности на входе установки.
loops = loopsens(P,C); bode(loops.Si,'r',loops.Ti,'b',loops.Li,'g') legend('Sensitivity','Complementary Sensitivity','Loop Transfer')

Наконец, сравните коэффициент усиления установки с разомкнутым контуром со значением PSi.
bodemag(P,'r',loops.PSi,'b') legend('Plant','Sensitivity*Plant')

Рассмотрим интегральный контроллер для установки с постоянным коэффициентом усиления, с 2 входами и 2 выходами. В целях иллюстрации контроллер сконструирован посредством инверсии с различными полосами пропускания в каждом повернутом канале.
P = ss([2 3;-1 1]); BW = diag([2 5]); [U,S,V] = svd(P.d); % get SVD of Plant Gain Csvd = V*inv(S)*BW*tf(1,[1 0])*U'; % inversion based on SVD loops = loopsens(P,Csvd); bode(loops.So,'g',loops.To,'r',logspace(-1,3,120)) title('Output Sensitivity (green), Output Complementary Sensitivity (red)');

P - ЗаводУстановка, заданная как динамическая модель системы, блок проектирования управления или статическая матрица усиления. P может быть SISO или MIMO, если P*C имеет одинаковое количество входов и выходов.
P может быть непрерывным временем или дискретным временем. Если P является обобщенной моделью (например, genss или uss) затем loopsens использует текущее или номинальное значение всех блоков проекта управления в P.
C - КонтроллерКонтроллер, заданный как динамическая модель системы, блок управления или статическая матрица усиления. Контроллер может быть любого типа модели, который P может быть, до тех пор, пока P*C имеет одинаковое количество входов и выходов. loopsens вычисляет функции чувствительности, предполагая замкнутую систему с отрицательной обратной связью. Чтобы вычислить функции чувствительности для системы с положительной обратной связью, используйте loopsens(P,-C).
loopsens команда предполагает архитектуру управления с одной степенью свободы. Если имеется архитектура с двумя степенями свободы, создайте C для включения в тракт обратной связи только компенсатора, а не каких-либо опорных каналов.
loops - Функции чувствительностиФункции чувствительности контура обратной связи feedback(P,C), возвращается в структуре, имеющей поля, показанные в таблице ниже. Функции чувствительности возвращаются в виде состояния-пространства (ss) модели тех же размеров ввода/вывода, что и C*P. Если P или C является моделью данных с частотным откликом, тогда функции чувствительности frd модели.
Область | Описание |
|---|---|
Si | Функция чувствительности «вход-установка». |
Ti | Функция дополнительной чувствительности «вход-установка». |
Li | Функция передачи контура «вход-установка». |
So | Функция чувствительности вывода на завод. |
To | Функция дополнительной чувствительности «выход-установка». |
Lo | Функция передачи шлейфа с вывода на завод. |
PSi | Функция чувствительности ввода-вывода на завод. |
CSo | Функция чувствительности выходного сигнала компенсатора. |
Poles | Полюса замкнутого контура |
Stable | 1, если номинальный замкнутый контур стабилен, в противном случае 0. Если либо |
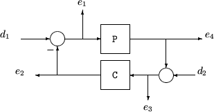
Структура межсоединения с замкнутым контуром, показанная ниже, определяет чувствительность ввода/вывода, дополнительную чувствительность и функции передачи контура. Структура включает в себя многовариантные системы, в которых P и C являются системами MIMO.

В следующей таблице приведены значения функций чувствительности ввода и вывода для этой структуры управления.
Описание | Уравнение |
|---|---|
Входная чувствительность Si (функция передачи с обратной связью от d1 к e1) | Si = (I + CP) -1 |
Входная дополнительная чувствительность Ti (функция передачи с обратной связью от d1 к e2) | Ti = CP (I + CP) -1 |
Чувствительность выхода So (функция передачи с обратной связью от d2 к e2) | Так = (I + PC) -1 |
Выходная дополнительная чувствительность К (функция передачи с обратной связью от d2 к e4) | To = PC (I + PC) -1 |
Функция передачи входного контура Li | Li = CP |
Функция Lo передачи выходного контура | Lo = ПК |
diskmargin | robstab | wcdiskmargin | wcgain
Имеется измененная версия этого примера. Открыть этот пример с помощью изменений?
1. Если смысл перевода понятен, то лучше оставьте как есть и не придирайтесь к словам, синонимам и тому подобному. О вкусах не спорим.
2. Не дополняйте перевод комментариями “от себя”. В исправлении не должно появляться дополнительных смыслов и комментариев, отсутствующих в оригинале. Такие правки не получится интегрировать в алгоритме автоматического перевода.
3. Сохраняйте структуру оригинального текста - например, не разбивайте одно предложение на два.
4. Не имеет смысла однотипное исправление перевода какого-то термина во всех предложениях. Исправляйте только в одном месте. Когда Вашу правку одобрят, это исправление будет алгоритмически распространено и на другие части документации.
5. По иным вопросам, например если надо исправить заблокированное для перевода слово, обратитесь к редакторам через форму технической поддержки.