Среднее значение Напряжение постоянного тока трехфазный преобразователь напряжения переменного тока с фиксированной потерей мощности
Simscape/Электрические/Полупроводники и преобразователи/Преобразователи

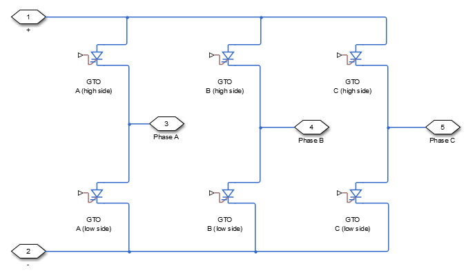
Блок трехфазного инвертора среднего значения (Average-Value Inverter) моделирует полноволновый инвертор среднего значения. Он преобразует напряжение постоянного тока в трехфазное напряжение переменного тока и преобразует трехфазное напряжение переменного тока в напряжение постоянного тока. Соответствующая потребность в мощности постоянного тока равна сумме постоянной потери мощности и потребности в мощности переменного тока.
Блок инвертора среднего значения (трехфазный) можно использовать только в качестве полноволнового инвертора. Он ведет себя как источник переменного напряжения, управляемый напряжением постоянного тока. Указанное отношение определяет отношение между напряжением постоянного тока и напряжением переменного тока.
На рисунке показана эквивалентная схема для инвертора как полуволнового инвертора. Блок инвертора среднего значения (трехфазный) не дает гармоник, которые обычно связаны с подробным представлением, однако, поскольку он выполняет преобразование мощности среднего значения.

Напряжения определяются
vn,
vn2,
vratiovDC,
+ vref,
vref,
и
vref,
где:
vp и vn - напряжения на положительной и отрицательной клеммах инвертора.
vDC - разность напряжений между положительным и отрицательным выводами инвертора.
vref - смещение постоянного тока.
Vratio - отношение номинального напряжения переменного тока к номинальному напряжению постоянного тока для инвертора. См. раздел Отношение номинального напряжения переменного тока к номинальному напряжению постоянного тока в разделе Параметры для значений Vratio для общих режимов управления инвертором.
VRMS - напряжение линии переменного тока RMS.
V0 - пиковое фазовое напряжение.
f - частота.
t - время.
λ - фазовый сдвиг.
va, vb, vc - соответствующие фазные напряжения переменного тока.
Мощность, сопротивление и токи определяются
− vcic,
Pfixed,
и
vDCRDC,
где:
ia, ib и ic - соответствующие фазные токи переменного тока, протекающие в инвертор.
PAC - выходная мощность на стороне переменного тока. PAC имеет минимальный предел в 0 W.
Pfixed - фиксированная потеря мощности, указанная в блоке.
RDC - сопротивление на стороне DC.
i - ток, протекающий от положительных к отрицательным выводам инвертора.
Инвертор начинает создавать напряжение переменного тока, которое включается, когда напряжение питания постоянного тока превышает значение, указанное для параметра включения напряжения постоянного тока. Она прекращает инвертирование, то есть отключается, когда напряжение питания постоянного тока падает ниже значения, заданного для параметра отключения напряжения постоянного тока. Когда инвертор выключается, блок устанавливает выходной переменный ток в нуль.
[1] Rashid, M.H. Инверторы широтно-импульсной модуляции. Река Верхнее Седло, Нью-Джерси: Прентис-Холл, 2004, с. 237-248.
[2] Краузе, П. К., О. Васынчук и С. Д. Судхофф. Анализ электрических машин и приводных систем. Piscataway, NJ: IEEE Press, 2002.
[3] Чон, Д. В., Дж. С. Ким и С. К. Куль. «Унифицированный метод модуляции напряжения для трехфазного преобразования мощности в реальном времени». Транзакции IEEE для отраслевых приложений. Том 34, № 2, 1998, стр. 374-380.
[4] Хава, А. М., Р. Дж. Керкман и Т. А. Липо. «Простые аналитические и графические методы для несущих дисков PWM-VSI». Транзакции IEEE по силовой электронике. Том 14, 1999, № 1, стр. 49-61.
Прерыватель средней стоимости | Преобразователь среднего значения DC-DC | Выпрямитель среднего значения (трехфазный) | Двунаправленный преобразователь постоянного тока | Повышающий преобразователь | Конвертер баков | Конвертер Buck-Boost | Преобразователь (трехфазный) | Выпрямитель (трехфазный) | Трехуровневый преобразователь (трехфазный)