Инвертирующий регулятор постоянного тока с управлением контроллера или четырехконтурный повышающий или понижающий регулятор напряжения
Simscape/Электрические/Полупроводники и преобразователи/Преобразователи

Блок Buck-Boost Converter представляет преобразователь DC-DC, который может либо повышать, либо понижать напряжение DC с одной стороны преобразователя на другую, управляемое подключенным контроллером и генератором сигнала затвора. Бак-повышающие преобразователи также известны как повышающие/понижающие регуляторы напряжения, поскольку они могут увеличивать или уменьшать величину напряжения.
Блок может также инвертировать напряжение так, чтобы полярность выходного напряжения была противоположной полярности входного напряжения. Величина выходного напряжения зависит от рабочего цикла.
Блок Buck-Boost Converter позволяет моделировать инвертирующий преобразователь buck-boost с одним переключающим устройством или преобразователь buck-boost с четырьмя переключающими устройствами. Варианты типа коммутационных устройств:
GTO - тиристор отключения затвора. Для получения информации о характеристике I-V устройства см. GTO.
Идеальный полупроводниковый переключатель - информацию о характеристиках I-V устройства см. в разделе Идеальный полупроводниковый переключатель.
IGBT - биполярный транзистор с изолированным затвором. Для получения информации о характеристике I-V устройства см. IGBT (Ideal, Switching).
МОП - N-канальный металл-оксидно-полупроводниковый полевой транзистор. Для получения информации о характеристике I-V устройства см. MOSFET (Ideal, Switching).
Тиристор - сведения о характеристике I-V устройства см. в разделе Тиристор (кусочно-линейный).
Усредненный коммутатор.
Существует три варианта модели для блока. Чтобы получить доступ к вариантам модели, в окне модели щелкните правой кнопкой мыши блок. В контекстном меню выберите «Simscape» > «Block choices».
Варианты модели:
Порт управления PS - инвертирующий преобразователь buck-boost с портом физического сигнала. Этот вариант блока используется по умолчанию.
Электрические управляющие порты - инвертирующий бак-повышающий преобразователь с одним положительным и одним отрицательным электрическими консервационными портами. Для управления затворами коммутационного устройства с помощью блоков Simscape™ Electrical™ выберите эту опцию.
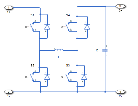
Четырехконтурный преобразователь - Четырехконтактный бак-бустерный преобразователь с электрическим консервационным портом.
Модели инвертирующих преобразователей содержат переключающее устройство, диод, индуктор и выходной конденсатор.

Четырехконтурная преобразовательная модель содержит четыре переключающих устройства, индуктор и выходной конденсатор.

В каждом случае конденсатор сглаживает выходное напряжение.
Для каждого переключающего устройства можно включить схему snubber. Цепи сруббера содержат последовательно соединенные резистор и конденсатор. Они защищают переключающие устройства от высокого напряжения, которое создают индуктивные нагрузки, когда устройство отключает подачу напряжения на нагрузку. Схемы Snubber также предотвращают чрезмерные скорости изменения тока при включении переключающего устройства.
Для включения и конфигурирования схемы snubber для каждого коммутационного устройства используйте параметры Snubbers.
Для подключения сигналов управляющего напряжения затвора к портам затвора коммутационных устройств:
Модель порта управления PS:
Преобразование сигнала управляющего напряжения затвора Simulink ® в физический сигнал с помощью блока преобразователя Simulink-PS.
Подключите блок преобразователя Simulink-PS к порту G.
Модель электрических портов управления:
Подключите сигнал электрического напряжения постоянного тока Simscape к порту G +.
Подключите электрический отрицательный сигнал постоянного напряжения Simscape к порту G-.
Модель синхронного преобразователя:
Преобразуйте каждый сигнал управляющего напряжения затвора Simulink в физический сигнал с помощью блоков преобразователя Simulink-PS.
Мультиплексирование преобразованных сигналов управления затвором в один вектор с использованием четырехимпульсного мультиплексора затвора
Подключите векторный сигнал к порту G.
Параметры «Переменные» используются для задания приоритетов и начальных целевых значений для переменных блока перед моделированием. Дополнительные сведения см. в разделе Установка приоритета и начальной цели для переменных блока.
Только преобразователь со усредненным переключением, управляемый ШИМ, захватывает как режим непрерывной проводимости (CCM), так и режим прерывистой проводимости (DCM). Преобразователь усредненного переключателя, управляемый рабочим циклом, захватывает только CCM.
[1] Тжинадловски, А. М. Введение в современную силовую электронику, 2-е издание. Хобокен, Нью-Джерси: John Wiley & Sons Inc., 2010.
[2] Сяоюн, Р., З. Тан, X. Жуань, Дж. Вэй и Г. Хуа. Четыре коммутатора Buck-Boost Converter для телекоммуникационных систем постоянного тока. Двадцать третья ежегодная конференция и выставка IEEE Applied Power Electronics. Остин, Техас: 2008, стр. 1527-1530.
Преобразователь среднего значения DC-DC | Двунаправленный преобразователь постоянного тока | Повышающий преобразователь | Конвертер баков | Конвертер | GTO | Идеальный полупроводниковый коммутатор | IGBT (идеальное переключение) | MOSFET (идеальное переключение) | Генератор ШИМ | Генератор ШИМ (трехфазный, двухуровневый) | Шестиимпульсный вентильный мультиплексор | Трехуровневый преобразователь (трехфазный) | Тиристор (кусочно-линейный)