Регулятор повышающего напряжения постоянного тока с приводом от контроллера
Simscape/Электрические/Полупроводники и преобразователи/Преобразователи

Блок повышающего преобразователя представляет собой преобразователь, повышающий напряжение постоянного тока с помощью подключенного контроллера и генератора сигнала затвора. Повышающие преобразователи также известны как повышающие регуляторы напряжения, поскольку они увеличивают величину напряжения.
Блок Boost Converter позволяет моделировать асинхронный преобразователь с одним переключающим устройством или синхронный преобразователь с двумя переключающими устройствами. Варианты типа коммутационных устройств:
GTO - тиристор отключения затвора. Для получения информации о характеристике I-V устройства см. GTO.
Идеальный полупроводниковый переключатель - информацию о характеристиках I-V устройства см. в разделе Идеальный полупроводниковый переключатель.
IGBT - биполярный транзистор с изолированным затвором. Для получения информации о характеристике I-V устройства см. IGBT (Ideal, Switching).
МОП - N-канальный металл-оксидно-полупроводниковый полевой транзистор. Для получения информации о характеристике I-V устройства см. MOSFET (Ideal, Switching).
Тиристор - сведения о характеристике I-V устройства см. в разделе Тиристор (кусочно-линейный).
Усредненный коммутатор.
Существует три варианта модели для блока. Чтобы получить доступ к вариантам модели, в окне модели щелкните правой кнопкой мыши блок. В контекстном меню выберите «Simscape» > «Block choices».
Варианты модели:
Порт управления PS - асинхронный преобразователь с портом физического сигнала. Этот вариант блока используется по умолчанию.
Электрические порты управления - Асинхронный преобразователь с одним положительным и одним отрицательным электрическим консервационным портом. Для управления затворами коммутационного устройства с помощью блоков Simscape™ Electrical™ выберите эту опцию.
Синхронный преобразователь - Синхронный преобразователь с электрическим консервационным портом.
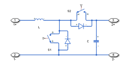
Модели асинхронного повышающего преобразователя содержат индуктор, переключающее устройство, диод и выходной конденсатор.

Модель синхронного повышающего преобразователя содержит индуктор, два переключающих устройства и выходной конденсатор.

В каждом случае конденсатор сглаживает выходное напряжение.
Для модели синхронного преобразователя можно использовать интегральные диоды защиты. Интегральные диоды защищают полупроводниковый прибор, обеспечивая путь проводимости для обратного тока. Индуктивная нагрузка может создавать высокий скачок обратного напряжения, когда полупроводниковый прибор внезапно отключает подачу напряжения на нагрузку.
Для включения и конфигурирования диодов внутренней защиты используйте параметры Diode. В этой таблице показано, как задать параметр Динамика модели (Model dynamics) на основе целей.
Для каждого переключающего устройства можно также включить схему привязки. Цепи сруббера содержат последовательно соединенные резистор и конденсатор. Они защищают переключающие устройства от высокого напряжения, которое создают индуктивные нагрузки, когда устройство отключает подачу напряжения на нагрузку. Схемы Snubber также предотвращают чрезмерные скорости изменения тока при включении переключающего устройства.
Для включения и конфигурирования схемы snubber для каждого коммутационного устройства используйте параметры Snubbers.
Для подключения сигналов управляющего напряжения затвора к портам затвора коммутационных устройств:
Модель порта управления PS:
Преобразование сигнала управляющего напряжения затвора Simulink ® в физический сигнал с помощью блока преобразователя Simulink-PS.
Подключите блок преобразователя Simulink-PS к порту G.
Модель электрических портов управления:
Подключите сигнал электрического напряжения постоянного тока Simscape к порту G +.
Подключите электрический отрицательный сигнал постоянного напряжения Simscape к порту G-.
Модель синхронного преобразователя:
Преобразуйте каждый сигнал управляющего напряжения затвора Simulink в физический сигнал с помощью блоков преобразователя Simulink-PS.
Мультиплексирование преобразованных сигналов управления затвором в один вектор с использованием двухимпульсного мультиплексора затвора.
Подключите векторный сигнал к порту G.
Параметры «Переменные» используются для задания приоритетов и начальных целевых значений для переменных блока перед моделированием. Дополнительные сведения см. в разделе Установка приоритета и начальной цели для переменных блока.
Только преобразователь со усредненным переключением, управляемый ШИМ, захватывает как режим непрерывной проводимости (CCM), так и режим прерывистой проводимости (DCM). Преобразователь усредненного переключателя, управляемый рабочим циклом, захватывает только CCM.
[1] Тжинадловски, А. М. Введение в современную силовую электронику, 2-е издание. Хобокен, Нью-Джерси: John Wiley & Sons Inc., 2010.
[2] Хан, Д. и Б. Сарлиоглу, «Влияние Deadtime на синхронный повышающий преобразователь на основе GaN и аналитическая модель для оптимального выбора Deadtime». Транзакции IEEE на Power Electronics.Vol. 31, номер 1, 2016, стр. 601-612.
Преобразователь среднего значения DC-DC | Двунаправленный преобразователь постоянного тока | Конвертер баков | Конвертер Buck-Boost | Преобразователь (трехфазный) | GTO | Идеальный полупроводниковый коммутатор | IGBT (идеальный, коммутационный) | MOSFET (идеальный вариант, переключение) | Генератор ШИМ | Генератор ШИМ (трехфазный, двухуровневый) | Шестиимпульсный вентильный мультиплексор | Трехуровневый преобразователь (трехфазный) | Тиристор (кусочно-линейный)