Это справочное приложение представляет полную модель динамики транспортного средства, подвергающуюся медленно увеличивающемуся маневру рулевого управления в соответствии со стандартом SAE J2664. Можно создать собственные версии, создав структуру для проверки соответствия транспортного средства требованиям к конструкции при нормальных и экстремальных условиях вождения. Используйте справочное приложение для анализа движения транспортного средства и управления им, а также для разработки элементов управления шасси. Для характеристики динамики рулевого управления и бокового движения транспортного средства используйте данное справочное приложение.
На основе постоянной скорости, испытания на регулируемое рулевое управление, определенного в SAE J2664, медленно увеличивающийся маневр рулевого управления помогает охарактеризовать боковую динамику транспортного средства. В ходе испытания водитель:
Ускоряется до тех пор, пока транспортное средство не достигнет целевой скорости.
Поддерживает целевую скорость.
Линейно увеличивает угол руля от 0 градусов до максимального угла.
Сохраняет угол поворота рулевого колеса в течение заданного времени.
Линейно уменьшает угол руля с максимального угла до 0 градусов.
Для тестирования расширенных систем помощи водителю (ADAS) и автоматизированного программного обеспечения для восприятия, планирования и управления вождением можно запустить маневр в 3D среде. Требования к платформе модуля визуализации 3D и рекомендации по аппаратному обеспечению см. в разделе Требования и ограничения модуля визуализации 3D.
Для создания и открытия рабочей копии проекта увеличивающегося ссылочного приложения рулевого управления введите
В этой таблице представлены блоки и подсистемы эталонного приложения. Некоторые подсистемы содержат варианты.
| Ссылочный элемент приложения | Описание | Варианты |
|---|---|---|
Медленно увеличивающийся блок Steer | Генерирует команды управления, ускорения и торможения. | |
Команды драйвера | Реализует модель водителя, используемую эталонным приложением для генерации команд ускорения, торможения, передачи и рулевого управления. По умолчанию вариантом подсистемы команд драйвера является блок прогнозирующего драйвера. | ✓ |
Окружающая среда | Реализует ветровые и дорожные силы. | ✓ |
Контроллеры | Реализует контроллеры для блоков управления двигателем (ЭКУ), трансмиссий, антиблокировочных тормозных систем (АБС) и активных дифференциалов. | ✓ |
Пассажирское транспортное средство | Реализует:
| ✓ |
Визуализация | Обеспечивает траекторию движения транспортного средства, реакцию водителя и визуализацию 3D | ✓ |
Чтобы переопределить вариант по умолчанию, на вкладке Моделирование (Modeling) в разделе Проект (Design) щелкните раскрывающийся список. В разделе «Общие» выберите «Диспетчер исполнения». В Диспетчере вариантов перейдите к варианту, который требуется использовать. Щелкните правой кнопкой мыши и выберите Переопределить с помощью этого варианта.
Используйте блок «Медленно увеличивающееся рулевое управление» для создания команд рулевого управления, ускорения и торможения для медленно увеличивающегося маневра рулевого управления.
Уставка продольной скорости - уставка целевой скорости
Скорость маховика - линейная скорость для увеличения угла поворота рулевого колеса
Максимальный угол маховика - Максимальный угол руля
Блок команд водителя реализует модель водителя, используемую эталонным приложением для генерации команд ускорения, торможения, передачи и рулевого управления. По умолчанию, если выбран параметр блока Генератор привязок (Reference Generator) Использовать специфичный для маневра драйвер, исходное положение и сцену, приложение привязки выбирает драйвер для указанного маневра.
Настройка режима команд транспортного средства | Внедрение |
|---|---|
| Продольный блок привода - регулятор продольной скорости. На основе опорных скоростей и скоростей обратной связи блок генерирует нормализованные команды ускорения и торможения, которые могут изменяться от 0 до 1. Используйте блок для моделирования динамической реакции драйвера или для генерации команд, необходимых для отслеживания цикла продольного привода. |
| Прогнозирующий блок машиниста - контроллер, который генерирует нормализованные команды рулевого управления, ускорения и торможения для отслеживания продольной скорости и бокового опорного смещения. Нормализованные команды могут варьироваться от -1 до 1. Контроллер использует одноколейную (велосипедную) модель для оптимального одноточечного предварительного просмотра. |
| Система с разомкнутым контуром позволяет настроить эталонное приложение для ввода команд управления, ускорения, торможения и передачи на постоянной или сигнальной основе. |
Подсистема «Окружающая среда» генерирует ветровые и наземные силы. Ссылочное приложение имеет эти варианты среды.
| Окружающая среда | Вариант | Описание |
|---|---|---|
Обратная связь с землей |
| Использование блока датчика рельефа транспортного средства для отслеживания лучей в 3D среде |
| Реализует постоянное значение трения |
Подсистема контроллеров генерирует команды крутящего момента двигателя, трансмиссии, тормозного давления и дифференциального давления.
Контроллер ECU генерирует команду крутящего момента двигателя. Контроллер предотвращает перегрузку двигателя, ограничивая команду крутящего момента двигателя значением, указанным переменной рабочего пространства модели. EngRevLim. По умолчанию значение равно 7000 об/мин. Если команда дифференциального крутящего момента превышает команду ограниченного крутящего момента двигателя, ЭБУ устанавливает команду крутящего момента двигателя на заданный дифференциальный крутящий момент.
Подсистема контроллера передачи генерирует команду передачи. Контроллер включает в себя эти варианты.
| Вариант | Описание |
|---|---|
| Реализует модуль управления трансмиссией (TCM), использующий логику Stateflow ® для генерации команды передачи на основе ускорения транспортного средства, скорости вращения колес и частоты вращения двигателя. |
| Управление передачей по разомкнутому контуру. Контроллер устанавливает команду на передачу в соответствии с запросом на передачу. |
| Реализует модуль управления трансмиссией (TCM), который использует логику Stateflow для генерации команды передачи на основе ускорения транспортного средства, команды торможения, частоты вращения колеса, частоты вращения двигателя и запроса передачи. |
| Реализует контроллер лопастей, использующий ускорение транспортного средства и частоту вращения двигателя для формирования команды передачи. |
Подсистема контроллера тормозов реализует подсистему управления тормозным давлением для формирования команды давления тормоза. Подсистема управления тормозным давлением имеет следующие варианты.
| Вариант | Описание |
|---|---|
| Реализует контроллер обратной связи антиблокировочной тормозной системы (ABS), который переключается между двумя состояниями для регулирования проскальзывания колес. Управление bang-bang минимизирует ошибку между фактическим проскальзыванием и желаемым проскальзыванием. Для требуемого проскальзывания контроллер использует значение проскальзывания, при котором кривая проскальзывания достигает пикового значения. Это желаемое значение проскальзывания является оптимальным для минимального тормозного пути. |
| Управление тормозами с разомкнутым контуром. Контроллер устанавливает для команды тормозного давления эталонное тормозное давление на основе команды тормоза. |
| Управление ABS в пяти состояниях при моделировании маневра.1,2,3 Контроллер ABS в пяти состояниях использует логическое переключение на основе замедления колеса и ускорения транспортного средства для управления тормозным давлением на каждом колесе. Для предотвращения блокировки колес, уменьшения тормозного пути или поддержания устойчивости к рысканию во время маневра рекомендуется использовать пятигосударственное управление ABS. Параметры ABS по умолчанию устанавливаются для работы на дорогах с коэффициентом постоянного трения, равным 0,6. |
Подсистема активного дифференциального управления генерирует команду дифференциального давления. Чтобы вычислить команду, подсистема имеет эти варианты.
| Вариант | Описание |
|---|---|
| Реализует контроллер, который генерирует команду дифференциального давления на основе:
|
| Не реализует контроллер. Устанавливает для команды дифференциального давления значение 0. |
Подсистема Passenger Vehicle содержит двигатель, контроллеры и кузов транспортного средства с четырьмя колесами. В частности, транспортное средство содержит эти подсистемы.
| Подсистема кузова, подвески, колес | Вариант | Описание |
|---|---|---|
PassVeh7DOF |
| Транспортное средство с четырьмя колесами:
|
PassVeh14DOF |
| Транспортное средство с четырьмя колесами.
|
| Подсистема двигателя | Вариант | Описание |
|---|---|---|
Сопоставленный механизм |
| Картированный двигатель искрового зажигания (SI) |
Регулирование, передача, карданная передача и подсистема тормозов | Вариант | Описание | |
|---|---|---|---|
Трансмиссия идеальная фиксированная передача | Модель трансмиссии | All Wheel Drive | Сконфигурируйте трансмиссию для полного, переднего, заднего или заднего активного дифференциального привода и укажите тип крутящей муфты. |
| |||
| |||
| |||
Передача |
| Реализует идеальную передачу с фиксированной передачей. | |
Гидравлика тормозов | НА | Реализует эвристическую реакцию гидравлической системы при применении контроллером команды торможения к цилиндру. Включает коэффициенты смещения переднего и заднего колес. Подсистема преобразует приложенное давление в положение катушки цилиндра. Для создания тормозного давления золотник подает поток вниз по потоку на цилиндры. | |
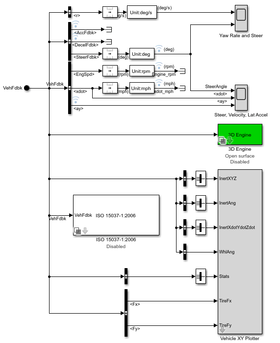
При выполнении моделирования подсистема визуализации предоставляет информацию о водителе, транспортном средстве и ответе. Эталонное приложение регистрирует сигналы транспортного средства во время маневра, включая рулевое управление, скорость транспортного средства и двигателя и боковое ускорение. Для импорта зарегистрированных сигналов и проверки данных можно использовать инспектор данных моделирования.

| Элемент | Описание |
|---|---|
Команды драйвера | Команды драйвера:
|
Реакция транспортного средства | Реакция транспортного средства:
|
Блок «Скорость рыскания и направление» | Скорость рыскания и угол поворота в зависимости от времени:
|
Блок управления, Velocity, Lat Accel Scope |
|
Плоттер XY транспортного средства | График продольного и бокового расстояния транспортного средства |
ISO 15037-1: 2006 блок | Отображение стандартных сигналов измерений ISO в инспекторе данных моделирования, включая угол и крутящий момент рулевого колеса, продольную и боковую скорость, а также угол бокового скольжения |
При необходимости можно включить или отключить среду визуализации 3D. Требования к платформе модуля визуализации 3D и рекомендации по аппаратному обеспечению см. в разделе Требования и ограничения модуля визуализации 3D. После открытия ссылочного приложения в подсистеме визуализации откройте блок 3D Engine. Установите эти параметры.
3D Обработчик в состояние Включено.
Сцена для одной из сцен, например Straight road.

Для позиционирования транспортного средства в месте происшествия:
Выберите метод инициализации позиции:
Рекомендуется для сцены - установка исходного положения транспортного средства на значения, рекомендуемые для сцены
User-specified - Установка собственного исходного положения транспортного средства
Щелкните Обновить рабочие пространства модели начальными значениями, чтобы заменить исходное положение транспортного средства в рабочих пространствах модели примененными значениями.
При запуске моделирования просмотрите ответ транспортного средства в AutoVrtlEnv окно.
Примечание
Чтобы открыть и закрыть AutoVrtlEnv используйте кнопки Simulink ® Run и Stop. При закрытии вручную AutoVrtlEnv Simulink останавливает моделирование с ошибкой.
Если включена среда визуализации 3D, нельзя вернуться к моделированию.
Для плавного изменения вида камеры используйте следующие ключевые команды.
| Ключ | Просмотр камеры | |
|---|---|---|
1 | Задняя левая |
|
2 | Назад | |
3 | Назад направо | |
4 | Левый | |
5 | Внутренний | |
6 | Правильно | |
7 | Спереди слева | |
8 | Фронт | |
9 | Спереди справа | |
0 | Наверху | |
Для дополнительных элементов управления камеры используйте следующие ключевые команды.
| Ключ | Управление камерой |
|---|---|
| Счет | Циклический просмотр между всеми транспортными средствами в сцене. |
Колесо прокрутки мыши | Управление расстоянием камеры от транспортного средства. |
L | Включение или отключение эффекта запаздывания камеры. При включении эффекта запаздывания вид камеры включает:
Это отставание позволяет улучшить визуализацию общего ускорения и вращения транспортного средства. |
| F | Включение или выключение режима свободной камеры. При включении режима свободной камеры можно с помощью мыши изменить шаг и рыскание камеры. Этот режим позволяет вращать камеру вокруг аппарата. |
[1] Пасильяс-Лепине, Уильям. «Гибридное моделирование и анализ предельного цикла для класса пятифазных антиблокировочных алгоритмов торможения». Динамика системы транспортных средств 44, № 2 (2006): 173-188.
[2] Жерар, Матье, Вильям Пасильяс-Лепен, Эдвин Де Врис и Мишель Верхеген. «Улучшения пятифазного алгоритма ABS для экспериментальной проверки». Динамика системы транспортного средства 50, № 10 (2012): 1585-1611.
[3] Бош, Р. «Bosch Automotive Handbook». 10-е ред. Уоррендейл, PA: SAE International, 2018.
[4] SAE J266. Процедуры испытания легковых автомобилей и грузовых автомобилей малой грузоподъемности в установившемся режиме. Уоррендейл, Пенсильвания: SAE International, 1996.
3D Двигатель | Продольный привод | Сопоставленный механизм СИ | Датчик рельефа транспортного средства