Линейное преобразование давления в срабатывание в системе изотермической жидкости
Simscape/Жидкости/Изотермическая жидкость/Исполнительные механизмы

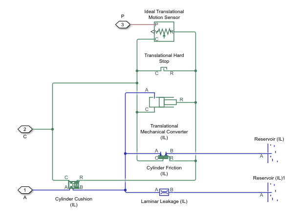
Блок однонаправленного исполнительного механизма (IL) моделирует исполнительный механизм, который преобразует давление жидкости в отверстии А в механическое усилие в отверстии R через вытягивающий-втягивающий поршень. Движение поршня ограничено моделью жесткого упора. Когда положение поршня вычисляется внутри, оно сообщается в порту p, и когда положение устанавливается соединением с соединением aSimscape™ Multibody™, оно принимается как физический сигнал в порту p.
Начальное перемещение поршня, динамическая сжимаемость жидкости и опорное давление окружающей среды могут быть изменены. Жидкость и механическая инерция не моделируются.
Смещение поршня измеряется как положение в отверстии R относительно отверстия C. Механическая ориентация определяет направление перемещения поршня. Перемещение поршня нейтрально, или 0, когда объем камеры равен мертвому объему. При приеме смещения в качестве входа убедитесь, что производная положения равна скорости поршня. Это происходит автоматически, когда входные данные поступают от соединения блока поступательного многофакторного интерфейса к соединению Simscape Multibody.
Для моделирования предела удлинения поршня привода доступны три модели. Этот блок использует ту же формулировку, что и блок поступательного жесткого останова, и моделирует однородные коэффициенты демпфирования и жесткости на обоих концах хода поршня. Дополнительные сведения о параметрах модели жесткого останова см. в разделе Блок поступательного жесткого останова.
Сила жесткой остановки моделируется, когда поршень находится на верхней или нижней границе. Граничная область находится в пределах переходной области хода поршня или начального перемещения поршня. За пределами этой области 0.
При необходимости можно моделировать амортизацию в направлении крайних значений хода поршня. Установка подушки торца цилиндра в On замедляет движение поршня по мере приближения к его максимальному удлинению, которое определяется ходом поршня. Дополнительные сведения о функциональных возможностях подушки цилиндра см. в разделе Блок подушки цилиндра (IL).
При необходимости можно моделировать трение относительно движения поршня. Если для параметра «Трение цилиндра» установлено значение On, результирующее трение представляет собой комбинацию эффекта Стрибека, Кулона и вязкого эффекта. Разность давлений измеряется между давлением в камере и давлением в окружающей среде. Дополнительные сведения о модели трения и ее ограничениях см. в разделе Блок трения цилиндра.
При необходимости можно моделировать утечку между жидкостной камерой и поршневым резервуаром. Если для параметра «Утечка» установлено значение On, поток Пуасейля моделируется между поршнем и цилиндром. Этот блок использует блок ламинарной утечки (IL) библиотеки Simscape Foundation. Расход рассчитывается следующим образом:
))
где:
λ - кинематическая вязкость жидкости.
L - длина поршня, p - P0.
pA - давление в порту A.
penv - давление окружающей среды, которое выбрано в параметре спецификации давления окружающей среды.
Диаметр цилиндра d0 равен 2c, где c - зазор между поршнями, а диаметр поршня di 4APπ, где AP - площадь поперечного сечения поршня.
В крайних точках области подушки и диапазона давления обратного клапана можно поддерживать численную устойчивость при моделировании путем регулировки коэффициента сглаживания блока. Функция сглаживания применяется ко всем вычисленным площадям и давлению клапанов, но в первую очередь влияет на моделирование в крайних пределах этих диапазонов.
Нормированная площадь диафрагмы рассчитывается как:
Алеак).
где:
Aleak - зона утечки подушки между плунжером и втулкой подушки.
Amax - площадь поперечного сечения плунжера Cushion.
Коэффициент сглаживания f применяется к нормализованной области:
(A ^ − 1) 2 + (f4) 2.
Сглаженная площадь отверстия:
+ Aleak.
Аналогичным образом нормированное давление клапана составляет:
pcracking).
где:
pcracking - перепад давления крекинга обратного клапана подушки.
pmax - максимальный перепад давления обратного клапана подушки.
Сглаживание, применяемое к нормализованному давлению:
(p ^ − 1) 2 + (f4) 2,
и сглаженное давление составляет:
pcracking.
Блок однонаправленного привода (IL) содержит четыре блока Simscape Foundation и два блока Fluids Library:
Жесткая остановка трансляций
Ламинарная утечка (IL)
Конвертер
Датчик
Подушка цилиндра (IL)
Трение цилиндра (IL)
Структурная схема привода

Привод двойного действия (G-IL) | Привод двойного действия (IL) | Привод пилотного клапана (IL) | Вращающийся исполнительный механизм одностороннего действия (IL) | Поворотный привод одинарного действия (IL)