Модульная многоуровневая ветвь преобразователя с последовательно подключенными подмодулями питания
Simscape/Электрические/Полупроводники и преобразователи/Преобразователи

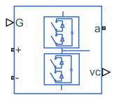
Блок Modular Multilevel Converter Leg моделирует модульную многоуровневую ветвь преобразователя как два плеча, которые реализованы с рядом последовательно соединенных подмодулей питания.

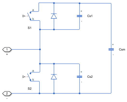
Топология полумоста

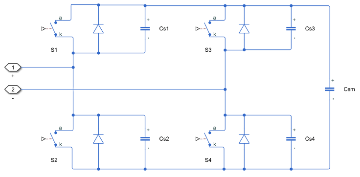
Полная мостовая топология

Эти блоки позволяют выбрать уровень точности модели, выбирая между детализированной моделью с переключающими устройствами или эквивалентной моделью. Вы можете выбрать из следующих коммутационных устройств:
GTO - тиристор отключения затвора. Для получения информации о характеристике I-V устройства см. GTO.
Идеальный полупроводниковый переключатель - информацию о характеристиках I-V устройства см. в разделе Идеальный полупроводниковый переключатель.
IGBT - биполярный транзистор с изолированным затвором. Для получения информации о характеристике I-V устройства см. IGBT (Ideal, Switching).
МОП - N-канальный металл-оксидно-полупроводниковый полевой транзистор. Для получения информации о характеристике I-V устройства см. MOSFET (Ideal, Switching).
Тиристор - сведения о характеристике I-V устройства см. в разделе Тиристор (кусочно-линейный).
Усредненный коммутатор.
Параметры «Переменные» используются для задания приоритетов и начальных целевых значений для переменных блока перед моделированием. Дополнительные сведения см. в разделе Установка приоритета и начальной цели для переменных блока.
G - Управление затвором подмодуляПорт физического сигнала, связанный с сигналом затвора для всех подмодулей ветви модульного многоуровневого преобразователя, определяемый как вектор физических сигналов.
Если для параметра топологии Converter задано значение Half-bridge, выходной - вектор длиной 4 * Nsm, где Nsm - число подмодулей мощности.
Если для параметра топологии Converter задано значение Full-bridge, выходной сигнал является вектором длиной 8 * Nsm.
Чтобы включить этот порт, установите уровень точности в значение Detailed model - switching devices или Equivalent model - PWM-controlled.
ref - Опорная форма сигнала подмодулейПорт физического сигнала, связанный с опорными формами сигнала, заданными как вектор физических сигналов длиной 2.
Чтобы включить этот порт, установите уровень точности в значение Equivalent model - waveform-controlled.
vc - Напряжения конденсаторовПорт физического сигнала, связанный с напряжениями конденсатора для каждого подмодуля в ветви модульного многоуровневого преобразователя, определяемый как вектор физических сигналов.
Чтобы включить этот порт, установите для напряжения конденсатора значение Instrumented.
+ - Положительный терминалПорт экономии электроэнергии, связанный с положительным выводом модульной многоуровневой ветви преобразователя.
- - Отрицательный выводПорт экономии электроэнергии, связанный с отрицательным выводом ветви модульного многоуровневого преобразователя.
a - Фаза клеммыПорт экономии электроэнергии, связанный с однофазным выводом ветви модульного многоуровневого преобразователя.
Converter topology - Топология преобразователяHalf-bridge (по умолчанию) | Full-bridgeТопология модульного многоуровневого преобразователя.
Fidelity level - Точность моделиDetailed model - switching devices (по умолчанию) | Equivalent model - PWM-controlled | Equivalent model - waveform-controlledУровень точности модели.
Capacitor voltages - Измерительные приборы напряжения конденсатораInstrumented (по умолчанию) | UninstrumentedСледует ли измерять напряжения конденсатора.
Number of power submodules - Количество подмодулей1 (по умолчанию) | положительный скалярКоличество силовых подмодулей модульного многоуровневого преобразователя.
Capacitance - Емкость подмодуля1e-7
F (по умолчанию) | скаляр | векторЕмкость подмодуля. При вводе вектора вектор должен иметь длину 2 * Nsm, где Nsm - число подмодулей мощности.
Capacitor effective series resistance - Эффективное последовательное сопротивление конденсатора1e-6
Ohm (по умолчанию) | скаляр | векторЭффективное последовательное сопротивление конденсатора. При вводе вектора вектор должен иметь длину 2 * Nsm, где Nsm - число подмодулей мощности.
Чтобы включить этот параметр, установите для параметра Уровень точности значение Detailed model - switching devices.
Arm inductance - Индуктивность руки1e-6
H (по умолчанию) | скалярИндуктивность руки.
Arm inductance series resistance - Последовательное сопротивление индуктивности плеча0
Ohm (по умолчанию) | скалярПоследовательное сопротивление индуктивности плеча.
Capacitor initial voltage - Начальное напряжение конденсатора500
V (по умолчанию) | скаляр | векторНачальное напряжение конденсатора. При вводе вектора вектор должен иметь длину 2 * Nsm, где Nsm - число подмодулей мощности.
В этой таблице показано, как включенные параметры в настройках коммутационных устройств зависят от выбранного коммутационного устройства. Сведения о прочтении таблицы см. в разделе Зависимости параметров. Чтобы включить эти параметры, установите для параметра Уровень точности значение Detailed model - switching devices.
Зависимости параметров коммутационных устройств
| Параметры и опции | |||||
|---|---|---|---|---|---|
| Коммутационное устройство | |||||
Ideal Semiconductor Switch | GTO | IGBT | MOSFET | Thyristor | Averaged Switch |
| Сопротивление в состоянии on-state | Прямое напряжение | Прямое напряжение | Сток-исток на сопротивлении | Прямое напряжение | Сопротивление в состоянии on-state |
| Проводимость вне состояния | Сопротивление в состоянии on-state | Сопротивление в состоянии on-state | Проводимость вне состояния | Сопротивление в состоянии on-state | |
| Пороговое напряжение | Проводимость вне состояния | Проводимость вне состояния | Пороговое напряжение | Проводимость вне состояния | |
| Напряжение срабатывания затвора, Vgt | Пороговое напряжение | Напряжение срабатывания затвора, Vgt | |||
| Напряжение отключения затвора, Vgt_off | Удерживающий ток | ||||
| Удерживающий ток | |||||
Switching device - Тип переключателяIdeal Semiconductor Switch (по умолчанию) | GTO | IGBT | MOSFET | Thyristor | Averaged SwitchТип переключающего устройства для преобразователя.
См. таблицу Зависимости параметров коммутационных устройств.
Forward voltage - Напряжение0.8
V (по умолчанию) | скалярДля различных типов коммутирующих устройств напряжение прямого направления:
GTO - минимальное напряжение, необходимое для 1/Ron градиента I-V характеристики устройства, где Ron - значение сопротивления On-state
IGBT - минимальное напряжение, необходимое на портах коллектора и блока эмиттера для 1/Ron градиента диодной I-V характеристики, где Ron - значение сопротивления On-state
Тиристор - минимальное напряжение, необходимое для включения устройства
См. таблицу Зависимости параметров коммутационных устройств.
On-state resistance - Сопротивление0.001
Ohm (по умолчанию) | скалярДля различных типов коммутационных устройств сопротивление On-state:
GTO - Скорость изменения напряжения относительно тока выше прямого напряжения
Идеальный полупроводниковый переключатель - Анодно-катодное сопротивление при включенном приборе
IGBT - Сопротивление коллектора-эмиттера при включенном устройстве
Тиристор - Анодно-катодное сопротивление при включенном устройстве
Усредненный переключатель - Анодно-катодное сопротивление при включенном устройстве
См. таблицу Зависимости параметров коммутационных устройств.
Drain-source on resistance - Сопротивление0.001
Ohm (по умолчанию) | скалярСопротивление между стоком и истоком. Напряжение между затвором и истоком также влияет на параметр сопротивления «Сток-исток».
См. таблицу Зависимости параметров коммутационных устройств.
Off-state conductance - Проводимость при выключенном устройстве1e-5
1/Ohm (по умолчанию) | скалярПроводимость при отключении прибора. Значение должно быть меньше 1/R, где R - значение сопротивления On-state.
Для различных типов коммутационных устройств сопротивление On-state:
GTO - Анодно-катодная проводимость
Идеальный полупроводниковый переключатель - Анодно-катодная проводимость
IGBT - Проводимость коллектора-эмиттера
МОП-транзистор - проводимость источника стока
Тиристор - Анодно-катодная проводимость
См. таблицу Зависимости параметров коммутационных устройств.
Threshold voltage - Порог напряжения6
V (по умолчанию) | скалярПорог напряжения затвора. Устройство включается, когда напряжение затвора превышает это значение. Пороговое значение напряжения применяется к различным устройствам в зависимости от используемого коммутационного устройства:
Идеальный полупроводниковый переключатель - напряжение затвора-эмиттера
IGBT - Напряжение затвора-катода
MOSFET - Напряжение источника затвора
См. таблицу Зависимости параметров коммутационных устройств.
Gate trigger voltage, Vgt - Порог напряжения активации затвора-катода1
V (по умолчанию) | скалярПорог напряжения затвора-катода. Устройство включается, когда напряжение между затвором и катодом превышает это значение.
См. таблицу Зависимости параметров коммутационных устройств.
Gate turn-off voltage, Vgt_off - Порог напряжения отключения затвора-катода-1
V (по умолчанию) | скалярПорог напряжения затвора-катода. Устройство отключается, когда напряжение между затвором и катодом ниже этого значения.
См. таблицу Зависимости параметров коммутационных устройств.
Holding current - Текущее пороговое значение1
A (по умолчанию) | скалярПорог тока затвора. Устройство остается включенным, когда ток выше этого значения, даже когда напряжение затвора-катода падает ниже напряжения триггера затвора.
См. таблицу Зависимости параметров коммутационных устройств.
Дополнительные сведения об этих параметрах см. в разделе Диод.
Model dynamics - Диодная модельDiode with no dynamics (по умолчанию) | Diode with charge dynamics | NoneДиодный тип. Возможны следующие варианты:
None - Блок не моделирует диодную динамику.
Diode with no dynamics - Выберите этот параметр для определения приоритета скорости моделирования с помощью диодного блока.
Diode with charge dynamics - Выберите эту опцию для определения приоритета точности модели с точки зрения динамики заряда в обратном режиме с использованием модели коммутирующего диода диодного блока.
Примечание
Если для параметра Switching device установлено значение Averaged Switch в настройках коммутационного устройства, Diode with no dynamics автоматически выбирается.
Чтобы включить этот параметр, установите для параметра Switching device значение GTO, Ideal Semiconductor Switch, IGBT, MOFSET, или Thyristor.
Forward voltage - Прямое напряжение0.8
V (по умолчанию) | скалярМинимальное напряжение, требуемое на + и - блокирующие порты для 1/Ron градиента диодной I-V характеристики, где Ron - значение сопротивления On.
Чтобы включить этот параметр, задайте для параметра Динамика модели значение Diode with no dynamics или Diode with charge dynamics.
On resistance - По сопротивлению0.001
Ohm (по умолчанию) | скалярСкорость изменения напряжения по отношению к току выше прямого напряжения.
Чтобы включить этот параметр, задайте для параметра Динамика модели значение Diode with no dynamics или Diode with charge dynamics.
Off conductance - Обратная проводимость1e-5
1/Ohm (по умолчанию) | скалярПроводимость диода с обратным смещением.
Чтобы включить этот параметр, задайте для параметра Динамика модели значение Diode with no dynamics или Diode with charge dynamics.
Junction capacitance - Емкость перехода50
nF (по умолчанию) | скалярЕмкость диодного перехода.
Чтобы включить этот параметр, задайте для параметра Динамика модели значение Diode with charge dynamics.
Peak reverse current, iRM - Пиковый обратный ток-235
A (по умолчанию) | отрицательный скалярПиковый обратный ток, измеренный внешней тестовой схемой. Это значение должно быть меньше нуля.
Чтобы включить этот параметр, задайте для параметра Динамика модели значение Diode with charge dynamics.
Initial forward current when measuring iRM - Начальный прямой ток при измерении iRM300
A (по умолчанию) | положительный скалярНачальный прямой ток при измерении пикового обратного тока. Это значение должно быть больше нуля.
Чтобы включить этот параметр, задайте для параметра Динамика модели значение Diode with charge dynamics.
Rate of change of current when measuring iRM - Скорость изменения тока при измерении iRM-50
A/μs (по умолчанию) | отрицательный скалярСкорость изменения тока при измерении пикового обратного тока. Это значение должно быть меньше нуля.
Чтобы включить этот параметр, задайте для параметра Динамика модели значение Diode with charge dynamics.
Reverse recovery time parameterization - Обратный параметр времени восстановленияSpecify stretch factor (по умолчанию) | Specify reverse recovery time directly | Specify reverse recovery chargeОпределяет способ указания времени обратного восстановления.
При выборе Specify stretch factor или Specify reverse recovery charge, вы указываете значение, которое блок использует для получения времени обратного восстановления. Дополнительные сведения об этих параметрах см. в разделе Как блок вычисляет TM и Tau.
Чтобы включить этот параметр, задайте для параметра Динамика модели значение Diode with charge dynamics.
Reverse recovery time, trr - Обратное время восстановления15
μs (по умолчанию) | скалярИнтервал между временем, когда ток первоначально переходит в ноль (когда диод выключается) и временем, когда ток падает до менее 10% пикового обратного тока. Значение параметра Reverse recovery time, trr должно быть больше, чем значение параметра Peak reverse current, iRM деленное на значение параметра Rate of change of current при измерении параметра iRM.
Чтобы включить этот параметр, задайте для параметра Динамика модели значение Diode with charge dynamics и изменить параметризацию времени восстановления на Specify reverse recovery time directly.
Reverse recovery time stretch factor - Коэффициент растяжения времени обратного восстановления3 (по умолчанию) | скалярЗначение, которое блок использует для вычисления времени обратного восстановления, trr. Это значение должно быть больше 1. Определение коэффициента растяжения является более простым способом параметризации времени обратного восстановления, чем задание обратного заряда восстановления. Чем больше значение коэффициента растяжения, тем дольше рассеивается обратный восстановительный ток.
Чтобы включить этот параметр, задайте для параметра Динамика модели значение Diode with charge dynamics и изменить параметризацию времени восстановления на Specify stretch factor.
Reverse recovery charge, Qrr - Обратный сбор за восстановление1500
s*μA (по умолчанию) | скалярЗначение, которое блок использует для вычисления времени обратного восстановления, trr. Используйте этот параметр, если в спецификации для вашего диода указано значение обратного заряда восстановления вместо значения обратного времени восстановления.
Обратный восстановительный заряд - это суммарный заряд, который продолжает рассеиваться при отключении диода. Значение должно быть меньше , где:
iRM - значение, указанное для пикового обратного тока, iRM.
a - значение, заданное для скорости изменения тока при измерении iRM.
Чтобы включить этот параметр, задайте для параметра Динамика модели значение Diode with charge dynamics и изменить параметризацию времени восстановления на Specify reverse recovery charge.
Чтобы включить параметры Snubbers, установите для параметра Уровень точности значение Detailed model - switching devices и Переключающее устройство на GTO, Ideal Semiconductor Switch, IGBT, MOFSET, или Thyristor.
Snubber - СрубберNone (по умолчанию) | RC snubberSnubber для каждого коммутационного устройства:
None
RC snubber
Snubber resistance - Сопротивление срубберу0.1
Ohm (по умолчанию) | скалярСопротивление Snubber.
Чтобы включить этот параметр, установите для параметра Snubber значение RC snubber.
Snubber capacitance - Емкость Snubber1e-7
F (по умолчанию) | скалярЕмкость Snubber.
Чтобы включить этот параметр, установите для параметра Snubber значение RC snubber.
[1] Саад, Хани, Себастьен Деннетьер и Жан Махсереджян. «О моделировании ГМК в программе EMT-Type». 17-й семинар IEEE 2016 по управлению и моделированию для силовой электроники (COMPEL), 1-7. Тронхейм, Норвегия: IEEE, 2016. https://doi.org/10.1109/COMPEL.2016.7556717.
Преобразователь среднего значения DC-DC | Двунаправленный преобразователь постоянного тока | Повышающий преобразователь | Конвертер баков | Конвертер Buck-Boost | Преобразователь (трехфазный) | GTO | Идеальный полупроводниковый коммутатор | IGBT (идеальный, коммутационный) | Модульный многоуровневый преобразователь (трехфазный) | Модульный многоуровневый преобразователь | MOSFET (идеальный вариант, переключение) | Генератор ШИМ | Генератор ШИМ (многоуровневый) | Генератор ШИМ (трехфазный, двухуровневый) | Трехуровневый преобразователь (трехфазный) | Тиристор (кусочно-линейный)
1. Если смысл перевода понятен, то лучше оставьте как есть и не придирайтесь к словам, синонимам и тому подобному. О вкусах не спорим.
2. Не дополняйте перевод комментариями “от себя”. В исправлении не должно появляться дополнительных смыслов и комментариев, отсутствующих в оригинале. Такие правки не получится интегрировать в алгоритме автоматического перевода.
3. Сохраняйте структуру оригинального текста - например, не разбивайте одно предложение на два.
4. Не имеет смысла однотипное исправление перевода какого-то термина во всех предложениях. Исправляйте только в одном месте. Когда Вашу правку одобрят, это исправление будет алгоритмически распространено и на другие части документации.
5. По иным вопросам, например если надо исправить заблокированное для перевода слово, обратитесь к редакторам через форму технической поддержки.