Формулируя требования к конструкции как ограничения H-бесконечности, вы выражаете свои требования к конструкции как ограничение H∞ нормы функции H (s) передачи с замкнутым контуром .
Следующим шагом является создание обобщенной модели LTI H (s), которая включает в себя все фиксированные и настраиваемые элементы системы управления. Модель также включает любые функции взвешивания, которые отражают требования к конструкции. Существует два способа получения этой настраиваемой модели системы управления:
Для построения настраиваемой обобщенной линейной модели системы управления с замкнутым контуром в MATLAB ®:
Используйте такие команды, как tf, zpk, и ss для создания числовых линейных моделей, представляющих фиксированные элементы системы управления и любые функции взвешивания, представляющие требования к конструкции.
Используйте настраиваемые модели (управляющие блоки проектирования или обобщенные модели LTI) для моделирования настраиваемых элементов системы управления. Дополнительные сведения о настраиваемых моделях см. в разделе Модели с настраиваемыми коэффициентами.
Используйте команды взаимодействия модели, такие как series, parallel, и connect для построения системы с замкнутым контуром из числовых и настраиваемых моделей.
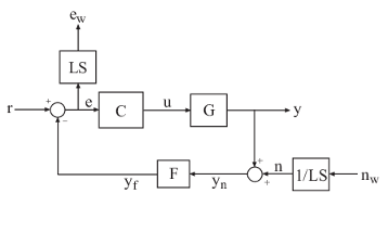
В этом примере показано, как построить настраиваемую обобщенную линейную модель следующей системы управления для настройки на hinfstruct.

Эта блок-схема представляет сборку HDA на жестком диске. Архитектура включает в себя завод G в контуре обратной связи с ПИ-контроллером C и фильтр нижних частот, F = a/(s+a). Настраиваемыми параметрами являются коэффициенты усиления PI C и параметр фильтра a.
Блок-схема также включает в себя функции взвешивания LS и 1/LS, которые выражают требования формирования цикла. Пусть T (s) обозначает функцию передачи с обратной связью от входов (r, nw) к выходам (y, ew). Затем H∞ ограничение:
∞<1
приблизительно обеспечивает формирование целевого отклика с разомкнутым контуром LS. Для этого примера целевая форма цикла
+ sstartc.
Это значение LS соответствует следующей форме отклика с разомкнутым контуром.

Настройка системы управления HDA с hinfstruct, построить перестраиваемую модель замкнутой системы T (s), включая функции взвешивания, следующим образом .
Загрузить завод G из сохраненного файла.
load hinfstruct_demo G
G является состоянием-пространством SISO 9-го порядка (ss) модель.
Создайте настраиваемую модель PI-контроллера.
Можно использовать предопределенный блок проектирования элементов управления tunablePID для представления настраиваемого PI-контроллера.
C = tunablePID('C','pi');
Создайте настраиваемую модель фильтра нижних частот.
Поскольку для фильтра не существует предварительно определенного блока конструкции элемента управления F = a/(s+a), использовать realp для представления настраиваемого параметра фильтра a. Затем создайте настраиваемый genss модель, представляющая фильтр.
a = realp('a',1);
F = tf(a,[1 a]);Задание формы целевого контура LC.
wc = 1000;
s = tf('s');
LS = (1+0.001*s/wc)/(0.001+s/wc);Маркировать входы и выходы всех компонентов системы управления.
Маркировка ввода-вывода позволяет соединять элементы для построения замкнутой системы T (s).
Wn = 1/LS; Wn.InputName = 'nw'; Wn.OutputName = 'n'; We = LS; We.InputName = 'e'; We.OutputName = 'ew'; C.InputName = 'e'; C.OutputName = 'u'; F.InputName = 'yn'; F.OutputName = 'yf';
Укажите суммирующие соединения в терминах меток ввода-вывода других компонентов системы управления.
Sum1 = sumblk('e = r - yf'); Sum2 = sumblk('yn = y + n');
Использовать connect для объединения всех элементов в полную модель замкнутой системы T (s).
T0 = connect(G,Wn,We,C,F,Sum1,Sum2,{'r','nw'},{'y','ew'});T0 является genss объект, представляющий собой обобщенную модель LTI, представляющую замкнутую систему управления с весовыми функциями. Blocks имущество T0 содержит настраиваемые блоки C и a.
T0.Blocks
ans = struct with fields:
C: [1x1 tunablePID]
a: [1x1 realp]
Дополнительные сведения о обобщенных моделях систем управления, включающих как числовые, так и настраиваемые компоненты, см. в разделе Модели с настраиваемыми коэффициентами.
Теперь вы можете использовать hinfstruct для настройки параметров данной системы управления. См. раздел Настройка параметров контроллера.
В этом примере модель системы управления T0 является моделью непрерывного времени (T0.Ts = 0). Также можно использовать hinfstruct с дискретной временной моделью при условии указания определенного времени выборки (T0.Ts ≠ –1).
При наличии модели Simulink системы управления и программного обеспечения Simulink Control Design используйте slTuner (Simulink Control Design) для создания интерфейса с моделью Simulink системы управления. При создании интерфейса указывается, какие блоки необходимо настроить в модели. slTuner позволяет извлечь модель с замкнутым контуром для настройки с помощью hinfstruct. (Функции на основе Simulink недоступны в MATLAB Online™.)
В этом примере показано, как построить настраиваемую обобщенную линейную модель системы управления в модели Simulink rct_diskdrive.
Для создания обобщенной линейной модели этой системы управления (включая функции взвешивания формирования контура):
Откройте модель.
open('rct_diskdrive');

Создание slTuner интерфейс с моделью. Интерфейс позволяет задавать настраиваемые блоки и извлекать линеаризованные отклики с разомкнутым и замкнутым контуром. (Для получения дополнительной информации об интерфейсе см. slTuner справочная страница (Simulink Control Design).)
ST0 = slTuner('rct_diskdrive',{'C','F'});
Эта команда указывает, что C и F являются настраиваемыми блоками в модели. slTuner интерфейс автоматически параметризует эти блоки. Параметризация по умолчанию блока передаточной функции F - передаточная функция с двумя свободными параметрами. Поскольку F является фильтром нижних частот, необходимо ограничить его коэффициенты. Для этого задайте пользовательскую параметризацию F.
a = realp('a',1); % filter coefficient setBlockParam(ST0,'F',tf(a,[1 a]));
Извлеките настраиваемую модель функции передачи с замкнутым контуром, которую требуется настроить.
T0 = getIOTransfer(ST0,{'r','n'},{'y','e'});
Эта команда возвращает genss модель линеаризованной функции передачи по замкнутому контуру с опорных и шумовых входов r,n к выходам измерений и ошибок y,e. Вывод ошибки необходим для функции взвешивания формирования цикла.
Определите функции взвешивания формирования петель и добавьте их к T0.
wc = 1000;
s = tf('s');
LS = (1+0.001*s/wc)/(0.001+s/wc);
T0 = blkdiag(1,LS) * T0 * blkdiag(1,1/LS);
Обобщенная линейная модель T0 является перестраиваемой моделью функции T (s) передачи с обратной связью, обсуждаемой в Примере: Моделирование системы управления с перестраиваемым ПИ-контроллером и перестраиваемым фильтром. T (s) - взвешенная модель системы управления с замкнутым контуром rct_diskdrive. Настройка T0 для применения ограничения H∞
∞<1
приблизительно обеспечивает формирование целевого цикла LS.
Теперь вы можете использовать hinfstruct для настройки параметров данной системы управления. См. раздел Настройка параметров контроллера.