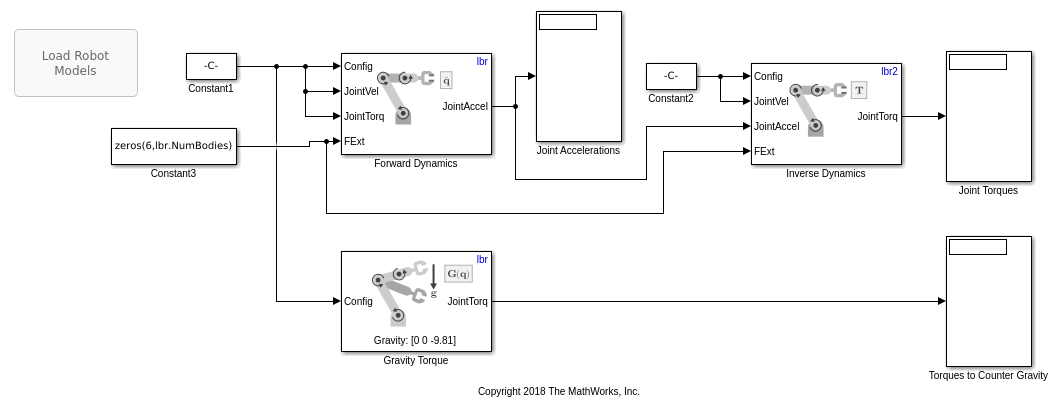
Моменты в соединениях, которые компенсируют силу тяжести
Алгоритмы Robotics System Toolbox/Manipulator

Блок Gravity Torque возвращает крутящие моменты в соединениях, необходимые для удержания робота в заданном строении с текущей настройкой Gravity на Rigid body tree модели робота.