exponenta event banner

Электроприводы

Приводы переменного тока, приводы постоянного тока, валы, редукторы скорости, аккумуляторы, топливные камеры

Блоки

расширить все

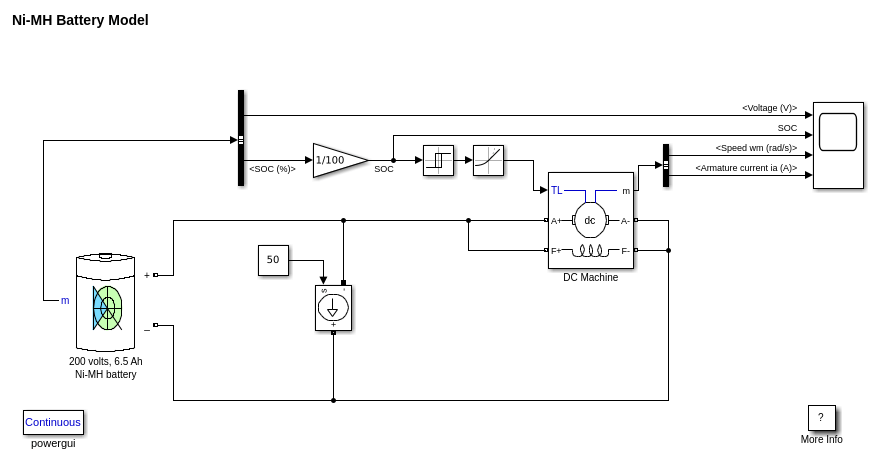
BatteryТиповая модель батареи
Fuel Cell StackРеализуйте типовую модель стека водородных топливных камер
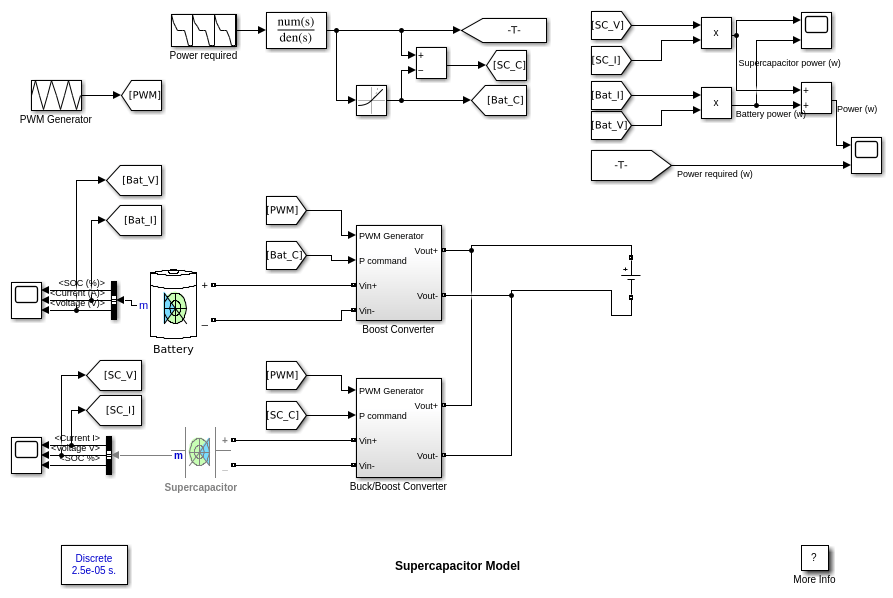
SupercapacitorРеализуйте типовую модель суперконденсатора

Темы

Симулируйте привод двигателя постоянного тока

Узнайте, как использовать модели привода постоянного тока из библиотеки Electric Drives.

Симулируйте привод электродвигателя переменного тока

Узнайте, как использовать модели привода переменного тока из библиотеки Electric Drives.

Ретунируйте параметры привода

Узнать, как изменить параметры электропривода.

Изменение блока диска

Узнать, как изменить электрические соединения или модули управления путем изменения блока привода.

Многоуровневое моделирование для быстрого прототипирования

Уменьшите затраты на разработку системы с помощью Модельно-ориентированное Проектирование.

Библиотека электроприводов

Библиотека Electric Drives предоставляет вам простой способ включить электроприводы в ваши модели.

Механические модели

Узнать, как симулировать вал, соединяющий блок привода мотора с блоком механических нагрузок, и достичь высокого крутящего момента на низкой скорости.

Механическая муфта двух приводов с двигателем

Исследуйте механическую связь AC4 (трехфазный привод на основе асинхронного двигателя DTC) и DC2 (однофазный привод с двумя преобразователями постоянного тока) блоков.

Обмотка машины

Моделируйте обмотку с помощью блока DC Двухквадрантного Трехфазного выпрямителя.

Управление осью робота с помощью бесщеточного привода с двигателем постоянного тока

Исследуйте робота с шестью степенями свободы, управляемого AC6 (бесщеточным приводом постоянного тока) блоками.

Создание собственного диска

Узнайте, как создать модель привода мотора в соответствии с вашими конкретными требованиями.

Рекомендуемые примеры